Foram encontradas 49 questões.
Qualquer parte de um circuito elétrico composta por um ou mais dispositivos ligados em série:
Provas
Sobre a potência elétrica assinale a alternativa correta:
I. potência elétrica é a quantidade de energia elétrica que é convertida para uma outra forma de energia em um determinado intervalo de tempo;
II. a unidade de potência é o Joule/segundo (J/s) que, em se tratando de potência elétrica, é denominada Watt (W);
III. a potência elétrica absorvida ou fornecida por um bipolo, submetido a uma tensão v(t) e percorrido por uma corrente i(t), é dada pelo quociente da tensão pela corrente no mesmo;
IV. Pela expressão P = V × i, verifica-se que a unidade de potência é volt.ampére (VA).
Provas
- Circuitos ElétricosAspectos Básicos e Topologia de Circuitos
- Circuitos ElétricosCircuitos Resistivos, RL e RC, e RLC
- Circuitos ElétricosLeis de Ohm e Kirchhoff
Os valores das resistências do circuito da figura a seguir, sabendo-se que a resistência vista pela fonte é de 5kΩ, valem, respectivamente:

Provas
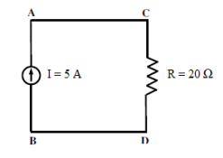
Uma fonte de corrente contínua I = 5 A é conectada em um resistor de 20 Ω, conforme a figura a seguir. Assinale a alternativa que indica corretamente a tensão no resistor e a tensão na fonte, respectivamente:

Provas
Sobre a corrente elétrica é correto afirmar, com exceção de:
Provas
- Circuitos ElétricosAspectos Básicos e Topologia de Circuitos
- Circuitos ElétricosCircuitos Resistivos, RL e RC, e RLC
A lei de Ohm estabelece a relação que existe entre a tensão e a corrente em um resistor. Analise as assertivas a seguir e assinale a alternativa correta:
I. seja um resistor R submetido a uma tensão v(t) e a uma corrente i(t); por ser um elemento passivo, a corrente i(t) e a tensão v(t) no resistor R terão a mesma direção;
II. a lei de Ohm estabelece que a tensão em um resistor é inversamente proporcional à corrente que atravessa o mesmo, sendo que a constante de proporcionalidade entre a tensão e a corrente é a resistência do resistor;
III. na prática, um resistor só pode ser ôhmico dentro de determinados intervalos de intensidade da corrente elétrica que o atravessa, mas a expressão U = R × i é válida tanto para condutores ôhmicos, como para os não-ôhmicos;
IV. em um circuito elétrico, a finalidade dos resistores é limitar a intensidade da corrente elétrica; essa limitação se dá devido à dissipação de energia elétrica em forma de calor, entrentanto os resistores, em geral, não são dispositivos destinados à geração de calor.
Provas
Bipolo passivo em que a energia elétrica absorvida pelo mesmo é armazenada no mesmo sob a forma de um campo elétrico:
Provas
Define-se bipolo a qualquer dispositivo que tenha dois terminais acessíveis e que pelo qual é possível circular corrente elétrica. Sobre os bipolos é correto afirmar:
Provas
Fazem limites do Município de Mauriti:
Provas
São distritos do Município de Mauriti:
Provas
Caderno Container