Foram encontradas 40 questões.
- EscritórioMicrosoft OfficePowerpointVersões do PowerpointMicrosoft PowerPoint 2016 e 365Powerpoint 2016
- EscritórioMicrosoft OfficePowerpointPrincipais Recursos do Powerpoint
Qual das seguintes opções é usada para adicionar animações aos objetos do PowerPoint 2016?
Provas
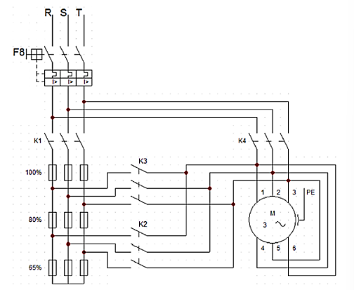
Disciplina: Engenharia Elétrica
Banca: Avança SP
Orgão: Pref. Morungaba-SP
A figura abaixo mostra o esquema de um(a):

Provas
Segundo a NBR 5410:2004, a seção mínima de um condutor de Cobre para circuitos de iluminação e circuitos de força são, respectivamente :
Provas
Disciplina: Engenharia Elétrica
Banca: Avança SP
Orgão: Pref. Morungaba-SP
Sobre o Dispositivo de Proteção contra Surtos (DPS), assinale a alternativa INCORRETA:
Provas
Disciplina: Engenharia Elétrica
Banca: Avança SP
Orgão: Pref. Morungaba-SP
Assinale a alternativa que corresponde a faixa de tensão que é considerada média tensão:
Provas
Disciplina: Engenharia Elétrica
Banca: Avança SP
Orgão: Pref. Morungaba-SP
Qual das alternativas abaixo NÃO apresenta um dispositivo de segurança em instalações elétricas:
Provas
Segundo a NBR 5462:1994 existem três tipos de manutenção: corretiva, preventiva e preditiva. Analise as afirmações abaixo e assinale a alternativa correta.
I.A manutenção corretiva é a ação realizada após uma pane ou falha com a finalidade de correção/reparação.
II.A manutenção preventiva é efetuada a qualquer momento, desde que haja necessidade, a fim de reduzir a probabilidade de falha ou degradação.
III.A manutenção preditiva garante qualidade de serviço com base em aplicações de técnicas de análise, com finalidade de reduzir ao mínimo a manutenção preventiva e diminuir a manutenção corretiva.
Provas
Disciplina: Engenharia Elétrica
Banca: Avança SP
Orgão: Pref. Morungaba-SP
Considere um transformador de 3kVA e de 1500/550 V em que cada espira deve ter uma tensão de 2,5 V. Assinale a resposta que contém os valores corretos da corrente nominal e o número de espiras do enrolamento primário:
Provas
Disciplina: Engenharia Elétrica
Banca: Avança SP
Orgão: Pref. Morungaba-SP
Sobre a interrupção de interruptores unipolares, paralelos e intermediários, é correto afirmar que:
Provas
Qual norma brasileira estabele as condições das instalações elétricas em baixa tensão?:
Provas
Caderno Container