Magna Concursos

Foram encontradas 690 questões.

2813793 Ano: 2023
Disciplina: Engenharia Elétrica
Banca: FUNDATEC
Orgão: Pref. Nova Candelária-RS
Provas:

Conforme a lista de símbolos para pontos de telefone, determine a sequência que descreve corretamente a nomenclatura das imagens abaixo.

Enunciado 3104327-1

 

Provas

Questão presente nas seguintes provas
2813792 Ano: 2023
Disciplina: Engenharia Elétrica
Banca: FUNDATEC
Orgão: Pref. Nova Candelária-RS
Provas:

Analise as assertivas abaixo e assinale a alternativa correta.

I. A manutenção corretiva deve ser programada de modo a reduzir o tempo de parada das máquinas e equipamentos.

II. A manutenção preventiva requer uma equipe bem preparada e sua realização é feita de acordo com a alteração de informações que a máquina apresenta durante sua operação.

III. As manutenções preditivas são feitas nas máquinas quando são detectadas alterações nos parâmetros de controle nos períodos previamente definidos de manutenção.

 

Provas

Questão presente nas seguintes provas
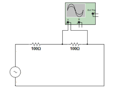
2813791 Ano: 2023
Disciplina: Engenharia Elétrica
Banca: FUNDATEC
Orgão: Pref. Nova Candelária-RS
Provas:

Com base na leitura do osciloscópio para o circuito a seguir, sabendo que a escala de tempo é de 10 ms/Div, determine a frequência da fonte. Considere o valor arredondado sem casas decimais.

Enunciado 3104325-1

Enunciado 3104325-2

 

Provas

Questão presente nas seguintes provas
2813790 Ano: 2023
Disciplina: Direito Constitucional
Banca: FUNDATEC
Orgão: Pref. Nova Candelária-RS
Provas:

Sobre os direitos assegurados à família, à criança, ao adolescente, ao jovem e ao idoso pela Constituição Federal de 1988, assinale a alternativa INCORRETA.

 

Provas

Questão presente nas seguintes provas
2813789 Ano: 2023
Disciplina: Engenharia Elétrica
Banca: FUNDATEC
Orgão: Pref. Nova Candelária-RS
Provas:

Sabendo que as lâmpadas apresentam as potências de 100W e 50W se forem ligadas diretamente em uma rede elétrica na tensão de 100V, determine a resistência equivalente para o circuito a seguir. Considere o valor arredondado sem casas decimais.

Enunciado 3104323-1

 

Provas

Questão presente nas seguintes provas
2813788 Ano: 2023
Disciplina: Português
Banca: FUNDATEC
Orgão: Pref. Nova Candelária-RS
Provas:

Instrução: As questões de números 01 a 15 referem-se ao texto abaixo. Os destaques ao longo do texto estão citados nas questões.

A importância dos insetos para um meio ambiente equilibrado

Por Henrique Caldeira Costa

01 Quando se fala em insetos__ muita gente torce o nariz, porque se lembra de criaturas que

02 causam transtorno, como mosquitos vetores de doenças, baratas, pulgas e piolhos. Mas os

03 insetos são muito, muito diversos. Abelhas, besouros, borboletas, cupins, formigas, grilos

04 e cigarras são só mais alguns tipos de insetos que existem. Cientistas já catalogaram mais de

05 um milhão e meio de espécies animais, e aproximadamente um milhão são insetos! Ou seja,

06 duas de cada três espécies de animais do mundo são insetos!

07 A enorme variedade de insetos também significa diversidade de funções na natureza.

08 Os polini_adores, como muitas abelhas, borboletas e maripo_as, garantem a reprodu_ão de

09 vários tipos de plantas, das quais mais de 100 nos servem de alimento. Os insetos herbívoros

10 (“vegetarianos”), como grilos e muitos besouros, servem de alimento para outros animais,

11 incluindo insetos carnívoros, como louva-a-deus, joaninhas e libélulas.

12 E que tal insetos parasitoides, como algumas vespas, que se desenvolvem no ovo ou no corpo

13 de outro inseto e o devoram por dentro? Parece assustador, mas os insetos parasitoides e

14 carnívoros podem ser aliados de fazendeiros, se alimentando de pragas em plantações e

15 reduzindo o uso de agrotóxicos.

16 E não é só isso! Insetos decompositores, como moscas, cupins e baratas – sim, baratas! –

17 consomem restos de outros seres vivos e são fundamentais na reciclagem de nutrientes. Afinal,

18 na natureza tudo se transforma!

19 Apesar de serem tão importantes para nós, muitos insetos correm perigo por causa da ação

20 humana. Em 2018, cientistas australianos estimaram que quatro em cada dez espécies de insetos

21 estão desaparecendo, e o número de indivíduos dessas espécies vem caindo a cada ano. As

22 principais causas são o desmatamento, as mudanças climáticas e a poluição.

23 Um planeta saudável precisa de uma grande variedade de insetos na natureza. Zerar o

24 desmatamento, criar áreas de preservação ambiental e promover a agroecologia, que consiste

25 em uma agricultura mais responsável com o meio ambiente, é importante para ajudar os insetos

26 e a biodiversidade. Vamos espalhar essa ideia?

(Disponível em: https://chc.org.br/artigo/ja-agradeceu-a-um-inseto-hoje/ – texto adaptado especialmente para esta prova).

De acordo com o texto, assinale a alternativa correta.

 

Provas

Questão presente nas seguintes provas
2813787 Ano: 2023
Disciplina: Português
Banca: FUNDATEC
Orgão: Pref. Nova Candelária-RS
Provas:

Instrução: As questões de números 01 a 15 referem-se ao texto abaixo. Os destaques ao longo do texto estão citados nas questões.

A importância dos insetos para um meio ambiente equilibrado

Por Henrique Caldeira Costa

01 Quando se fala em insetos__ muita gente torce o nariz, porque se lembra de criaturas que

02 causam transtorno, como mosquitos vetores de doenças, baratas, pulgas e piolhos. Mas os

03 insetos são muito, muito diversos. Abelhas, besouros, borboletas, cupins, formigas, grilos

04 e cigarras são só mais alguns tipos de insetos que existem. Cientistas já catalogaram mais de

05 um milhão e meio de espécies animais, e aproximadamente um milhão são insetos! Ou seja,

06 duas de cada três espécies de animais do mundo são insetos!

07 A enorme variedade de insetos também significa diversidade de funções na natureza.

08 Os polini_adores, como muitas abelhas, borboletas e maripo_as, garantem a reprodu_ão de

09 vários tipos de plantas, das quais mais de 100 nos servem de alimento. Os insetos herbívoros

10 (“vegetarianos”), como grilos e muitos besouros, servem de alimento para outros animais,

11 incluindo insetos carnívoros, como louva-a-deus, joaninhas e libélulas.

12 E que tal insetos parasitoides, como algumas vespas, que se desenvolvem no ovo ou no corpo

13 de outro inseto e o devoram por dentro? Parece assustador, mas os insetos parasitoides e

14 carnívoros podem ser aliados de fazendeiros, se alimentando de pragas em plantações e

15 reduzindo o uso de agrotóxicos.

16 E não é só isso! Insetos decompositores, como moscas, cupins e baratas – sim, baratas! –

17 consomem restos de outros seres vivos e são fundamentais na reciclagem de nutrientes. Afinal,

18 na natureza tudo se transforma!

19 Apesar de serem tão importantes para nós, muitos insetos correm perigo por causa da ação

20 humana. Em 2018, cientistas australianos estimaram que quatro em cada dez espécies de insetos

21 estão desaparecendo, e o número de indivíduos dessas espécies vem caindo a cada ano. As

22 principais causas são o desmatamento, as mudanças climáticas e a poluição.

23 Um planeta saudável precisa de uma grande variedade de insetos na natureza. Zerar o

24 desmatamento, criar áreas de preservação ambiental e promover a agroecologia, que consiste

25 em uma agricultura mais responsável com o meio ambiente, é importante para ajudar os insetos

26 e a biodiversidade. Vamos espalhar essa ideia?

(Disponível em: https://chc.org.br/artigo/ja-agradeceu-a-um-inseto-hoje/ – texto adaptado especialmente para esta prova).

O oposto de “transtorno” é:

 

Provas

Questão presente nas seguintes provas
2813786 Ano: 2023
Disciplina: Português
Banca: FUNDATEC
Orgão: Pref. Nova Candelária-RS
Provas:

Instrução: As questões de números 01 a 15 referem-se ao texto abaixo. Os destaques ao longo do texto estão citados nas questões.

A importância dos insetos para um meio ambiente equilibrado

Por Henrique Caldeira Costa

01 Quando se fala em insetos__ muita gente torce o nariz, porque se lembra de criaturas que

02 causam transtorno, como mosquitos vetores de doenças, baratas, pulgas e piolhos. Mas os

03 insetos são muito, muito diversos. Abelhas, besouros, borboletas, cupins, formigas, grilos

04 e cigarras são só mais alguns tipos de insetos que existem. Cientistas já catalogaram mais de

05 um milhão e meio de espécies animais, e aproximadamente um milhão são insetos! Ou seja,

06 duas de cada três espécies de animais do mundo são insetos!

07 A enorme variedade de insetos também significa diversidade de funções na natureza.

08 Os polini_adores, como muitas abelhas, borboletas e maripo_as, garantem a reprodu_ão de

09 vários tipos de plantas, das quais mais de 100 nos servem de alimento. Os insetos herbívoros

10 (“vegetarianos”), como grilos e muitos besouros, servem de alimento para outros animais,

11 incluindo insetos carnívoros, como louva-a-deus, joaninhas e libélulas.

12 E que tal insetos parasitoides, como algumas vespas, que se desenvolvem no ovo ou no corpo

13 de outro inseto e o devoram por dentro? Parece assustador, mas os insetos parasitoides e

14 carnívoros podem ser aliados de fazendeiros, se alimentando de pragas em plantações e

15 reduzindo o uso de agrotóxicos.

16 E não é só isso! Insetos decompositores, como moscas, cupins e baratas – sim, baratas! –

17 consomem restos de outros seres vivos e são fundamentais na reciclagem de nutrientes. Afinal,

18 na natureza tudo se transforma!

19 Apesar de serem tão importantes para nós, muitos insetos correm perigo por causa da ação

20 humana. Em 2018, cientistas australianos estimaram que quatro em cada dez espécies de insetos

21 estão desaparecendo, e o número de indivíduos dessas espécies vem caindo a cada ano. As

22 principais causas são o desmatamento, as mudanças climáticas e a poluição.

23 Um planeta saudável precisa de uma grande variedade de insetos na natureza. Zerar o

24 desmatamento, criar áreas de preservação ambiental e promover a agroecologia, que consiste

25 em uma agricultura mais responsável com o meio ambiente, é importante para ajudar os insetos

26 e a biodiversidade. Vamos espalhar essa ideia?

(Disponível em: https://chc.org.br/artigo/ja-agradeceu-a-um-inseto-hoje/ – texto adaptado especialmente para esta prova).

As lacunas da linha 08 são, correta e respectivamente, preenchidas com:

 

Provas

Questão presente nas seguintes provas
2813785 Ano: 2023
Disciplina: Português
Banca: FUNDATEC
Orgão: Pref. Nova Candelária-RS
Provas:

Instrução: As questões de números 01 a 15 referem-se ao texto abaixo. Os destaques ao longo do texto estão citados nas questões.

A importância dos insetos para um meio ambiente equilibrado

Por Henrique Caldeira Costa

01 Quando se fala em insetos__ muita gente torce o nariz, porque se lembra de criaturas que

02 causam transtorno, como mosquitos vetores de doenças, baratas, pulgas e piolhos. Mas os

03 insetos são muito, muito diversos. Abelhas, besouros, borboletas, cupins, formigas, grilos

04 e cigarras são só mais alguns tipos de insetos que existem. Cientistas já catalogaram mais de

05 um milhão e meio de espécies animais, e aproximadamente um milhão são insetos! Ou seja,

06 duas de cada três espécies de animais do mundo são insetos!

07 A enorme variedade de insetos também significa diversidade de funções na natureza.

08 Os polini_adores, como muitas abelhas, borboletas e maripo_as, garantem a reprodu_ão de

09 vários tipos de plantas, das quais mais de 100 nos servem de alimento. Os insetos herbívoros

10 (“vegetarianos”), como grilos e muitos besouros, servem de alimento para outros animais,

11 incluindo insetos carnívoros, como louva-a-deus, joaninhas e libélulas.

12 E que tal insetos parasitoides, como algumas vespas, que se desenvolvem no ovo ou no corpo

13 de outro inseto e o devoram por dentro? Parece assustador, mas os insetos parasitoides e

14 carnívoros podem ser aliados de fazendeiros, se alimentando de pragas em plantações e

15 reduzindo o uso de agrotóxicos.

16 E não é só isso! Insetos decompositores, como moscas, cupins e baratas – sim, baratas! –

17 consomem restos de outros seres vivos e são fundamentais na reciclagem de nutrientes. Afinal,

18 na natureza tudo se transforma!

19 Apesar de serem tão importantes para nós, muitos insetos correm perigo por causa da ação

20 humana. Em 2018, cientistas australianos estimaram que quatro em cada dez espécies de insetos

21 estão desaparecendo, e o número de indivíduos dessas espécies vem caindo a cada ano. As

22 principais causas são o desmatamento, as mudanças climáticas e a poluição.

23 Um planeta saudável precisa de uma grande variedade de insetos na natureza. Zerar o

24 desmatamento, criar áreas de preservação ambiental e promover a agroecologia, que consiste

25 em uma agricultura mais responsável com o meio ambiente, é importante para ajudar os insetos

26 e a biodiversidade. Vamos espalhar essa ideia?

(Disponível em: https://chc.org.br/artigo/ja-agradeceu-a-um-inseto-hoje/ – texto adaptado especialmente para esta prova).

A palavra “espécies” está corretamente acentuada, assim como ocorre em:

 

Provas

Questão presente nas seguintes provas
2813784 Ano: 2023
Disciplina: Português
Banca: FUNDATEC
Orgão: Pref. Nova Candelária-RS
Provas:

Instrução: As questões de números 01 a 15 referem-se ao texto abaixo. Os destaques ao longo do texto estão citados nas questões.

A importância dos insetos para um meio ambiente equilibrado

Por Henrique Caldeira Costa

01 Quando se fala em insetos__ muita gente torce o nariz, porque se lembra de criaturas que

02 causam transtorno, como mosquitos vetores de doenças, baratas, pulgas e piolhos. Mas os

03 insetos são muito, muito diversos. Abelhas, besouros, borboletas, cupins, formigas, grilos

04 e cigarras são só mais alguns tipos de insetos que existem. Cientistas já catalogaram mais de

05 um milhão e meio de espécies animais, e aproximadamente um milhão são insetos! Ou seja,

06 duas de cada três espécies de animais do mundo são insetos!

07 A enorme variedade de insetos também significa diversidade de funções na natureza.

08 Os polini_adores, como muitas abelhas, borboletas e maripo_as, garantem a reprodu_ão de

09 vários tipos de plantas, das quais mais de 100 nos servem de alimento. Os insetos herbívoros

10 (“vegetarianos”), como grilos e muitos besouros, servem de alimento para outros animais,

11 incluindo insetos carnívoros, como louva-a-deus, joaninhas e libélulas.

12 E que tal insetos parasitoides, como algumas vespas, que se desenvolvem no ovo ou no corpo

13 de outro inseto e o devoram por dentro? Parece assustador, mas os insetos parasitoides e

14 carnívoros podem ser aliados de fazendeiros, se alimentando de pragas em plantações e

15 reduzindo o uso de agrotóxicos.

16 E não é só isso! Insetos decompositores, como moscas, cupins e baratas – sim, baratas! –

17 consomem restos de outros seres vivos e são fundamentais na reciclagem de nutrientes. Afinal,

18 na natureza tudo se transforma!

19 Apesar de serem tão importantes para nós, muitos insetos correm perigo por causa da ação

20 humana. Em 2018, cientistas australianos estimaram que quatro em cada dez espécies de insetos

21 estão desaparecendo, e o número de indivíduos dessas espécies vem caindo a cada ano. As

22 principais causas são o desmatamento, as mudanças climáticas e a poluição.

23 Um planeta saudável precisa de uma grande variedade de insetos na natureza. Zerar o

24 desmatamento, criar áreas de preservação ambiental e promover a agroecologia, que consiste

25 em uma agricultura mais responsável com o meio ambiente, é importante para ajudar os insetos

26 e a biodiversidade. Vamos espalhar essa ideia?

(Disponível em: https://chc.org.br/artigo/ja-agradeceu-a-um-inseto-hoje/ – texto adaptado especialmente para esta prova).

Para não mudar o sentido original da frase “A enorme variedade de insetos também significa diversidade de funções na natureza”, a forma verbal sublinhada NÃO pode ser substituída por:

 

Provas

Questão presente nas seguintes provas