Foram encontradas 838 questões.
3918968
Ano: 2025
Disciplina: Engenharia de Agrimensura
Banca: AMEOSC
Orgão: Pref. São Miguel Oeste-SC
Disciplina: Engenharia de Agrimensura
Banca: AMEOSC
Orgão: Pref. São Miguel Oeste-SC
Provas:
Os objetos geográficos estão contidos na imagem e para
individualizá-los, é necessário recorrer a técnicas de
fotointerpretação e de classificação automática.
Características importantes de imagens de satélite são:
número de bandas do espectro eletromagnético
imageadas (resolução espectral), a área da superfície
terrestre observada instantaneamente por cada sensor
(resolução espacial) e o intervalo entre duas passagens
do satélite pelo mesmo ponto (resolução temporal). Com
base nas características gerais dos principais satélites
(com os sensores) disponíveis, é CORRETO afirmar que
o LANDSAT tem resolução temporal de:
Provas
Questão presente nas seguintes provas
Julgue as sentenças abaixo como VERDADEIRAS (V) ou
FALSAS (F).
(__)A cultura de Santa Catarina é marcada por uma rica diversidade étnica e histórica, resultado da convivência e da fusão entre diferentes povos indígenas, europeus e africanos. Antes da colonização, o território era habitado por grupos indígenas como os Xokleng, Kaingang e Guarani, que deixaram marcas na cultura material, na toponímia e nas tradições regionais. A partir do século XVIII, a chegada de imigrantes açorianos, alemães, italianos, poloneses e ucranianos transformou profundamente o panorama cultural do estado, criando uma identidade plural e multifacetada.
(__)Os açorianos, que se estabeleceram principalmente no interior do Estado, introduziram elementos da cultura lusitana, como o folclore do boi-de-mamão, as rendas de bilro, a pesca artesanal e as festas religiosas ligadas ao catolicismo, como a Festa do Divino Espírito Santo. Já os imigrantes alemães e italianos, concentrados principalmente no litoral catarinense, trouxeram consigo tradições agrícolas, arquitetônicas e gastronômicas que permanecem vivas até hoje.
(__)A cultura catarinense se manifesta na forte ligação com o mar e com a natureza, refletida nas práticas pesqueiras, na culinária baseada em frutos do mar e no modo de vida das comunidades costeiras. No interior, predominam as tradições rurais, as festas comunitárias e a valorização da vida familiar. O artesanato, a música folclórica, o teatro amador e as expressões contemporâneas, como o design e a arte urbana, completam o mosaico cultural de Santa Catarina, um estado onde o passado e o presente convivem em harmonia, e onde a diversidade é celebrada como um traço essencial da identidade local.
A sequência CORRETA é:
(__)A cultura de Santa Catarina é marcada por uma rica diversidade étnica e histórica, resultado da convivência e da fusão entre diferentes povos indígenas, europeus e africanos. Antes da colonização, o território era habitado por grupos indígenas como os Xokleng, Kaingang e Guarani, que deixaram marcas na cultura material, na toponímia e nas tradições regionais. A partir do século XVIII, a chegada de imigrantes açorianos, alemães, italianos, poloneses e ucranianos transformou profundamente o panorama cultural do estado, criando uma identidade plural e multifacetada.
(__)Os açorianos, que se estabeleceram principalmente no interior do Estado, introduziram elementos da cultura lusitana, como o folclore do boi-de-mamão, as rendas de bilro, a pesca artesanal e as festas religiosas ligadas ao catolicismo, como a Festa do Divino Espírito Santo. Já os imigrantes alemães e italianos, concentrados principalmente no litoral catarinense, trouxeram consigo tradições agrícolas, arquitetônicas e gastronômicas que permanecem vivas até hoje.
(__)A cultura catarinense se manifesta na forte ligação com o mar e com a natureza, refletida nas práticas pesqueiras, na culinária baseada em frutos do mar e no modo de vida das comunidades costeiras. No interior, predominam as tradições rurais, as festas comunitárias e a valorização da vida familiar. O artesanato, a música folclórica, o teatro amador e as expressões contemporâneas, como o design e a arte urbana, completam o mosaico cultural de Santa Catarina, um estado onde o passado e o presente convivem em harmonia, e onde a diversidade é celebrada como um traço essencial da identidade local.
A sequência CORRETA é:
Provas
Questão presente nas seguintes provas
Sobre o calendário de vacinação infantil, é importante
que os profissionais de saúde conheçam as vacinas
recomendadas para diferentes faixas etárias e as
orientações do Ministério da Saúde. Com base nas
diretrizes estabelecidas, analise as seguintes afirmações
sobre o esquema vacinal para crianças e adolescentes.
Acerca do assunto, marque V, para as afirmativas
verdadeiras, e F, para as falsas:
(__)A vacina contra a hepatite B deve ser administrada a partir dos 5 anos de idade, com um reforço aos 10 anos.
(__)A vacina tríplice viral (sarampo, caxumba e rubéola) é recomendada para crianças aos 12 meses, com um reforço aos 15 anos de idade.
(__)A vacina contra a febre amarela é indicada somente para crianças a partir dos 5 anos, com a administração de uma dose única.
(__)A vacina contra o HPV deve ser aplicada a meninas e meninos com idade entre 9 e 14 anos, em duas doses, com intervalo de 6 meses.
A sequência está correta em:
(__)A vacina contra a hepatite B deve ser administrada a partir dos 5 anos de idade, com um reforço aos 10 anos.
(__)A vacina tríplice viral (sarampo, caxumba e rubéola) é recomendada para crianças aos 12 meses, com um reforço aos 15 anos de idade.
(__)A vacina contra a febre amarela é indicada somente para crianças a partir dos 5 anos, com a administração de uma dose única.
(__)A vacina contra o HPV deve ser aplicada a meninas e meninos com idade entre 9 e 14 anos, em duas doses, com intervalo de 6 meses.
A sequência está correta em:
Provas
Questão presente nas seguintes provas
3919803
Ano: 2025
Disciplina: Engenharia Civil
Banca: AMEOSC
Orgão: Pref. São Miguel Oeste-SC
Disciplina: Engenharia Civil
Banca: AMEOSC
Orgão: Pref. São Miguel Oeste-SC
Provas:
Considere a composição abaixo para execução de uma
unidade de fossa séptica pré-moldada. Sabendo que as
leis sociais e o BDI praticado são, respectivamente,
100% e 20%, então o custo total para execução de duas
unidades de fossa séptica será de:


Provas
Questão presente nas seguintes provas
3919802
Ano: 2025
Disciplina: Engenharia Civil
Banca: AMEOSC
Orgão: Pref. São Miguel Oeste-SC
Disciplina: Engenharia Civil
Banca: AMEOSC
Orgão: Pref. São Miguel Oeste-SC
Provas:
Um contrato para execução de um loteamento com valor
de R$ 5.000.000,00 deveria cumprir rigorosamente a
data de entrega final acordada entre as partes
envolvidas. O contrato previa que cada dia de atraso, a
partir da data de entrega final do loteamento, acarretaria
multa de 0,25% do valor contratual. Considerando o
cronograma apresentado abaixo, com os prazos
previstos contratualmente e os reais executados,
pode-se concluir que a construtora/empreiteira teve que
pagar uma multa por atraso de:
Provas
Questão presente nas seguintes provas
3919801
Ano: 2025
Disciplina: Engenharia Civil
Banca: AMEOSC
Orgão: Pref. São Miguel Oeste-SC
Disciplina: Engenharia Civil
Banca: AMEOSC
Orgão: Pref. São Miguel Oeste-SC
Provas:
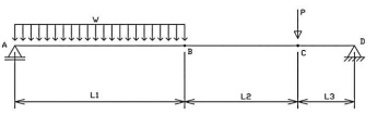
Considere a viga bi-apoiada de L metros de vão de
concreto armado com seção 20x40cm, conforme figura
fora de escala apresentada abaixo. A viga está sujeita,
além de seu peso próprio, a um carregamento distribuído
de W kN/m e uma carga pontual de P kN, conforme
posições da figura. Sabendo que o peso específico do
concreto é de 25kN/m³ então o momento fletor em B é:


Provas
Questão presente nas seguintes provas
3919800
Ano: 2025
Disciplina: Direito Tributário
Banca: AMEOSC
Orgão: Pref. São Miguel Oeste-SC
Disciplina: Direito Tributário
Banca: AMEOSC
Orgão: Pref. São Miguel Oeste-SC
Provas:
Prescrição e decadência são institutos distintos que
limitam temporalmente o exercício de direitos pela
Fazenda Pública. A distinção entre ambos e o
conhecimento dos prazos são fundamentais para a
atuação do fiscal de tributos. Considerando prescrição e
decadência tributárias, avalie as afirmativas e registre V,
para as afirmativas verdadeiras, e F, para as falsas:
(__)A decadência é a perda do direito da Fazenda Pública de constituir o crédito tributário mediante lançamento, ocorrendo o prazo decadencial de cinco anos contados do primeiro dia do exercício seguinte àquele em que o lançamento poderia ter sido efetuado nos tributos sujeitos a lançamento de ofício (IPTU), ou em cinco anos contados do fato gerador nos tributos sujeitos a lançamento por homologação quando não houver pagamento antecipado (ISSQN sem recolhimento).
(__)A prescrição é a perda do direito de a Fazenda Pública ajuizar a execução fiscal para cobrança do crédito tributário já constituído, ocorrendo em cinco anos contados da constituição definitiva do crédito, ou seja, após decisão administrativa irreformável que denegar recurso do contribuinte ou após escoamento do prazo sem impugnação administrativa, interrompendo-se a prescrição com o despacho do juiz que ordenar citação em execução fiscal.
(__)A decadência não se interrompe nem se suspende, sendo prazo fatal que, uma vez iniciado, corre inexoravelmente até seu término, diferentemente da prescrição, que admite causas de interrupção e suspensão previstas no Código Tributário Nacional e na legislação processual civil aplicável subsidiariamente.
(__)Tanto a decadência quanto a prescrição podem ser decretadas de ofício pelo juiz, independentemente de arguição do contribuinte, conforme alteração promovida pela Lei Complementar nº 118/2005 ao artigo 219, § 5º, do antigo CPC, posteriormente consolidada no atual CPC/2015, aplicando-se essas regras ao processo administrativo fiscal, em que autoridades julgadoras devem reconhecer de ofício prescrição e decadência.
Assinale a sequência correta:
(__)A decadência é a perda do direito da Fazenda Pública de constituir o crédito tributário mediante lançamento, ocorrendo o prazo decadencial de cinco anos contados do primeiro dia do exercício seguinte àquele em que o lançamento poderia ter sido efetuado nos tributos sujeitos a lançamento de ofício (IPTU), ou em cinco anos contados do fato gerador nos tributos sujeitos a lançamento por homologação quando não houver pagamento antecipado (ISSQN sem recolhimento).
(__)A prescrição é a perda do direito de a Fazenda Pública ajuizar a execução fiscal para cobrança do crédito tributário já constituído, ocorrendo em cinco anos contados da constituição definitiva do crédito, ou seja, após decisão administrativa irreformável que denegar recurso do contribuinte ou após escoamento do prazo sem impugnação administrativa, interrompendo-se a prescrição com o despacho do juiz que ordenar citação em execução fiscal.
(__)A decadência não se interrompe nem se suspende, sendo prazo fatal que, uma vez iniciado, corre inexoravelmente até seu término, diferentemente da prescrição, que admite causas de interrupção e suspensão previstas no Código Tributário Nacional e na legislação processual civil aplicável subsidiariamente.
(__)Tanto a decadência quanto a prescrição podem ser decretadas de ofício pelo juiz, independentemente de arguição do contribuinte, conforme alteração promovida pela Lei Complementar nº 118/2005 ao artigo 219, § 5º, do antigo CPC, posteriormente consolidada no atual CPC/2015, aplicando-se essas regras ao processo administrativo fiscal, em que autoridades julgadoras devem reconhecer de ofício prescrição e decadência.
Assinale a sequência correta:
Provas
Questão presente nas seguintes provas
A importância da revelação de radiografias está na
clareza da imagem, permitindo identificar problemas
como fraturas ou cáries, o que é essencial para o
planejamento do tratamento e a segurança do paciente.
Em um serviço público que ainda realiza o
processamento manual de filmes, assinale a sequência
CORRETA que corresponde à sequência que descreve
corretamente as etapas do processamento químico
tradicional.
Provas
Questão presente nas seguintes provas
Cadernos
Caderno Container