Foram encontradas 345 questões.
3469727
Ano: 2024
Disciplina: Segurança e Saúde no Trabalho (SST)
Banca: FUNDATEC
Orgão: SAAE-Viçosa
Disciplina: Segurança e Saúde no Trabalho (SST)
Banca: FUNDATEC
Orgão: SAAE-Viçosa
Provas:
O correto uso do Equipamento de Proteção Individual (EPI) é de suma importância
para promover a segurança do trabalhador. Com base em seus conhecimentos sobre as
responsabilidades do empregador e do trabalhador, assinale a alternativa que está corretamente
relacionada às responsabilidades do trabalhador.
Provas
Questão presente nas seguintes provas
3469726
Ano: 2024
Disciplina: Engenharia Ambiental e Sanitária
Banca: FUNDATEC
Orgão: SAAE-Viçosa
Disciplina: Engenharia Ambiental e Sanitária
Banca: FUNDATEC
Orgão: SAAE-Viçosa
Provas:
A água é um bem essencial à vida e, em contrapartida, sua disponibilidade é escassa.
Neste contexto, a sua contaminação é uma das maiores preocupações por parte dos gestores públicos
e privados. Com base em seus conhecimentos sobre este recurso tão valioso, assinale a alternativa
correta.
Provas
Questão presente nas seguintes provas
De forma simplificada, a hidráulica pode ser dividida em hidrostática e hidrodinâmica.
Sendo a hidrodinâmica a parte com maior envolvimento com as atividades relacionadas ao
abastecimento de água, estando ligada aos principais conceitos físicos como: vazão, volume, tempo,
etc. Em relação a esses conceitos, analise as assertivas abaixo e assinale V, se verdadeiras, ou F, se
falsas.
( ) O volume indica a quantidade de um líquido presente em um recipiente, a unidade de medida pode ser em metros cúbicos (m³) ou litros (L).
( ) A vazão, também chamada de descarga, tem unidade de medida em litros por segundo ao quadrado (L/s²).
( ) A pressão pode ser descrita como a força que este líquido exerce sobre a unidade da área desta unidade, tendo como unidade de medida o Pascal (Pa).
A ordem correta de preenchimento dos parênteses, de cima para baixo, é:
( ) O volume indica a quantidade de um líquido presente em um recipiente, a unidade de medida pode ser em metros cúbicos (m³) ou litros (L).
( ) A vazão, também chamada de descarga, tem unidade de medida em litros por segundo ao quadrado (L/s²).
( ) A pressão pode ser descrita como a força que este líquido exerce sobre a unidade da área desta unidade, tendo como unidade de medida o Pascal (Pa).
A ordem correta de preenchimento dos parênteses, de cima para baixo, é:
Provas
Questão presente nas seguintes provas
A instalação dos hidrômetros segue resoluções e normativas específicas e sua
instalação equivocada pode resultar em medições errôneas e causar danos ao aparelho. Sobre a
instalação de hidrômetros, assinale a alternativa INCORRETA.
Provas
Questão presente nas seguintes provas
O Tubo de Inspeção e Limpeza (TIL) é um dispositivo que permite a inspeção e
introdução de equipamentos de desobstrução e limpeza para manutenção de unidades lineares do
Sistema de Esgotamento Sanitário. Em relação ao TIL, assinale a alternativa correta.
Provas
Questão presente nas seguintes provas
Analise a Figura 15 abaixo:

Referente a um Sistema de Proteção de Descargas Atmosféricas (SPDA), relacione as indicações dos elementos X, Y, Z e W do sistema representado esquematicamente na Figura 15 às suas respectivas descrições.
( ) Rede Captora de descargas.
( ) Descidas.
( ) Aterramento.
( ) Equipotencializações, em cada pavimento, com a rede elétrica e com as ferragens estruturais.
A ordem correta de preenchimento dos parênteses, de cima para baixo, é:
Provas
Questão presente nas seguintes provas
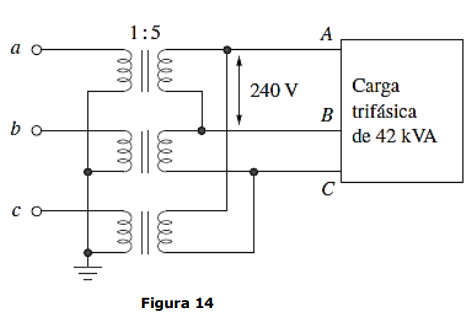
- EletrotécnicaCircuitos Trifásicos em Eletricidade
- EletrotécnicaCircuitos Elétricos em Eletricidade
- EletrotécnicaTransformadores
Com base na Figura 14 abaixo, que apresenta um circuito elétrico no qual uma carga
equilibrada de 42 kVA é alimentada por um transformador trifásico, assinale a alternativa correta.
Observação: considere transformador trifásico ideal, ou seja, sem perdas.


Provas
Questão presente nas seguintes provas
O circuito da Figura 13 abaixo representa um dispositivo de iluminação, no qual as
lâmpadas resistivas são todas de 60 W. Assinale a alternativa que apresenta a corrente total fornecida
pela fonte CA, 220 V, 60 Hz. Realize arredondamento a partir da segunda casa decimal.


Provas
Questão presente nas seguintes provas
- EletrotécnicaMedições Elétricas
- EletrotécnicaInstrumentos e Medições elétricas
- Instrumentos de medição
Assinale a alternativa que apresenta corretamente os nomes dos instrumentos e
equipamentos apresentados abaixo, usualmente empregados em medições de grandezas elétricas.


Provas
Questão presente nas seguintes provas
Analise a Figura 12 abaixo, referente ao funcionamento descrito pelo diagrama de
comando, e assinale a alternativa INCORRETA.


Provas
Questão presente nas seguintes provas
Cadernos
Caderno Container