Foram encontradas 540 questões.
No projeto de um sistema de áudio, necessita-se de um pré-amplificador de sinal na configuração Emissor Comum.
Entre os diagramas esquemáticos apresentados a seguir, qual representa um amplificador na configuração desejada para o projeto em questão?
Provas
Questão presente nas seguintes provas
No circuito da Figura abaixo, considere que a chave ideal S1 esteve aberta durante muito tempo, até que ela é fechada no instante t = 0.

Dessa forma, qual gráfico descreve o comportamento da corrente elétrica i2 (t) no resistor R2 do circuito em questão?
Provas
Questão presente nas seguintes provas
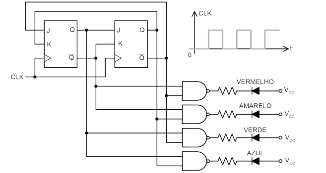
O circuito digital sequencial mostrado na Figura abaixo tem como objetivo controlar a sequência periódica de acendimento
de um conjunto de LEDs coloridos, de modo que apenas um LED acenderá em cada período do sinal de relógio CLK, a
partir do instante t = 0.

Considerando-se que todos os flip-flops do circuito estão no estado Q = 0 no instante inicial t = 0, qual será a sequência periódica de acendimento dos LEDs para t > 0?

Considerando-se que todos os flip-flops do circuito estão no estado Q = 0 no instante inicial t = 0, qual será a sequência periódica de acendimento dos LEDs para t > 0?
Provas
Questão presente nas seguintes provas
- EletromagnetismoForça e Circuito Magnético
- Transformadores e Máquinas ElétricasMáquinas EstáticasTransformador de Potência
Ao medir a saída de um sensor de pressão utilizando um
instrumento eletrônico, o técnico de eletrônica observa
que a leitura do instrumento é diferente quando a pressão
está aumentando, comparada a quando a pressão está
diminuindo, mesmo que o valor da pressão seja o mesmo
nos dois casos.
Esse fenômeno, em que o valor medido é dependente do histórico ou da direção da variação da grandeza medida, é conhecido como
Esse fenômeno, em que o valor medido é dependente do histórico ou da direção da variação da grandeza medida, é conhecido como
Provas
Questão presente nas seguintes provas
Em um sistema de automação industrial, um técnico em
eletrônica está usando um CLP para monitorar um sensor de proximidade que detecta peças metálicas em uma
esteira transportadora. O CLP que ele está utilizando tem
um tempo de varredura fixo de 300 ms.
Se o técnico quiser garantir que o CLP perceba corretamente cada peça detectada pelo sensor, o sinal do sensor de proximidade deve permanecer estável, seja ativo ou inativo, pelo tempo, em ms, de, no mínimo,
Se o técnico quiser garantir que o CLP perceba corretamente cada peça detectada pelo sensor, o sinal do sensor de proximidade deve permanecer estável, seja ativo ou inativo, pelo tempo, em ms, de, no mínimo,
Provas
Questão presente nas seguintes provas
A unidade da constante de força contra eletromotriz de um
motor elétrico de corrente contínua no sistema internacional de unidades é:
Provas
Questão presente nas seguintes provas
Sistemas de Segurança Instrumentados – SIS – são responsáveis pelo controle da segurança em processos industriais, sendo seu objetivo principal a garantia da segurança da indústria e do ambiente onde se faça necessária.
As normas de segurança vigentes para a indústria e que
norteiam o Sistema Instrumentado de Segurança apresentam uma série de condições e indicações para sua utilização, apresentando dois conceitos importantes para o
SIS: o de Nível de Integridade de Segurança (SIL) e o de
Ciclo de Vida de Segurança (SLC).
O SIL é um número inteiro que representa o nível aceitável de falha em um sistema de segurança, estabelecendo um valor mínimo para o menor risco, e outro, máximo, para o maior risco, respectivamente, iguais a
O SIL é um número inteiro que representa o nível aceitável de falha em um sistema de segurança, estabelecendo um valor mínimo para o menor risco, e outro, máximo, para o maior risco, respectivamente, iguais a
Provas
Questão presente nas seguintes provas
- Circuitos Elétricos
- Instalações ElétricasEquipamentos em Média Tensão
- Sistemas Elétricos de PotênciaDistribuição de Energia Elétrica
No que se refere aos diagramas elétricos, sua correta
leitura e interpretação é essencial para a carreira de um
bom técnico, pois constitui um recurso que garante uma
linguagem comum a qualquer profissional do ramo elétrico, sendo o desenho uma representação visual universal.
Entre os tipos de diagramas elétricos, um é o mais usado
pelos eletricistas instaladores nas obras, sendo desenhado sobre a planta baixa e apresentando os dispositivos e
o trajeto dos condutores rigidamente em suas posições
físicas, apesar de ser em uma representação bidimensional.
Esse tipo é conhecido como diagrama
Esse tipo é conhecido como diagrama
Provas
Questão presente nas seguintes provas
A Norma ISA S5.1 estabelece os símbolos gráficos para
identificação dos instrumentos e dos sistemas de instrumentação usados para medição e controle, apresentando
um sistema de designação que inclui código de identificação.
Um símbolo padronizado é empregado para o sinal hidráulico entre os tipos de conexão, enquanto outro é utilizado para indicar válvulas de controle com atuador elétrico. Esses símbolos são, respectivamente:
Um símbolo padronizado é empregado para o sinal hidráulico entre os tipos de conexão, enquanto outro é utilizado para indicar válvulas de controle com atuador elétrico. Esses símbolos são, respectivamente:
Provas
Questão presente nas seguintes provas
Fluidos, que incluem os líquidos e os gases, são substâncias capazes de escoar e que se deformam com facilidade. Nesse contexto, um fluido ideal de massa específica
igual a 0,4 g/cm³ encontra-se em equilíbrio hidrostático
quando armazenado em um recipiente rígido e fechado,
ocupando, assim, todo o seu volume.
Qual é o valor da pressão hidrostática, em Pa, exercida pelo fluido em um recipiente, se a área da base, de formato cilíndrico, é igual a 0,25 m², e a sua altura é de 2,5 m?
Qual é o valor da pressão hidrostática, em Pa, exercida pelo fluido em um recipiente, se a área da base, de formato cilíndrico, é igual a 0,25 m², e a sua altura é de 2,5 m?
Provas
Questão presente nas seguintes provas
Cadernos
Caderno Container