Magna Concursos

Foram encontradas 540 questões.

2997354 Ano: 2023
Disciplina: Engenharia Elétrica
Banca: CESGRANRIO
Orgão: Transpetro
Em uma instalação elétrica de baixa tensão residencial, o esquema de aterramento mais apropriado é o TN. Diante de um choque elétrico no usuário da instalação, por meio de um contato indireto, verifica-se que a corrente de falta para esse esquema de aterramento é
 

Provas

Questão presente nas seguintes provas
2997353 Ano: 2023
Disciplina: Engenharia Elétrica
Banca: CESGRANRIO
Orgão: Transpetro
Considere um motor de corrente contínua, tipo de excitação shunt, tensão terminal de 400 V, que drena da rede uma corrente de 50 A. Considere, ainda, que a resistência total do campo shunt é de 50 Ω, e que a resistência de armadura é de 0,5 Ω.
Nas suas condições de operação, o motor possui perdas por atrito, por ventilação e do núcleo, totalizando 500 W.
Diante do exposto, a potência de saída do motor, em kW, é, aproximadamente, de:
 

Provas

Questão presente nas seguintes provas
2997352 Ano: 2023
Disciplina: Engenharia Elétrica
Banca: CESGRANRIO
Orgão: Transpetro
Considere um condutor elétrico de comprimento igual a 0,5 m, instalado no eixo y de um sistema cartesiano. O condutor é percorrido por uma corrente elétrica de 10 A que se desloca no sentido positivo do eixo y.
Esse mesmo condutor encontra-se em uma região do espaço na qual a densidade de fluxo magnético é de 2 T e que aponta para dentro do plano da página.
Diante do exposto, constata-se que a força induzida no condutor é
 

Provas

Questão presente nas seguintes provas
2997351 Ano: 2023
Disciplina: Engenharia Elétrica
Banca: CESGRANRIO
Orgão: Transpetro

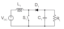
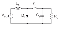
Em sistemas de geração de energia solar, são comumente empregados conversores CC-CC do tipo boost para elevar a tensão entregue pelo painel solar. Considerando-se que a fonte VDC representa a tensão entregue pelo painel solar e que RL é a carga alimentada pela energia gerada pelo sistema, o circuito do conversor boost está representado no seguinte diagrama esquemático:

 

Provas

Questão presente nas seguintes provas
2997350 Ano: 2023
Disciplina: Engenharia Elétrica
Banca: CESGRANRIO
Orgão: Transpetro

Uma balança digital entrega na sua saída um número de três bits — X2 X1 X0 —, que representa, em base binária, o valor inteiro da massa M depositada em sua bandeja, onde X2 é o bit mais significativo, e X0 , o menos significativo. Os sinais digitais X2 , X1 e X0 são aplicados a um circuito lógico combinacional, conforme ilustrado na Figura abaixo, que deve produzir Y = 1 na saída, apenas quando a massa M apresentar 1, 3 ou 5 kg.

Enunciado 3399513-1


Dessa forma, o circuito lógico combinacional que executa a função desejada para essa balança é dado por:
 

Provas

Questão presente nas seguintes provas
2997349 Ano: 2023
Disciplina: Engenharia Elétrica
Banca: CESGRANRIO
Orgão: Transpetro
Considere um transistor bipolar de junção NPN, com parâmetro β igual a 100, tensão entre base e emissor VBE igual a 0,7 V, e tensão entre coletor e emissor desprezível, conectado a uma fonte de alimentação de corrente contínua, com tensão positiva VCC igual a 12 V e tensão negativa 0 V, considerada como terra, da forma descrita a seguir. A base do transistor está conectada ao positivo da fonte por intermédio de um resistor RB de resistência 2 MΩ, o coletor está conectado ao positivo da fonte por intermédio de um resistor RC de resistência 4 kΩ, e o emissor está conectado diretamente ao negativo da fonte.
Nessas condições, o valor da tensão, em V, entre coletor e emissor do transistor é
 

Provas

Questão presente nas seguintes provas
2997348 Ano: 2023
Disciplina: Engenharia Elétrica
Banca: CESGRANRIO
Orgão: Transpetro
Costuma-se dizer que uma pessoa recebeu um choque elétrico quando seu corpo (ou parte) funciona como uma “ponte” para correntes elétricas. Tipicamente, correntes da ordem de 10 mA e superiores já são perigosas, e a resistência típica do corpo pode variar muito. Considere uma situação em que uma pessoa tocou, descalça e com a mão úmida, um fio desencapado, e o valor de sua resistência elétrica equivalente foi de apenas 0,5 kΩ.
Nessas condições, e admitindo-se que a diferença de potencial elétrico sofrida é de 220 V, a corrente típica, em amperes, que passou pelo corpo dessa pessoa foi igual a
 

Provas

Questão presente nas seguintes provas
2997347 Ano: 2023
Disciplina: Engenharia Elétrica
Banca: CESGRANRIO
Orgão: Transpetro
Uma bateria de automóvel de 12 V, operando com sua resistência interna em 4 Ω, alimenta uma carga resistiva, que consome uma corrente elétrica de 0,5 A.
Qual é a potência, em W, dissipada pela carga resistiva?
 

Provas

Questão presente nas seguintes provas
2997346 Ano: 2023
Disciplina: Engenharia Elétrica
Banca: CESGRANRIO
Orgão: Transpetro
Considere o circuito elétrico mostrado na Figura, em que todos os componentes são considerados ideais.

Enunciado 3399567-1


Se for aplicado um curto circuito entre os pontos a e b, a potência elétrica total fornecida pela bateria, em W, será de
 

Provas

Questão presente nas seguintes provas
2997345 Ano: 2023
Disciplina: Engenharia Elétrica
Banca: CESGRANRIO
Orgão: Transpetro
A unidade de energia no Sistema Internacional de Unidades, SI, é o joule. Os medidores de energia elétrica comumente instalados nas residências medem a energia em kWh.
Quanto vale, em joule, 1 kWh?
 

Provas

Questão presente nas seguintes provas