Foram encontradas 384 questões.
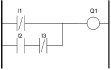
Considere o diagrama Ladder a seguir:

É CORRETO afirmar que este diagrama Ladder apresenta a função lógica dada por:
Provas
Questão presente nas seguintes provas
Em relação ao AutoCAD, é INCORRETO afirmar:
Provas
Questão presente nas seguintes provas
Leia o texto 1 para responder a questão.
TEXTO 1
MERCADO DE TRABALHO ABRE OS BRAÇOS PARA MAIORES DE 65 ANOS
Já se foi o tempo em que pessoas com mais de 65 anos não conseguiam uma colocação no mercado de trabalho. Segundo o Ministério do Trabalho, os setores públicos e privados contrataram 320 mil maiores de 65 anos em vagas formais em 2009 – 7,08% mais do que no ano anterior.
Para a pesquisadora do Ipea (Instituto de Pesquisa Aplicada), Ana Amélia Camarano, a volta de trabalhadores aposentados é um fenômeno recente no Brasil e está fortemente associado às melhorias nas condições de saúde da população. “Os 70 anos de hoje equivalem aos 50 de décadas atrás”, diz. Além disso, dois motivos levam as pessoas avoltarem à ativa: as de escolaridade mais baixa precisam complementar a renda e as escolarizadas estão sendo procuradas pelo mercado. “Basta observar que todos sempre procuram médicos e advogados com mais experiência, a qual só é alcançada com a idade”, analisa Camarano.
Além dos constantes recordes de geração de empregos, as empresas optam por esses profissionais quando a atividade exige mais lentidão, responsabilidade, disponibilidade e respeito ao horário.
Além dos constantes recordes de geração de empregos, as empresas optam por esses profissionais quando a atividade exige mais lentidão, responsabilidade, disponibilidade e respeito ao horário.
Para os geriatras, o trabalho pode proporcionar longevidade, pois a rotina imposta ajuda a inserir o idoso na sociedade, cria círculos de amizades, estimula a memória e a concentração. Mas os especialistas lembram que é importante analisar se a atividade demanda grande esforço físico: carregar peso, ficar muito tempo em pé ou se é muito cansativa. “Não existe idade máxima para se trabalhar, existe a capacidade que a pessoa tem”, avalia Sílvia Regina.
Fonte:Disponível em http://revista.brasil.gov.br/reportagens/mercado-de-trabalho-abre-os-bracos-para-maiores-de-65-
anos(Fragmento)
Acesso em 09/11/2012.
O texto lido tem como objetivo principal:
Provas
Questão presente nas seguintes provas
Leia o texto 1 para responder a questão.
TEXTO 1
TRABALHAR, TRABALHAR, TRABALHAR...
Já está na hora de encerrarmos de vez aquele papo-dito-popular de que trabalhador brasileiro é preguiçoso, malemolente, louco para não fazer nada e coisital. Ou trabalha se for apertado. Andei consultando uns dados da OIT (Organização Internacional do Trabalho), agência multilateral ligada à ONU. Lá está: na indústria, semanalmente, trabalhamos 8 horas a mais que o americano, 11 horas a mais que o alemão e empatamos com os tigres asiáticos. Isso, não computando às estatísticas a nossa portentosa e corajosa criatividade.
E a nossa capacidade de sobrevivência? Vai aí um caso apenas, para ilustrar.
O baiano Vildomar Aparecido dos Santos (vulgo Baião de Dois) ficou perdido por seis meses em Bagdá. Não sabia falar um a de árabe. E mal escrevia o nome. Mas se virou, vendendo bugigangas e salamaleques no suki de Rusafa. Até ser descoberto pelo pessoal da imprensa, com saia, turbante e tudo... E já arranhando o árabe direitinho.
Caminhoneiro nosso, por exemplo, rala três vezes mais que os americanos ou os franceses. E se pegarmos a coisa pelo viés da economia informal? Aí é que o urubu viaja. Camelô, por exemplo, não fica na raleira do centro da cidade menos que 12 horas diárias. E é de segunda a sábado. O que dá 72 horas por semana. Fora domingo, quando o camarada ainda faz mutirão pra ajudar vizinho a levantar o barraco. Ou muda de ramo, pra fazer mais biscate, ali, onde houver maior ajuntamento de povo. É só fazer um circuito pelo centro da cidade pra ver, ouvir e conferir. E trampando o feio, pro bonito comer.
Aí me pergunto: pra quê? Pra entregar pro desgoverno, em nome do chamado imposto-cidadão? E que imposto é esse que nos volta, apenas, com o nome de corrupção? É pra pagar a prestação de um sonho ou reinvestir no pesadelo? Qual o perfil de dignidade que deveria sobrar na alma desse trabalhador, após um dia inteiro de correria da polícia, dos fiscais da prefeitura e até dos próprios patrões?
“O trabalho dignifica o homem”, está nos livros. Mas vá a gente, outrora pequenos burgueses (os que agora habitamos a pirâmide da famigerada Classe C ou D), enfrentar uma onça dessas?
Colega meu de Sampa, professor desempregado e meio maluco, foi ao Paraguai. Comprou tudo o que lhe sobrou do FGTS em mercadorias batizadas. Depois fez o teste: “alugou”, por um dia, um determinado ponto na 25 de Março. Montou a banca e vendeu tudo o que quis. Voltou com bolhas nos pés, garganta rouca e olho ardendo. Coluna empenada, cecê no sovaco e zumbido no ouvido. Taquicardia, pressão alta e estresse suficiente pra um mês inteiro. Diz que nunca mais volta. É o inferno travestido de purgatório. Melhor ser professor desempregado... Ou intelectual autônomo da palavra.
E eu nem falei ainda dos milhões de brasileiros que – apesar do Estatuto da Criança e do Adolescente – começam a trabalhar antes dos 14 anos. Já trocando o lápis pela foice, pelos sinais de trânsito e pela enxada.
Fonte: Antonio Barreto (Fragmento) Adaptado.
Acesso em 09/11/2012.
A expressão “Aí é que o urubu viaja” exprime:
Provas
Questão presente nas seguintes provas
Para determinar a concentração de ácido lático !$ (CH_3CH(OH)COOH) !$ em leite, 20,00 mL da amostra foram transferidos para um Erlenmeyer de 250 mL, o qual já continha aproximadamente 20 mL de água deionizada e algumas gotas de fenolftaleína. A amostra foi titulada com solução padrão de !$ NaOH \,0,0250\, mol\,L^{-1} !$, sendo necessários 12,40 mL da base para alcançar o ponto final.
Considere: massa molar do !$ CH_3CH(OH)COOH (g\, mol^{ -1}): 90,0 !$.
!$ CH_3CH(OH)COOH_{(aq)} + NaOH_{(aq)} \rightarrow CH_3CH(OH)COO^- _{(aq)} + Na^+ (aq) + H_2O_{(\ell)} !$
A concentração de ácido lático no leite é:
Provas
Questão presente nas seguintes provas
Considere as seguintes proposições a respeito da medição de temperatura:
I – Os termopares são classificados como sensores ativos, pois geram um sinal elétrico a partir de diferença de temperatura sem necessitar de alimentação.
II – Os termoresistores metálicos possuem como principais características a ampla faixa de operação. A implementação de um termômetro com termoresistores pode ser realizada com o emprego de um circuito em ponte de Wheatstone.
III – Os termistores, assim como os termoresistores metálicos, são termômetros cuja resistência elétrica é alterada de acordo com a temperatura. No entanto, os termistores são constituídos de materiais semicondutores, possuindo, normalmente, um menor coeficiente de variação da resistência elétrica em relação à mudança de temperatura.
IV – O PT100 é uma termoresistência produzida de platina, largamente utilizada na indústria, cuja resistência à temperatura 0°c é 100 !$ Ω !$.
Assinale a alternativa CORRETA:
Provas
Questão presente nas seguintes provas
Foi apresentado ao marceneiro um desenho que continha uma linha de 10 cm na escala de 1:100. Mudando para a escala 1:50, essa linha teria:
Provas
Questão presente nas seguintes provas
Observe a sequência de números:
1, 2, 3, 4, 5, 1, 2, 3, 4, 5, 1, 2, 3, 4, 5,...
O número que está na 937ª posição é:
Provas
Questão presente nas seguintes provas
Entre todas as máquinas utilizadas em marcenaria é considerada a mais perigosa; sua velocidade se situa entre 4500 rpm a 5000 rpm e é muito utilizada para produção de molduras. Assinale a alternativa que contém o nome da máquina ora descrita:
Provas
Questão presente nas seguintes provas
A determinação do pH de uma solução pode ser feita por potenciometria utilizando um eletrodo de vidro combinado. Esse eletrodo contém um eletrodo indicador e dois eletrodos de referência (um interno e outro externo) em uma única sonda. Apresentam-se as proposições a respeito do eletrodo de vidro combinado:
I – O eletrodo indicador tem uma fina membrana de fluoreto de lantânio !$ (LaF_3) !$ sensível aos íons !$ H^+ !$.
II – Um eletrodo !$ Ag│AgC\ell !$ (saturado), !$ KC\ell !$ (saturado) é um eletrodo de referência.
III – A determinação do pH com esse eletrodo pode apresentar erros para valores de pH muito altos (pH > 12) ou muito baixos (pH < 1).
Assinale a alternativa CORRETA:
Provas
Questão presente nas seguintes provas
Cadernos
Caderno Container