Foram encontradas 1.914 questões.
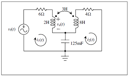
Para o circuito elétrico da Figura, dado que !$ v_f(t) !$ !$ = !$ !$ 40cos(2t) !$ !$ V !$, e que a frequência angular de !$ v_f(t) !$ é dada em radianos por segundo, e considerando !$ j !$ !$ = !$ !$ \sqrt{-1} !$, pode-se afirmar que a equação correta para o fasor tensão !$ V_a !$ equivalente para !$ v_a(t) !$, em função das correntes fasoriais de malha (!$ I_1 !$ e !$ I_2 !$) equivalentes para !$ i_1(t) !$ e !$ i_2(t) !$, respectivamente, é:

Provas
Questão presente nas seguintes provas
- PODC: Processo OrganizacionalProcesso Administrativo: PlanejamentoIntrodução ao Processo de Planejamento
O Planejamento é um ato de preparação para qualquer empreendimento, segundo roteiro e métodos determinados. Nesse pressuposto, reafirma-se a ideia de que:
Provas
Questão presente nas seguintes provas
Os fungos apresentam diversidade e complexidade das estruturas somáticas e reprodutivas caracterizando os diferentes Filos que compõem esse Reino. Qual estrutura abaixo é procedente de uma reprodução sexuada?
Provas
Questão presente nas seguintes provas
Com os dados das notas de redação, no último concurso público para estatístico, foi construída uma distribuição de frequência com 5 intervalos de amplitudes iguais a 2, cuja nota mínima foi zero. O polígono da frequência relativa acumulada crescente é dado por:

A partir das informações obtidas através da figura, analise as seguintes afirmativas com relação às medidas de posição:
1) a nota média é igual à nota mediana.
2) a nota mediana é 50.
3) a média é maior que a mediana.
4) a média é 4,3.
5) não é possível calcular a média.
Estão corretas, apenas:
Provas
Questão presente nas seguintes provas
1814835
Ano: 2016
Disciplina: Administração Financeira e Orçamentária
Banca: COVEST-COPSET
Orgão: UFPE
Disciplina: Administração Financeira e Orçamentária
Banca: COVEST-COPSET
Orgão: UFPE
Provas:
Constitui uma Receita Extraorçamentária:
Provas
Questão presente nas seguintes provas
A delimitação de papéis na escola não significa a fragmentação de funções, mas:
Provas
Questão presente nas seguintes provas
Sobre Fundamentos de Sistemas Operacionais, é correto afirmar que:
Provas
Questão presente nas seguintes provas
Uma organização define para si uma série de objetivos estratégicos. A partir daí, ela deseja saber o que precisa ser melhorado em todos os aspectos relativos a TI. No que diz respeito à Gestão de Riscos e Conformidade (compliance), é correto afirmar que:
Provas
Questão presente nas seguintes provas
Os editores de texto são programas importantíssimos tanto para desenvolvedores como para usuários comuns. Indique a única alternativa que apresenta o editor de texto que é ao mesmo tempo o mais comum (disponibilizado) e o mais leve (menor) de todas as distribuições Linux.
Provas
Questão presente nas seguintes provas
A Empresa X S/A apresentava em seu patrimônio os seguintes valores:
| Contas | Valores R$ |
| Dinheiro na tesouraria | 3.000,00 |
| Dinheiro no banco | 9.200,00 |
| Mercadorias para revenda | 90.000,00 |
| Material de consumo | 7.200,00 |
| Máquinas para uso próprio | 100.000,00 |
| Duplicatas emitidas pela empresa | 28.000,00 |
| Duplicatas aceitas pela empresa | 45.200,00 |
| Notas promissórias emitidas pela empresa | 56.000,00 |
| Notas promissórias emitidas por terceiros | 65.000,00 |
| Empréstimos obtidos pela empresa | 65.600,00 |
| Empréstimos concedidos a terceiros | 44.800,00 |
| Capital Social | 200.000,00 |
De acordo com as informações do quadro acima, pode-se afirmar que a Empresa X S/A, nas suas relações com terceiros, possui créditos e dívidas, respectivamente, de:
Provas
Questão presente nas seguintes provas
Cadernos
Caderno Container