Foram encontradas 1.914 questões.
Tem o objetivo de agrupar os documentos sob um mesmo tema, como forma de agilizar sua recuperação e facilitar as tarefas arquivísticas. Estamos definindo:
Provas
Questão presente nas seguintes provas
A família dos porquês
A lógica costuma definir três modalidades distintas no uso do termo “porque”: o “porque” causa (“a jarra espatifou-se porque caiu ao chão”); o explicativo (“recusei o doce porque desejo emagrecer”); e o indicador de argumento (“volte logo, você sabe por quê”). O pensamento científico revelouse uma arma inigualável quando se trata de identificar, expor e demolir os falsos porquês que povoam a imaginação humana desde os tempos imemoriais: as causas imaginárias dos acontecimentos, as pseudoexplicações de toda sorte e os argumentos falaciosos.
Mas o preço de tudo isso foi uma progressiva clausura ou estreitamento do âmbito do que é ilegítimo indagar. Imagine, por exemplo, o seguinte diálogo. Alguém sob o impacto da morte de uma pessoa especialmente querida está inconformado com a perda e exclama: “Eu não consigo entender, isso não podia ter acontecido, por que não eu? Por que uma criatura tão jovem e cheia de vida morre assim?!”. Um médico solícito entreouve o desabafo no corredor do hospital e responde: “Sinto muito pela perda, mas eu examinei o caso da sua filha e posso dizer-lhe o que houve: ela padecia, ao que tudo indica, de uma máformação vascular, e foi vítima da ruptura da artéria carótida interna que irriga o lobo temporal direito; ficamos surpresos que ela tenha sobrevivido tantos anos sem que a moléstia se manifestasse”.
A explicação do médico, admita-se, é irretocável; mas seria essa a resposta ao “por quê” do pai inconsolável? Os porquês da ciência são por natureza rasos: mapas, registros e explicações cada vez mais precisas e minuciosas da superfície causal do que acontece. Eles excluem de antemão como ilegítimos os porquês que mais importam. O “porquê” da ciência médica nem sequer arranha o “por quê” do pai. Perguntar “por que os homens estão aqui na face da Terra”, afirma o biólogo francês Jacques Monod, é como perguntar “por que fulano e não beltrano ganhou na loteria”.
No macrocosmo não menos que no microcosmo da vida, as mãos de ferro da necessidade brincam com o copo de dados do acaso por toda a eternidade. Mas, se tudo começa e termina em bioquímica, então por que – e para que – tanto sofrimento?
In: GIANNETTI, Eduardo. Trópicos utópicos. São Paulo: Companhia das Letras, 2016. p. 25-26. Adaptado.
Quando o autor do Texto afirma que “os porquês da ciência são por natureza rasos” (3º parágrafo), ele quer dizer que:
Provas
Questão presente nas seguintes provas
Quanto à manutenção documental, analise as seguintes afirmativas:
1) ordenar consiste na guarda de documentos em locais adequados e nas melhores condições possíveis.
2) difundir objetiva a redistribuição da informação arquivada às pessoas e aos órgãos diretamente interessados.
3) ordenar consiste em selecionar os documentos, de acordo com o planejamento e a programação determinados.
Está(ão) correta(s), apenas:
Provas
Questão presente nas seguintes provas
Uma porta digital de potência fornece 0 ou 5 V. Desejando-se utilizar essa porta para acender um LED com 20 mA, a tensão do LED com 20 mA é de 3 V. O valor da resistência que deve ser colocada em série com o LED é:
Provas
Questão presente nas seguintes provas
1814713
Ano: 2016
Disciplina: TI - Desenvolvimento de Sistemas
Banca: COVEST-COPSET
Orgão: UFPE
Disciplina: TI - Desenvolvimento de Sistemas
Banca: COVEST-COPSET
Orgão: UFPE
Provas:
Considere que na sua instituição será necessário modelar, exclusivamente em UML (Unified Modeling Language): (i) os processos de negócio na instituição, visando melhorá-los com o desenvolvimento de um sistema orientado a objetos; e (ii) o comportamento desse sistema, em termos da colaboração entre os objetos das classes que compõem o sistema e que irão implementar a sua funcionalidade, por meio de troca de mensagens.
Os diagramas que devem ser utilizados para
modelar os itens (i) e (ii) são, respectivamente:
Provas
Questão presente nas seguintes provas
Quanto aos arquivos, assinale a alternativa correta.
Provas
Questão presente nas seguintes provas
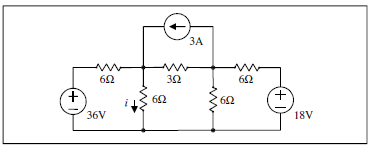
O valor da corrente i, indicada no circuito elétrico apresentado na Figura, é:

Provas
Questão presente nas seguintes provas
Os homens ingerem, em média, 2700 calorias diariamente, enquanto as mulheres ingerem, em média, duas mil calorias. Que procedimento deve-se adotar, para saber se há diferença entre os gêneros, quanto à ingestão de calorias?

Provas
Questão presente nas seguintes provas
1814687
Ano: 2016
Disciplina: TI - Desenvolvimento de Sistemas
Banca: COVEST-COPSET
Orgão: UFPE
Disciplina: TI - Desenvolvimento de Sistemas
Banca: COVEST-COPSET
Orgão: UFPE
Provas:
AA respeito de arquiteturas orientadas a serviços (SOA), qual alternativa abaixo é correta?
Provas
Questão presente nas seguintes provas
Information Technology Infrastructure Library (ITIL) é um conjunto de boas práticas para serem aplicadas na infraestrutura, operação e gerenciamento de serviços de tecnologia da informação. A abordagem da versão 3 do ITIL é focada no ciclo de vida de serviços. Com base na abordagem de Gerenciamento de Serviços, é incorreto afirmar que:
Provas
Questão presente nas seguintes provas
Cadernos
Caderno Container