Foram encontradas 255 questões.
Acordes com mais de três sons, sobrepondo 3 terceiras, dá-se origem aos acordes de sétima; sobrepondo 4 terceiras, formam-se os acordes de sétima e nona. O acorde construído sobre o IV grau é:
Provas
Questão presente nas seguintes provas
Para o manejo correto de um sistema de irrigação, uma das alternativas é se definir previamente o turno de rega, para em seguida se determinar a lâmina de água que deve ser aplicada em cada irrigação. O turno de rega pode ser definido como:
Provas
Questão presente nas seguintes provas
Com base na composição morfossintática do período “Não há sexo frágil”, assinale a opção CORRETA.
Provas
Questão presente nas seguintes provas
A ovinocultura de corte ocupa lugar de destaque na produção animal no Nordeste Brasileiro. Existem mundialmente mais de 200 raças conhecidas. Marque a opção que corresponde à sequência de três raça ovinas com aptidão para produção de carne.
Provas
Questão presente nas seguintes provas
As ferramentas de aço rápido utilizadas no processo de torneamento são compostas por vários ângulos, os quais são medidos através da interseção de planos e superfícies. Observando o plano de referência de uma ferramenta universal de torneamento, pode-se destacar três ângulos: o ângulo de posição, o ângulo de ponta e o ângulo de posição secundário. A soma desses três ângulos tem como resultado:
Provas
Questão presente nas seguintes provas
É contraindicação para inibição do Trabalho de Parto Prematuro:
Provas
Questão presente nas seguintes provas
Analise os afirmações a seguir:
- Fato 1: Carlos tem 4 veículos.
- Fato 2: Dois dos veículos são vermelhos.
- Fato 3: Um dos veículos é uma minivan.
Se as três primeiras afirmações são fatos, então acerca das afirmações abaixo pode-se dizer que:
I. Carlos tem uma minivan vermelha.
II. Carlos tem três carros.
III. A cor favorita de Carlos é vermelho.
Provas
Questão presente nas seguintes provas
O CÉREBRO CORRUPTO
A corrupção não é exclusiva da espécie humana, do poder político e empresarial, mas também da sociedade que de certa forma a exerce ou, pelo menos, a tolera.
A corrupção pode ser definida, em um sentido social, como uma crença compartilhada, expandida e tolerada de que o uso da função pública é feito para o benefício de si mesmo, da própria família e de amigos. Mas não é uma novidade moderna. Como bem descreve o World Development Report de 2015, a corrupção foi a norma social por excelência na maior parte da história. O princípio de que todas as pessoas são iguais perante a lei surgiu progressivamente na história e em muitos países ainda é uma tarefa pendente. A corrupção não é exclusiva da espécie humana (foram observadas condutas corruptas em chimpanzés, abelhas e formigas). Entre os seres humanos, não é exclusividade do poder público (mas existe) e de empresários agiotas (mas existem), mas também da sociedade que de certa forma a exerce ou, pelo menos, a tolera.
O tema da corrupção foi estudado pela sociologia e as ciências políticas, pela história e o direito. Mas é importante levar em consideração que o comportamento humano pode ter causas ao mesmo tempo biológicas, psicológicas, culturais e sociais, que interagem para influenciar e não são necessariamente disjuntivas. Em 2014, a revista científica Frontiers in Behavioral Neuroscience publicou o resultado de uma experiência na qual foi medida a condutividade da pele, que é uma medida de variação emocional geral, ao se oferecer um suborno, recebê-lo e esperar para ver se foi descoberta a trama corrupta na qual a pessoa estava envolvida. Um leilão foi simulado e as pessoas tiveram a possibilidade de subornar o leiloeiro para obter benefícios. Nas primeiras vezes, podiam subornar livremente, mas depois o perdedor podia exigir que a operação fosse inspecionada. Entre os resultados viu-se que tanto leiloeiros quanto corruptores eram menos corruptos quando sabiam que poderiam ser observados. Além disso, a atividade eletro-dérmica aumentou quando a pessoa decidiu de forma positiva, honesta e pró-social. O olhar do outro (ou o possível olhar do outro) é o que sanciona o oportunismo.
É isso que também causa nos participantes da experiência o medo de serem descobertos e a ansiedade. É certo que existe um outro olhar do outro possível: um olhar cúmplice e complacente, de uma pessoa e de uma sociedade que justificam a ação. Se não existe sanção social, se perdemos o mecanismo de prêmios e punições, o crime fica naturalizado. Mediante o estudo de nosso comportamento evolutivo e a resolução de dilemas morais, foi observado que não importam a cultura, idade, classe social e religião, o homem é corrupto por natureza: pensa primeiro no bem próprio e depois considera regras morais e sociais; suas punições e suas percepções. Não realizar atos de corrupção implica uma atitude pró-social frente a uma atitude que visa exclusivamente o bem individual. A lei e o olhar social influem positivamente em nossa conduta.
A corrupção é uma condição já que, se é uma decisão individual cometer atos desse tipo, na realidade não se trata somente de uma conduta singular desviada. Em outras palavras, não existem seres humanos corruptos, mas uma sociedade corrupta na qual os seres humanos (dispostos à corrupção) agem. Em um estudo realizado pelo pesquisador Dan Ariely, foi observado que um pequeno suborno pode ter uma influência dramática no comportamento moral de um indivíduo. Nessa experiência, os participantes que receberam um pequeno suborno passaram depois a enganar e roubar em tarefas posteriores. Essa descoberta pode ter consequências importantes para a compreensão das normas sociais que conduzem à corrupção generalizada nos governos, nas instituições e na sociedade. Todos os países têm corrupção e seres humanos corruptos. A diferença, em parte, está em quanto a corrupção é tolerada nessa sociedade. Entrevistas qualitativas realizadas com especialistas em corrupção e em diversas áreas (política, comércio exterior, indústria farmacêutica e da construção, esporte), podem mostrar uma tendência comum das organizações corruptas. Dois psicólogos realizaram isso e concluíram que as organizações corruptas costumam se autoperceber como tal em situações como durante uma guerra, o que as faz manter a atitude de que os fins justificam os meios. Isso tem implicações nos valores gerais da organização: racionalizar a falta de ética e punir os que não são corruptos. Mas não, essa “guerra” é somente um pretexto do corrupto.
O relatório Mente, Sociedade e Conduta elaborado pelo Banco Mundial menciona que nesses países nos quais a corrupção é uma norma aceita e não existe punição e sanção social para tal conduta, é possível se chegar ao extremo de que parte da sociedade não respeite e até mesmo caçoe do funcionário honesto. Por sua parte, muitas dessas pessoas que no privado criticam a corrupção não se rebelam contra o sistema para não ficarem isoladas e tachadas como “diferentes”. Existem situações nas quais até mesmo policiais foram punidos (por seus colegas e por seu entorno social) por não aceitarem subornos, serem honestos e violarem a norma estabelecida. O mesmo relatório descreve como pessoas de países com alto índice de corrupção que têm imunidade diplomática em Nova York e, por conta disso, não precisam pagar por multas de trânsito, têm mais infrações do que diplomatas que vêm de países com menor índice. Isso traz evidências à ideia de que a corrupção, em parte, é influenciada por normas sociais internalizadas.
Foram feitas diversas experiências para mostrar sob quais circunstâncias as pessoas se mostram mais predispostas a agir em benefício do bem comum (como, por exemplo, quando pagam os impostos) e sob quais circunstâncias agem de modo mais egoísta. Um tipo de tarefa experimental utilizada é o “jogo dos bens públicos”. Um exemplo desse jogo seria pessoas em um grupo receberem 400 reais cada e poderem decidir quanto colocarão secretamente em um fundo comum que será duplicado pelo administrador. Ou seja, se uma pessoa não coloca nada no fundo comum e o restante coloca seus 400, essa pessoa receberá mais dinheiro (seus 400 originais somados à partilha do dobro do colocado pelo restante). Quando se joga mais de uma rodada, os jogadores começam a ver que nem todos estão colocando o que poderiam colocar e estão se beneficiando à custa dos outros (já que a partilha final poderia ser maior). Portanto, eles mesmos diminuem sua contribuição.
O resultado é que a atitude egoísta de poucos contagia os que originalmente mais cooperavam. A cooperação costuma ocorrer quando as pessoas sentem que se ajudarem, receberão algo em troca, mesmo que seja em um futuro distante (conceito essencial para o pagamento de impostos em relação aos benefícios em saúde, educação, segurança, etc.). Também se dá quando as pessoas se sentem observadas. Isso acontece até mesmo com uma foto de um par de olhos, que em uma praça faz com que se aumente a quantidade de coleta das fezes dos cachorros; em um escritório, faz aumentar a quantidade de doações para o café de todos; em um laboratório, reduz a quantidade de más ações. Nosso cérebro responde automaticamente ao olhar do outro, seja real ou artificial, produto da evolução. Sermos reconhecidos por uma atitude altruísta nos faz sentir bem com nós mesmos, mas também traz benefícios a todos.
A corrupção não é um detalhe e um desvio que causa impacto somente na moral social. Afeta também a vida das pessoas. Em um texto da prestigiosa revista científica Nature em 2011, foram publicadas estatísticas que calculavam que 83% de todas as mortes pelo desmoronamento de edifícios nos últimos trinta anos ocorreram em países que possuem, segundo os indicadores, os sistemas mais corruptos. Tudo isso não é inevitável e os seres humanos não são fatalmente dessa forma. Mas sem punição, exemplos e sanção social a corrupção pode se transformar em norma estabelecida. Não existem desculpas e tempo que a apague. Devemos estar convencidos e convencer de que a corrupção também é um crime.
Adaptado de: O CÉREBRO Corrupto. Facundo Manes. Disponível em: <http://brasil.elpais.com/brasil/2016/05/03/ciencia/1462289605_959427.html>. Acesso em: 23/06/2016.
Assinale a opção que analisa CORRETAMENTE o período “Se não existe sanção social, se perdemos o mecanismo de prêmios e punições, o crime fica naturalizado.”
Provas
Questão presente nas seguintes provas
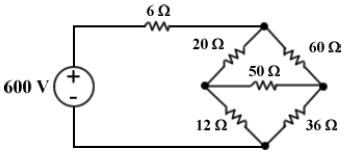
Marque a opção que apresenta o valor CORRETO da potência dissipada no resistor de 36 Ω do circuito elétrico abaixo.

Provas
Questão presente nas seguintes provas
Representar com exatidão e rigor peças e componentes é crucial ao processo de fabricação. No tocante às cotas, NÃO é correto afirmar que:
Provas
Questão presente nas seguintes provas
Cadernos
Caderno Container