Foram encontradas 50 questões.
Cartas que (ainda) te quero cartas
William Eloi
1º Foi há mais ou menos dezessete anos. Era um dia de sábado. A crônica havia saído em uma edição do extinto O Poti. Eu estava ali, encerrado em um cubículo, dentro de um elevador que dava para o portão principal. Trabalhava na portaria de uma faculdade particular e – mesmo desarmado – tomava conta de todo um prédio, que ainda incluía computadores, laboratórios de todos os tipos e peças anatômicas orgânicas. Não havia expediente acadêmico aos sábados à noite; então, aproveitava para ler todos os jornais de que a faculdade possuía a assinatura e que chegavam à portaria, já que eu estava só, e os cadáveres – as peças – permaneceriam submersas em seus tanques. Mudas.
2º O nome da crônica era “Cartas que te quero cartas”, do jornalista Osair Vasconcelos. Nela, com certo saudosismo e desalento, o autor apontava o fim de um dos mais antigos modelos de românticos de comunicação, A Carta, com o surgimento do vírus Antraz (ou Anthrax), usado como arma biológica pelo Talibã.
3º Diferentemente do que Osair profetizou à época, A Carta saiu vencedora e nunca mais se ouviu falar na mídia de algo relacionado ao carbúnculo, salvo a banda nova-iorquina de trash metal, de mesmo nome, que, no período, ficou constrangida com a associação bizarra. A Carta só começaria a ver sua derrocada, seu modelo relegado ao canto na história, com o nascimento do e-mail, a ascensão das redes sociais, e, mais recentemente (?), o fenômeno WhatsApp.
4º Difícil imaginar todo o lirismo pungente com que Oscar Wilde escreveu para o seu amado Bosie, sob as lágrimas derramadas nas folhas de papel, atrás dos muros de Reading, ou a famosa troca de correspondências entre os poetas Rainer Maria Rilke e Franz Kappus; tudo isso digitado com a supressão de substantivos, verbos, adjetivos. Em uma Carta, há tempo (ou havia) para sermos reflexivos, cuidadosos em cada letra e, por isso, mais profundos. Tempo para nos acomodarmos ao banco – como um concertista, passando em revista a sua pauta, depois de revisado todo o programa, suspira.
5º Algumas Cartas poderiam levar até um pouco de perfume ao ser amado; o fio de um cabelo caído ali por descuido. O tremor em cada letra pela emoção, ou a inabilidade do desenho na forma cursiva, denunciando a instrução humilde de quem sabe escrever pouco mais do que o próprio nome, mas que, mesmo assim, desfilava seus garranchos com orgulho. E, mesmo as que ainda estavam guardadas há muito tempo em velhos baús, já quase esquecidas, podiam ser acariciadas com a ponta dos dedos, ou das luvas, percorrendo-lhes cada linha, admirados com a folha enrugada, com a ação da atmosfera, que lhe conferiu um ar amarelo de “dignidade”, ao mesmo tempo em que pensávamos: Parece que foi ontem…
6º E as Cartas ilustres, dignas de objeto de estudo, ou adoração. Memorabílias que definiram certos rumos ou acontecimentos na história, protegidas geralmente por vidros e sistemas de segurança – a exemplo das missivas de Freud e Jung, expostas num museu de Zurique, relatando ao público curioso desde os primeiros anos da amizade entre os dois gigantes da psicanálise ao rompimento definitivo; ou a exemplo dos ataques, descritos à mão, de um Lennon magoado e furioso a Paul McCartney, arrematada por milhões de dólares.
7º Lembro-me de, quando ainda garoto, escrevia cartas ditadas pela minha mãe para a parentela – ela não sabia escrever – com meu pai passando para lá e para cá e, vez por outra, vociferando qualquer coisa do tipo sobre meus ombros: “Você não deve repetir a mesma palavra!” ou “Resuma tudo o que você quer dizer!” e, mesmo assim, quase sem querer, ensinava-me um pouco do que eram os rudimentos da técnica de comunicação. É difícil de imaginar tudo isso na era da “informação”, porque, entre os toques nervosos em tablets e smartphones, apenas informamos; estamos sempre enviando mensagens enquanto fazemos outras coisas. (Bem, acho que você certamente já teve a experiência de conversar com alguém enquanto essa pessoa lhe acena positivamente com a cabeça e responde um “Zap”).
8º E aqui, apesar de não ser um bruxo, lanço também minha profecia, minha visão do futuro: haverá o dia em que as máquinas irão criar a transferência de consciência, o implante de falsas memórias, mas a sensação física do primeiro toque, do primeiro cheiro, dessa sinestesia geradora do mundo, não – por mais que a experiência da “leitura” e da “escrita” também nos transporte além de nosso ambiente físico-corpóreo, como um link – porque, quando lançamos os dedos ou o olhar sobre a superfície de qualquer coisa, a fim de ler, de nos comunicarmos, há ali também qualquer coisa de fetiche, de sedução. Como o hábito de fumar, que não apenas está relacionado simplesmente ao trago, ao gosto da nicotina, mas à sensação do dedo rolando a roldana contra a pedra de pederneira, a chama que sobe sob o gás propano.
9º No fim, é a velha ilusão do tempo em que a hiperconectividade nos coloca agora. A sensação de estarmos indo lento demais num piscar de luzes, de sins e de nãos, a velocidades cada vez mais rápidas. E, por isso, frustrados, achando-nos out, nos entupimos de Lexotan e vemos o romantismo como coisa do passado.
Disponível em: <www.cartapotiguar.com.br>. Acesso em: 27 jun. 2018. [Adaptado]
Para responder às questões 09 e 10, considere o parágrafo transcrito abaixo.
O nome da crônica era “Cartas que te quero cartas”, do jornalista Osair Vasconcelos. Nela, com certo saudosismo e desalento, o autor apontava o fim de um dos mais antigos modelos de românticos de comunicação, A Carta, com o surgimento do vírus Antraz (ou Anthrax), usado como arma biológica pelo Talibã.
Em relação à pontuação empregada, é correto afirmar que
Provas
As questões de 1 a 10 desta prova são baseadas no texto abaixo.
Cartas que (ainda) te quero cartas
William Eloi
1º Foi há mais ou menos dezessete anos. Era um dia de sábado. A crônica havia saído em uma edição do extinto O Poti. Eu estava ali, encerrado em um cubículo, dentro de um elevador que dava para o portão principal. Trabalhava na portaria de uma faculdade particular e – mesmo desarmado – tomava conta de todo um prédio, que ainda incluía computadores, laboratórios de todos os tipos e peças anatômicas orgânicas. Não havia expediente acadêmico aos sábados à noite; então, aproveitava para ler todos os jornais de que a faculdade possuía a assinatura e que chegavam à portaria, já que eu estava só, e os cadáveres – as peças – permaneceriam submersas em seus tanques. Mudas.
2º O nome da crônica era “Cartas que te quero cartas”, do jornalista Osair Vasconcelos. Nela, com certo saudosismo e desalento, o autor apontava o fim de um dos mais antigos modelos de românticos de comunicação, A Carta, com o surgimento do vírus Antraz (ou Anthrax), usado como arma biológica pelo Talibã.
3º Diferentemente do que Osair profetizou à época, A Carta saiu vencedora e nunca mais se ouviu falar na mídia de algo relacionado ao carbúnculo, salvo a banda nova-iorquina de trash metal, de mesmo nome, que, no período, ficou constrangida com a associação bizarra. A Carta só começaria a ver sua derrocada, seu modelo relegado ao canto na história, com o nascimento do e-mail, a ascensão das redes sociais, e, mais recentemente (?), o fenômeno WhatsApp.
4º Difícil imaginar todo o lirismo pungente com que Oscar Wilde escreveu para o seu amado Bosie, sob as lágrimas derramadas nas folhas de papel, atrás dos muros de Reading, ou a famosa troca de correspondências entre os poetas Rainer Maria Rilke e Franz Kappus; tudo isso digitado com a supressão de substantivos, verbos, adjetivos. Em uma Carta, há tempo (ou havia) para sermos reflexivos, cuidadosos em cada letra e, por isso, mais profundos. Tempo para nos acomodarmos ao banco – como um concertista, passando em revista a sua pauta, depois de revisado todo o programa, suspira.
5º Algumas Cartas poderiam levar até um pouco de perfume ao ser amado; o fio de um cabelo caído ali por descuido. O tremor em cada letra pela emoção, ou a inabilidade do desenho na forma cursiva, denunciando a instrução humilde de quem sabe escrever pouco mais do que o próprio nome, mas que, mesmo assim, desfilava seus garranchos com orgulho. E, mesmo as que ainda estavam guardadas há muito tempo em velhos baús, já quase esquecidas, podiam ser acariciadas com a ponta dos dedos, ou das luvas, percorrendo-lhes cada linha, admirados com a folha enrugada, com a ação da atmosfera, que lhe conferiu um ar amarelo de “dignidade”, ao mesmo tempo em que pensávamos: Parece que foi ontem…
6º E as Cartas ilustres, dignas de objeto de estudo, ou adoração. Memorabílias que definiram certos rumos ou acontecimentos na história, protegidas geralmente por vidros e sistemas de segurança – a exemplo das missivas de Freud e Jung, expostas num museu de Zurique, relatando ao público curioso desde os primeiros anos da amizade entre os dois gigantes da psicanálise ao rompimento definitivo; ou a exemplo dos ataques, descritos à mão, de um Lennon magoado e furioso a Paul McCartney, arrematada por milhões de dólares.
7º Lembro-me de, quando ainda garoto, escrevia cartas ditadas pela minha mãe para a parentela – ela não sabia escrever – com meu pai passando para lá e para cá e, vez por outra, vociferando qualquer coisa do tipo sobre meus ombros: “Você não deve repetir a mesma palavra!” ou “Resuma tudo o que você quer dizer!” e, mesmo assim, quase sem querer, ensinava-me um pouco do que eram os rudimentos da técnica de comunicação. É difícil de imaginar tudo isso na era da “informação”, porque, entre os toques nervosos em tablets e smartphones, apenas informamos; estamos sempre enviando mensagens enquanto fazemos outras coisas. (Bem, acho que você certamente já teve a experiência de conversar com alguém enquanto essa pessoa lhe acena positivamente com a cabeça e responde um “Zap”).
8º E aqui, apesar de não ser um bruxo, lanço também minha profecia, minha visão do futuro: haverá o dia em que as máquinas irão criar a transferência de consciência, o implante de falsas memórias, mas a sensação física do primeiro toque, do primeiro cheiro, dessa sinestesia geradora do mundo, não – por mais que a experiência da “leitura” e da “escrita” também nos transporte além de nosso ambiente físico-corpóreo, como um link – porque, quando lançamos os dedos ou o olhar sobre a superfície de qualquer coisa, a fim de ler, de nos comunicarmos, há ali também qualquer coisa de fetiche, de sedução. Como o hábito de fumar, que não apenas está relacionado simplesmente ao trago, ao gosto da nicotina, mas à sensação do dedo rolando a roldana contra a pedra de pederneira, a chama que sobe sob o gás propano.
9º No fim, é a velha ilusão do tempo em que a hiperconectividade nos coloca agora. A sensação de estarmos indo lento demais num piscar de luzes, de sins e de nãos, a velocidades cada vez mais rápidas. E, por isso, frustrados, achando-nos out, nos entupimos de Lexotan e vemos o romantismo como coisa do passado.
Disponível em: <www.cartapotiguar.com.br>. Acesso em: 27 jun. 2018. [Adaptado]
A linguagem empregada no texto
Provas
Para movimentar um manipulador robótico articulado para uma dada posição no espaço, é preciso encontrar uma sequência de deslocamentos angulares para suas articulações. Isso pode ser feito com a utilização da inversa da matriz jacobiana do manipulador, que representa as variações de posição do manipulador com relação aos ângulos das articulações. Considerando o manipulador ao lado, a matriz jacobiana desse manipulador está representada em

Provas
Em robótica, transformações homogêneas são usadas para representação de configurações, para mudar o sistema de referência e para deslocar um ponto ou sistema. Nesse contexto, considere as afirmações abaixo a respeito de transformações homogêneas.
I Satisfazem as propriedades associativa e comutativa.
II Podem ser representadas por uma matriz de transformação de dimensão 4x4.
III São compostas das operações de rotação e translação.
IV São compostas apenas de operações de translação.
Estão corretas as afirmações
Provas
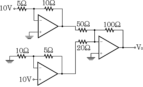
A figura abaixo mostra um circuito com amplificadores operacionais.

O valor de V0 nesse circuito é de
Provas
Dado o circuito ao lado, considerando que os transistores têm um valor de β muito alto e VBE=0,7 V, o valor da corrente em amperes no resistor de 2 Ω é

Provas
Sabendo que o diodo entra em condução com 0.8V e que \( V \)\( a \)\( b \) é a tensão entre os pontos “a” e “b”, analise o circuito representado na figura a seguir.
Em relação esse circuito, é correto afirmar:

Provas
A transformada Z é bastante utilizada no projeto de controladores digitais. A transformada Z da função f(k) = bk é
Provas
Ao constatar um erro de regime entre o valor de referência e a variável a ser controlada, um engenheiro de computação pode corrigir esse erro com uma ação de controle do tipo
Provas
A figura a seguir representa um circuito contendo fontes de corrente e tensão.
A corrente I0 nesse circuito é:

Provas
Caderno Container