Foram encontradas 600 questões.
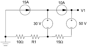
Considere o circuito apresentado na figura a seguir:

O valor de R1 que torna V1 igual a 650 V em relação à referência é:
Provas
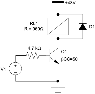
A figura a seguir mostra o circuito de acionamento da bobina de um relé a partir de um transistor bipolar. A tensão nominal da bobina do relé é de 48 V.

Sabendo-se que VBE de Q1 é igual a 0,7 V, e que VCE(on) = 0 V, o valor de V1 a partir do qual a bobina do relé estará operando com corrente nominal e tensão de alimentação plena é:
Provas
Considere o circuito de fonte linear estabilizada mostrado na figura a seguir, em que o amplificador operacional AO1 e o transistor de potência Q1 são componentes ideais.

O valor de ajuste do potenciômetro P1 que produz uma dissipação de calor de 50 W no resistor de carga RL é:
Provas
Considerando o circuito mostrado na figura a seguir, em que os diodos Zener são ideais, o valor da corrente I é igual a:

Provas
Uma instalação elétrica de corrente alternada alimentada por uma fonte monofásica de 220 V é composta por um conjunto de 4 cargas, conforme mostrado na figura a seguir.

Sabendo que a corrente I tem valor de 150 A (RMS), e a potência ativa total do conjunto de cargas é de 27 610 W, a potência aparente e o fator de potência da Carga 4 têm, respectivamente, os seguintes valores:
Provas
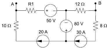
Considere o circuito mostrado na figura a seguir.

O valor de R1 para que a tensão VAB seja igual a 500 V é:
Provas
O circuito mostrado na figura a seguir, quando operando em 60 Hz, apresenta os valores indicados de reatância capacitiva XC e reatância indutiva XL.

Com o mesmo circuito alimentado por uma fonte senoidal de 200 V, 300 Hz, determine o valor de R para que a corrente I seja igual a 2,0 A.
Provas
Assinale a alternativa correta de acordo com o Decreto nº 4281/2002, que instituiu a Política Nacional de Educação Ambiental (PNEA).
Provas
A Lei nº 6.938/1981 apresenta definições como a que equivale à “degradação da qualidade ambiental resultante de atividades que direta ou indiretamente afetem, dentre outras, as condições estéticas ou sanitárias do meio ambiente. Trata-se de
Provas
Pode-se afirmar corretamente, de acordo com a Política Nacional do Meio Ambiente, que
Provas
Caderno Container