Magna Concursos

Foram encontradas 769 questões.

4023807 Ano: 2026
Disciplina: Engenharia de Automação
Banca: FGV
Orgão: AMAZUL

Um voltímetro digital (VM) foi utilizado para realizar a medida de tensão DC em um resistor, conforme ilustra o esquema da figura.

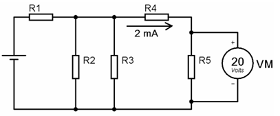
Enunciado 4506201-1

Analise o circuito e determine a resistência do resistor R5.

 

Provas

Questão presente nas seguintes provas
4023806 Ano: 2026
Disciplina: Engenharia de Automação
Banca: FGV
Orgão: AMAZUL

O controlador PID é um popular sistema utilizado na indústria para controlar grandezas como pressão, temperatura, vazão, entre outras.

Esse tipo de controle ocorre comumente em malha fechada, através de uma linha de realimentação (feedback) que tem a função de

 

Provas

Questão presente nas seguintes provas
4023805 Ano: 2026
Disciplina: Engenharia de Automação
Banca: FGV
Orgão: AMAZUL

A análise de circuitos elétricos e eletrônicos utiliza de diversas ferramentas para a solução de problemas. Dentre elas há um teorema que permite substituir um circuito linear de dois terminais por um circuito simplificado equivalente que se reduz a uma fonte de corrente e um resistor em paralelo.

O teorema descrito é conhecido por

 

Provas

Questão presente nas seguintes provas
4023804 Ano: 2026
Disciplina: Engenharia de Automação
Banca: FGV
Orgão: AMAZUL
Durante uma tarefa de inspeção dos sistemas de medição de umidade e temperatura de uma fábrica, o técnico responsável notou que um resistor da fonte de alimentação de um equipamento estava com temperatura elevada. Ao verificar as especificações do componente, identificou que se tratava de um resistor de 10 kΩ / ½ W. Sabendo que as medidas de tensão e de corrente no resistor foram, respectivamente, de 5V e 100 mA. Marque a opção com a especificação do resistor adequado para efetuar a substituição que corrija o problema de superaquecimento do resistor.
 

Provas

Questão presente nas seguintes provas
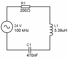
4023803 Ano: 2026
Disciplina: Engenharia de Automação
Banca: FGV
Orgão: AMAZUL

O esquema apresentado a seguir é de um circuito RLC série com frequência central de ressonância em 100 kHz.

Enunciado 4506197-1

Observe os valores apresentados no esquema e determine impedância total do circuito.

 

Provas

Questão presente nas seguintes provas
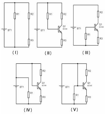
4023802 Ano: 2026
Disciplina: Engenharia de Automação
Banca: FGV
Orgão: AMAZUL

O layout de uma placa de circuito impresso (PCI) é mostrado a seguir e contém as ilhas, trilhas e identificações da posição de cada componente de um circuito:

Enunciado 4506196-1

Analise os cinco esquemas elétricos mostrados a seguir:

Enunciado 4506196-2

Assinale a opção que apresenta o número do circuito que corresponde ao layout de PCI proposto.

 

Provas

Questão presente nas seguintes provas
4023801 Ano: 2026
Disciplina: Engenharia de Automação
Banca: FGV
Orgão: AMAZUL
Em circuitos de controle e automação é comum o profissional técnico se deparar com situações nas quais um sistema de controle digital aciona um atuador controlado analogicamente, para realizar determinado movimento. Para tal, há dispositivos capazes de converter sinais digitais em sinais analógicos que podem ser utilizados. Considere um circuito com um conversor digital analógico (D/A) de 3 bits (A, B e C) que gera tensões de saída entre 0 V e 14 V, utilizado para acionar um atuador linear que opera na mesma faixa de tensão. A tabela-verdade abaixo, preenchida parcialmente, mostra o valor da tensão de saída analógica para cada valor de entrada digital.
Enunciado 4506195-1
A tensão de saída do conversor D/A ao selecionar os bits de entrada como A = 1, B = 1 e C = 0 será
 

Provas

Questão presente nas seguintes provas
4023800 Ano: 2026
Disciplina: Engenharia de Automação
Banca: FGV
Orgão: AMAZUL
São exemplos de linguagens gráficas padrão para programação de um controlador lógico programável (CLP):
 

Provas

Questão presente nas seguintes provas
4023799 Ano: 2026
Disciplina: Engenharia de Automação
Banca: FGV
Orgão: AMAZUL
Em uma instalação industrial há um sistema de resfriamento à água que deve ser acionado sempre que houver o desligamento de uma máquina. O acionamento do resfriamento é realizado através da abertura total de uma válvula de esfera de ¼ de volta, que libera o fluxo de água no sistema. Para realizar o acionamento automatizado do resfriamento é adequado acoplar à válvula um atuador elétrico do tipo
 

Provas

Questão presente nas seguintes provas
4023797 Ano: 2026
Disciplina: Engenharia de Automação
Banca: FGV
Orgão: AMAZUL
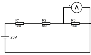
Ao realizar uma medida de corrente em um circuito de corrente contínua, um técnico conectou de maneira equivocada um amperímetro DC em paralelo com o resistor R3, conforme mostra a figura a seguir:
Enunciado 4506191-1
Sabendo que R1, R2 e R3 são resistores de 10 kΩ e considerando o princípio de funcionamento de um amperímetro ideal, a leitura de corrente mostrada no instrumento será de
 

Provas

Questão presente nas seguintes provas