Foram encontradas 769 questões.
O duty-cyle do sinal de saída Vo é
Provas
Vi = 0,5 sen(120t), a tensão pico a pico da forma da saída Vo do amplificador é
Provas
Provas
I. A pirâmide de automação possui 5 níveis, sendo o mais baixo o nível de processo e o mais alto o nível de gerenciamento corporativo.
II. Uma Interface Homem Máquina (IHM) é um dispositivo do nível de gerenciamento de planta.
III. Um Controlador Lógico Programável (CLP) é um dispositivo do nível de controle de processo.
É correto o que se apresenta em
Provas
No cenário, foi descrito o sistema de controle
Provas
Um sensor de temperatura gera uma tensão de saída (VO) em função da temperatura de exposição que pode variar de 0 °C a 100 °C. Sabe-se que na temperatura de 0 °C a tensão de saída do sensor é igual a 0 V e a taxa de variação da tensão VO é de 15 mV/°C.
Determine a tensão de saída para uma temperatura de exposição de 60 °C.
Provas
Observe o diagrama Ladder a seguir:

O tipo de circuito lógico representado correspondente a uma porta
Provas
A partir do diagrama de blocos, de acordo com a teoria de controle PID, marque a opção que contém o componente correto a ser instalado no bloco indicado com a letra X.
Provas
Uma cremalheira é uma barra reta e dentada utilizada para converter o movimento de rotação de um motor em movimento linear. Quando se usa esse sistema, frequentemente é necessário delimitar a distância máxima do deslocamento realizado pela peça, a fim de evitar o desacoplamento do eixo do motor com a parte dentada da cremalheira. Essa delimitação é feita através de um acionamento por chave, indicando o ponto máximo de deslocamento permitido.
A chave utilizada para essa função é conhecida por
Provas
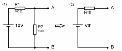
Considere os circuitos 1 e 2 representados a seguir:

Calcule os parâmetros de equivalência de Thévenin do circuito 2, tensão e resistência de Thévenin (Vth e Rth), que uma carga perceberia se conectada entre os pontos A e B.
Provas
Caderno Container