Foram encontradas 769 questões.
Um sensor Pt-100 tem a seguinte função de transferência para relacionar a temperatura do local de exposição (T) e a resistência medida (RT):
RT = R0(1+AT+BT2)
Considerando o princípio de funcionamento desse tipo de sensor e sabendo que R0 é a resistência a 0 °C, A e B são coeficientes do material de construção do sensor (AT + BT2 ≥ 0) e T é a temperatura de exposição, o valor de RT para temperaturas no intervalo de 0 °C a 650 °C será
Provas
Termopares são exemplos de sensores que utilizam o efeito Seebeck para medir temperatura. A construção desse tipo de sensor se dá pela criação de uma junção de dois metais diferentes, que quando exposta a determinada temperatura, gera uma diferença de potencial entre as extremidades opostas a junção.
Assinale a opção que apresenta apenas modelos de termopares.
Provas
As reatâncias indutiva e capacitiva são grandezas que evidenciam o comportamento de indutores e capacitores, respectivamente, em circuitos de corrente alternada.
Com base no método de cálculo, a reatância capacitiva pode ser definida como
Provas
Um controlador lógico programável (CLP) foi utilizado para implantar um circuito lógico industrial de acionamento de uma lâmpada piloto, conforme ilustra o circuito abaixo:

Sabendo que as chaves S1 e S2 (entradas) são do tipo NA e considerando a lâmpada acesa como nível lógico de saída alto e a lâmpada apagada como nível lógico de saída baixo, a função lógica implantada no CLP é uma
Provas
Um padrão amplamente utilizado em instrumentação industrial é o sinal de corrente contínua na faixa de 4 mA a 20 mA. Um técnico de instrumentação, responsável por uma planta industrial, deseja realizar a medida da corrente de saída de um sensor de temperatura que opera na faixa de 0 °C a 160 °C. O sensor utiliza o padrão de 4-20 mA para indicar ao equipamento de leitura a temperatura do local de exposição.
Se a leitura de corrente verificada pelo técnico é de 16 mA, a temperatura medida pelo sensor é de
Provas
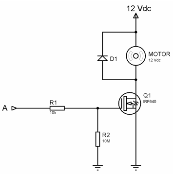
Sobre o circuito, a função do diodo D1 é
Provas
Nas áreas de instrumentação, automação e eletrônica é comum o uso de motores elétricos para converter sinais elétricos em movimentos mecânicos. Em algumas aplicações há a necessidade que a rotação do motor elétrico utilizado ocorra com incrementos fixos e discretos.
O tipo de motor que possui essa característica é denominado
Provas
Sabendo que o número de espiras do enrolamento primário é 10 vezes maior que o número de espiras do secundário, a tensão do enrolamento secundário e a corrente que circula no enrolamento primário são, respectivamente,
Provas
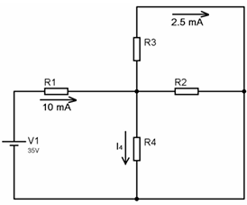
Observe o circuito resistivo a seguir.

As correntes que atravessam os resistores
Sabendo que R2 = 10R1 e R2 = R3, determine a corrente elétrica I4 que atravessa o resistor R4.
Provas
A norma NBR 8896 estabelece símbolos gráficos para sistemas e componentes hidráulicos e pneumáticos.

Considerando os símbolos, indique a representação gráfica correta de um pressostato.
Provas
Caderno Container