Foram encontradas 40.992 questões.
Considere o triângulo de potências a seguir: Assinale a alternativa que apresenta uma informação INCORRETA:

Provas
No circuito magnético a seguir, dois lados do núcleo são mais finos do que os outros dois lados:
Considerando a profundidade do núcleo igual a 10 cm, A1=0,01m2, A2=0,015m2 a permeabilidade magnética absoluta igual a !$ \mu !$=!$ \mu r !$.!$ \mu !$0=2,5!$ \times !$10−3H/m, o número de espiras igual a 300 e a corrente que flui no enrolamento igual a 1!$ A !$, podemos afirmar que a alternativa que apresenta os valores CORRETOS da relutância total Rt e da corrente i através das espiras, necessários para gerar um fluxo igual a !$ \phi !$=0,012Wb, são:
Provas
Quanto às características (operação, aplicação, tipo e funcionamento) de um inversor, assinale a alternativa INCORRETA:
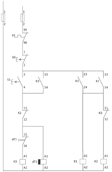
Provas
Em um circuito de comando e proteção de motores, é utilizado um dispositivo de proteção contra sobrecarga:

Assinale a alternativa INCORRETA:
Provas
A bobina da figura a seguir está imersa em um campo magnético de intensidade igual a 0,5 T. A área da bobina é igual a 200 cm² e é percorrida por uma corrente de 2A:

Considerando que o número de espiras é N=500, podemos afirmar que o valor CORRETO do conjugado eletromagnético sobre a bobina, quando o ângulo !$ \theta !$ for igual a 300, é:
Provas
Considere o circuito indutivo da figura a seguir, onde v(t)=10.!$ sen\omega t !$ [Volts] e L1=2H, L2=4H e L3=12H. A resistência de saída da fonte é igual a R0=5,0 !$ \Omega !$ e a frequência f=0 Hz.
Os valores da indutância equivalente medida nos terminais “a” e “b” da fonte e da corrente total no circuito são, respectivamente:
Provas
Dois fios retos são colocados em paralelo um com o outro, transportando as correntes I1 e I2, respectivamente. Admitindo-se que as correntes fluem no mesmo sentido, que os fios distam um do outro de 0,5m e que a corrente I1=20I2, assinale a alternativa que apresenta a relação CORRETA entre as forças magnéticas F1 e F2 entre os condutores:
Provas
Um técnico de laboratório necessita medir o valor da isolação do óleo de um transformador e de uma máquina com isolamento sólido. Podemos afirmar que:
Provas
Um TP e um TC são utilizados para fornecer os valores de tensão e corrente a um wattímetro, conforme indicado no circuito a seguir. Um técnico deseja verificar se os valores medidos estão corretos. As relações do TP e do TC são, respectivamente, 150:1 e 50:1.

Sabendo-se que o valor eficaz da tensão aplicada ao circuito é 69kV e a indicação do wattímetro é 0,92kW, o valor da corrente eficaz é:
Provas
Deseja-se medir a corrente de um dado circuito com um amperímetro, cuja classe de exatidão é igual a 0,5. Sabe-se que o amperímetro utilizado possui escala graduada que varia de 0 a 500mA. Assinale a alternativa CORRETA:
Provas
Caderno Container