Foram encontradas 40.992 questões.
Com relação a conceitos de manutenção, considere as proposições a seguir:
I. Confiabilidade: período que uma máquina ou equipamento ficou disponível para desempenhar sua função.
II. Defeito: alteração do funcionamento de uma máquina ou equipamento que comprometeu o processo operacional.
III. Prioridade: grau de necessidade de manutenção de uma máquina, sistema ou equipamento.
IV. Falha: perda parcial ou total do funcionamento de uma máquina, sistema, equipamento, comprometendo a produção.
Está correto o que se afirma APENAS em
Provas
Considere o circuito trifásico equilibrado abaixo.

A potência ativa que está sendo dissipada na carga é:
Provas
Considere o transformador trifásico representando abaixo, cuja tensão em cada bobina equivale a 220 V.

O fechamento que deve ser realizado para que o secundário forneça uma tensão de 380 V é:
Provas
De acordo com a NBR 5410, considere as proposições abaixo, referente aos tipos de eletrodos de aterramento.
I. Preferencialmente, fazer o uso das próprias armaduras do concreto das fundações.
II. Uso de fitas, barras ou cabos metálicos, especialmente previstos, que não podem estar imersos no concreto das fundações.
III. Uso de malhas metálicas enterradas, no nível das fundações, cobrindo a área da edificação e complementadas, quando necessário, por hastes verticais e/ou cabos dispostos radialmente (pés-de-galinha)
IV. No mínimo, uso de anel metálico enterrado, circundando o perímetro da edificação e complementado, quando necessário, por hastes verticais e/ou cabos dispostos radialmente (pés-de-galinha).
Está correto o que se afirma APENAS em
Provas
De acordo com a NBR-16690, considere as proposições abaixo, referente às baterias em sistemas fotovoltaicos e sua proteção contra sobrecorrentes.
I. Baterias em sistemas fotovoltaicos podem ser uma fonte de altas correntes de falta e devem possuir proteção contra sobrecorrente.
II. A localização do dispositivo de proteção contra sobrecorrente em sistemas fotovoltaicos deve ser o mais distante da bateria.
III. A proteção contra sobrecorrente deve ser instalada em todos os condutores vivos não aterrados.
IV. O dispositivo de proteção contra sobrecorrente pode ser utilizado para fornecer proteção contra sobrecorrente para o cabo do arranjo fotovoltaico desde que o mesmo tenha sido projetado para suportar uma corrente igual ou superior à corrente nominal do dispositivo de proteção contra sobrecorrente da bateria.
Está correto o que se afirma APENAS em
Provas
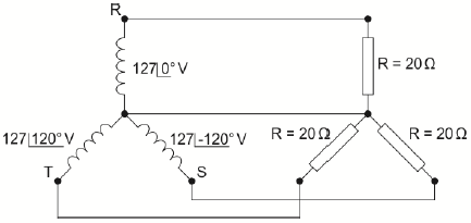
Considere o circuito trifásico equilibrado abaixo, cuja tensão de linha é igual a 127 V.

A corrente de linha é:
Provas
Deseja-se calcular o valor do capacitor, para corrigir o fator de potência de um motor de 0,72 para 0,90, que possui as seguintes características:
– Potência 10 kW
– Tensão 220 V
– Frequência 60 Hz
O valor do capacitor que deve ser utilizado é:
Dados:
Cos !$ \Phi1 !$ = 0,72 ⇒ !$ \Phi1 !$ = 44°⇒ tg !$ \Phi1 !$ = 0,97
Cos !$ \Phi2 !$ = 0,90 ⇒ !$ \Phi2 !$ = 26°⇒ tg !$ \Phi2 !$ = 0,49
Provas
A NBR-5419 – Proteção contra descargas atmosféricas – Parte 2: Gerenciamento de risco, estabelece os requisitos para análise de risco em uma estrutura devido às descargas atmosféricas para a terra. O termo, cuja definição refere-se a “descarga elétrica que atinge uma linha conectada à estrutura a ser protegida” é
Provas
O item 7.2 da NBR-5674 – Manutenção de edificações – Requisitos para o sistema de gestão e manutenção, estabelece que o condomínio deve dispor de um fluxo, escrito e aprovado, de documentação, referente a gestão da manutenção. A sequência recomendada pela Norma, com relação ao fluxo de documentação é, correta e respectivamente:
Provas
A definição de comburente é
Provas
Caderno Container