Foram encontradas 40.992 questões.
São escalas padronizadas para desenhos técnicos:
Provas
No MS Project, pode-se optar por configurar suas tarefas ou atividades, das seguintes formas:
- Duração fixa: Quando você alterar a unidade ou quantidade de trabalho da tarefa ou atividade, a duração será mantida.
- Trabalho fixo: Quando você alterar a unidade ou a duração da tarefa ou atividade, a quantidade de trabalho será mantida.
- Unidades fixas: Quando você alterar a quantidade de trabalho ou a duração da tarefa ou atividade, a unidade será mantida.
O termo “unidade” refere-se
Provas
Segundo o item 6.4.3.1.2 da NBR-5410, a seção dos condutores de proteção não deve ser inferior ao valor determinado pela expressão seguinte, aplicável apenas para tempos de seccionamento que não excedam 5 s:
!$ S={\large{\sqrt{I^2.t} \over k}} !$
Onde:
- S é a seção do condutor, em milímetros quadrados.
- I é o valor eficaz, em ampères, da corrente de falta presumida, considerando falta direta.
- t é o tempo de atuação do dispositivo de proteção responsável pelo seccionamento automático, em segundos.
- k é um fator que depende do material do condutor de proteção, de sua isolação e outras partes, e das temperaturas inicial e final do condutor.
Dados:
I = 850A
t = 4s
k = 23
A seção do condutor que deverá ser utilizada é:
Provas
Os Dispositivos de Proteção contra Surtos (DPS) são utilizados para proteger o(s) equipamento(s) dos danos causados por surtos elétricos. Dois dos parâmetros importantes para escolha de um DPS são: Máxima tensão de operação contínua (Uc) e Corrente nominal de descarga (In). Sobre esse tema, é correto afirmar:
Provas
Para a alimentação elétrica de um painel de comando e potência do sistema HVAC de uma indústria foi previsto a utilização de barramentos de cobre com capacidade nominal de 1.200 A por fase. Como os motores utilizam inversores de frequência para partida em rampa, a corrente máxima atingida será 900 A. Com a lista de materiais em mãos, um dos engenheiros concluiu que a utilização de cabos ao invés de barramentos seria uma alternativa de menor custo, porém, para isso seria necessário utilizar cabos em paralelo na mesma fase. Com base na NBR-5410, considere as proposições abaixo.
I. É vedada a utilização de cabos em paralelo na mesma fase ou polaridade.
II. Devem ser tomadas medidas que garantam igual divisão de corrente entre os condutores em paralelo ou realizado um estudo específico sobre a divisão da corrente entre os condutores em paralelo.
III. Para circuitos com corrente nominal superiores à capacidade de condução dos cabos elétricos comerciais, é obrigatório a utilização de barramentos.
Está correto o que se afirma em
Provas
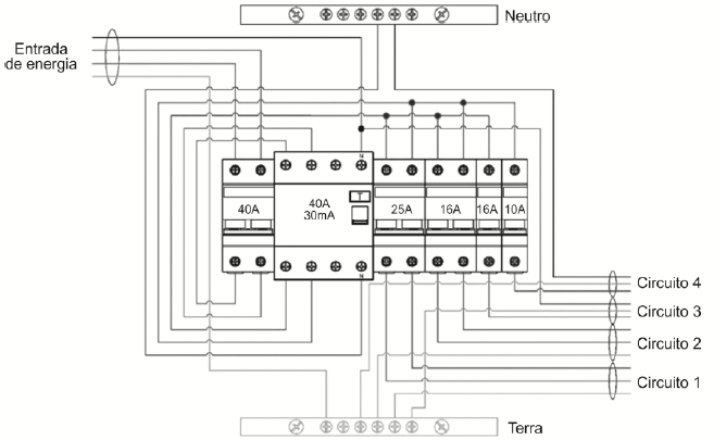
Após o comissionamento de um quadro de alimentação elétrica residencial, com conexão das cargas, o Interruptor Diferencial Residual (IDR) atuou. Considere a imagem de representação das ligações do quadro abaixo.

Apresenta a causa provável da atuação do IDR:
Provas
No setor de uma empresa, houve a necessidade de instalação de um novo extintor de incêndio na parede. A altura máxima permitida pelo corpo de bombeiros, conforme Instrução Técnica nº 21/2019 é de
Provas
Considere dois dos principais indicadores de manutenção: o MTBF e o MTTR.
!$ MTBF={\large{Tempo \, de \, trabalho\, em \, bom \, funcionamento \over Número \, de \, paradas \, para \, manutenções \, corretivas}} !$
!$ MTTR={\large{Tempo \, de \, reparo \over Número \, de \, paradas \, para \, manutenções \, corretivas }} !$
Após analisar as fórmulas para o cálculo de cada indicador,
Provas
A manutenção preditiva é o acompanhamento periódico de equipamentos ou máquinas, através da coleta e interpretação de dados que permite identificar estágios iniciais de falhas. Uma determinada máquina apresentou problemas mecânicos que impediram a continuidade da produção. Ao realizar análise de vibração, o mecânico identificou uma folga em um mancal e realizou o reaperto corrigindo o problema. Esse tipo de manutenção é caracterizada como
Provas
A temperatura de cor pode ser definida como a aparência da cor quando emitida por uma fonte de luz. A luz fria serve para ambientes onde há uma necessidade de maior luminosidade. A luz quente provoca a sensação de relaxamento. Baseado nisso, a lâmpada que deve ser aplicada para um ambiente aconchegante com melhor eficiência luminosa é a
Provas
Caderno Container