Foram encontradas 20.445 questões.
Os gases refrigerantes apresentados a seguir apresentam cloro em sua composição, à exceção de um.
Assinale-o.
Provas
A figura a seguir apresenta o regime de funcionamento de um compressor de um sistema de condicionamento de ar.
A temperatura ambiente cai a uma taxa de 0,5ºC/min quando o compressor está ligado, e sobe a uma taxa de 1ºC/min quando o compressor está desligado.

Sabendo que a temperatura ambiente em t = 30 min é 18ºC, a temperatura ambiente em ºC, em t = 90 min, é de
Provas
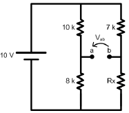
O circuito apresentado a seguir foi projetado para obter o valor de uma resistência Rx em função da leitura de Vab.

A função Rx(Vab), em k\( \Omega \), é dada por:
Provas
O circuito apresentado a seguir é alimentado por uma fonte senoidal, cuja frequência é a frequência de ressonância do sistema.

A impedância vista pela fonte de tensão é
Provas
A aplicação do princípio da ressonância e vibração mecânica, ao se alimentar uma bobina com núcleo de ferro para medição da frequência de uma determinada fonte de tensão, caracteriza o instrumento elétrico do tipo frequencímetro de
Provas
Com relação aos amplificadores de múltiplos estágios, analise as afirmativas a seguir.
I. Um par Darlington é formado por dois transistores bipolares, ambos na configuração Emissor Comum.
II. Em amplificadores com estágios Emissor Comum – Coletor Comum cascateados, o estágio Coletor Comum funciona como um casador de impedâncias.
III. Duas vantagens que podem ser obtidas com Amplificadores Cascode são o aumento da banda passante e o ganho de tensão, em relação a amplificadores Fonte Comum.
Assinale:
Provas
O ouvido humano é capaz de escutar sons com frequências de até 20 kHz.
Considerando o Teorema da Amostragem de Nyquist, a taxa de amostragem mínima a ser utilizada por um tocador de CD para a conversão de música com qualidade, deve ser igual a
Provas
A matriz resultante de uma associação de quadripolos em cascata é igual ao produto das matrizes que representam esses quadripolos, quando são usados parâmetros
Provas
Considere três componentes eletrônicos I, II e III com as seguintes características:
I. Tensão entre os terminais do componente é proporcional à variação da corrente com o tempo.
II. Componente semicondutor que conduz em um único sentido, quando polarizado diretamente e com auxílio de uma corrente de gatilho.
III. Transistor que opera com apenas um tipo de carga e que possui um dos terminais isolado do restante do componente por um dielétrico
Assinale a alternativa que indica os componentes I, II e III, respectivamente.
Provas
As características dinâmicas dos instrumentos são observadas pelo comportamento da resposta destes em relação a sua excitação (sinal de entrada ou mensurando). Em geral, com certo grau de aproximação, os sistemas de baixa ordem (sistemas de ordem zero, um ou dois) podem modelar instrumentos de maneira a obter suas características de funcionamento.
Quanto ao tema, considere as afirmativas abaixo.
I. Para caracterizar instrumentos de resposta imediata, comparada ao mensurando, basta, para sua modelagem, empregar equações algébricas, já que não há nenhuma dinâmica significativa a ser modelada.
II. Para modelar determinados instrumentos de ordem zero, são utilizadas aproximações, já que sua dinâmica não é excitada pelas frequências contidas no sinal de entrada a ser medido.
III. Sempre que um instrumento é caracterizado apenas pela sua curva de calibração, a sua dinâmica deve ser considerada.
IV. O potenciômetro é um exemplo típico de um sensor de primeira ordem.
V. Se for desprezada a perda de energia de um termômetro, este é modelado como sistema de ordem dois.
VI. O acelerômetro pode ser representado por um modelo de primeira ordem.
As afirmações verdadeiras são:
Provas
Caderno Container