Foram encontradas 550 questões.
Considere um transformador de corrente operando na região não saturada, com impedância de magnetização constante e igual a \( Z_m \) e impedância de dispersão igual a \( Z_x, \) ambas referidas ao secundário. A impedância equivalente da carga total (burden) conectada ao secundário é igual a \( Z_b \). De acordo com essas informações e sabendo que pelo primário passa uma corrente I, qual é o valor do fator de correção da relação de transformação (ratio correction factor) do transformador em função
de \( Z_m \), \( Z_x \) e \( Z_b \)?
Provas
Em projetos arquitetônicos deve-se procurar sempre o conforto térmico, lumínico e acústico. Diversas são as soluções, mas é importante ter em mente que, com o objetivo de se economizar energia, os meios artificiais para se prover tais confortos devem ser complementares aos conseguidos naturalmente. Do exposto, é correto afirmar que
Provas


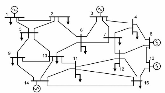
O cálculo de fluxo de carga em Sistemas Elétricos de Potência (SEP) consiste, inicialmente, na determinação do estado da rede, que trata do cálculo das magnitudes e dos ângulos das tensões nodais (barras) do sistema. Como a formulação do problema é não linear, para solucioná-lo, recorre-se a algoritmos numéricos não lineares, como por exemplo, o Método de Newton.
Considere o diagrama unifilar de um SEP, apresentado na figura acima. Sabe-se que a barra 1 é a barra de referência e que não existe nenhum tipo de limite ou controle para as tensões de barra. Então, para o cálculo das magnitudes e dos ângulos das tensões de barra pelo Método de Newton, a dimensão da matriz Jacobiana do problema é
Provas
O gráfico da figura ao lado mostra o Diagrama de BODE da função de transferência G(s), correspondente ao modelo de um sistema em malha aberta. O sistema é considerado de fase não-mínima, ou seja, não possui zeros no semiplano da direita do plano complexo. Considere as seguintes afirmativas relativas ao diagrama:
I - o sistema é INSTÁVEL porque a função de transferência tem um polo na origem;
II - o sistema é ESTÁVEL porque na frequência em que o ângulo de fase é 180º, o módulo da função está abaixo de 0 dB;
III - o sistema é INSTÁVEL porque o ganho em malha aberta é menor do que um, na frequência em que o ângulo de fase é 180º.
Está(ão) correta(s) APENAS a(s) afirmativa(s)
Provas

A figura acima apresenta um conversor trifásico alimentando duas cargas: uma representada por uma fonte de corrente contínua, com amplitude constante e igual a Id, e a outra, por uma resistência cujo valor é R=10 \( Ω \). Sabe-se que a fonte trifásica é equilibrada e balanceada, e o valor eficaz da tensão fase-fase é igual a \( 10π\sqrt{2}\, \) V.Considerando como referência a passagem por zero das tensões de linhas, qual é o valor médio, em watt, da potência dissipada no resistor quando o ângulo de disparo dos tiristores for igual a 30º?
Provas
Um dado transformador de 10 MVA, cuja tensão no primário é de 20 kV e no secundário é de 160 kV, possui reatância referida ao lado do primário de 2 ohms. Considere que os valores de base adotados no primário desse transformador são iguais aos de placa. Referindo-se ao lado do secundário, os valores da reatância em ohms e em p.u são, respectivamente,
Provas
Um sistema linear, cujo modelo é representado pela seguinte função de transferência:
\( G(s)=\dfrac{10}{s^3+15s^2+25s+375} \)
apresenta um comportamento puramente oscilante na sua resposta ao impulso.
Neste caso, a frequência de oscilação, em rad/s, é
Provas
Em alguns equipamentos fabris que utilizam motores elétricos, como por exemplo, tornos e cortadores de chapas de aço, as rotações dos motores devem ser mantidas constantes, de modo a proporcionar um melhor desempenho. Além disso, muitas vezes, esses motores exigem torques elevados. As fontes de alimentação, nestes casos, são dotadas de inversores de frequência que permitem as duas ações seguintes:
I - manter a rotação do motor constante;
II - aumentar o torque, atuando na tensão (V) e na frequência (F) de alimentação dos motores.
As ações acima são possíveis, se a fonte
Provas

Nos gráficos acima são mostradas as curvas características de circuito aberto e de curto-circuito de um gerador síncrono de 200 kVA, 480 V (tensão de linha), 60 Hz, conectado em Y. A corrente de campo nominal é igual a 5 A. Supondo que a resistência de armadura seja desprezível, qual é o valor, em ohms, da reatância não saturada deste gerador?
Provas
Um transformador na configuração \( Δ \) – Y apresenta tensão nos terminais do primário de 13,8 kV e no secundário de 220/127 V. A relação das correntes elétricas de linha entre o primário e o secundário (IL-Primário/IL-Secundário) é de
Provas
Caderno Container