Foram encontradas 80 questões.
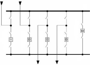
A figura abaixo apresenta um arranjo típico de uma subestação.

Esse arranjo:
I. tem barra dupla, disjuntor simples e by pass;
II. permite a substituição de um disjuntor sem desligamento da carga;
III. permite que metade da subestação permaneça em operação por ocasião de uma falha.
Está correto somente o que se afirma em:
Provas
A figura abaixo apresenta um circuito composto de uma fonte e cinco resistores.

Sabe-se que a ddp da fonte é igual a U e que os resistores são todos iguais a R.
O equivalente de Thévenin visto dos pontos A e B é composto por:
Provas
Maria, ocupante do cargo efetivo de Técnico Superior Especializado da Defensoria Pública do Estado do Rio de Janeiro com especialidade em Psicologia, com o objetivo de aumentar sua renda mensal, deseja prestar novo concurso público.
Sobre a possibilidade de acumulação remunerada de cargos públicos, de acordo com as normas constitucionais sobre a matéria, Maria:
Provas
A Constituição da República de 1988 dispõe que incumbe à Defensoria Pública, como expressão e instrumento do regime democrático, fundamentalmente, a orientação jurídica, a promoção dos direitos humanos e a defesa, em todos os graus, dos direitos individuais e coletivos, de forma integral e gratuita, aos necessitados.
Para tanto, o texto constitucional estabelece que são princípios institucionais da Defensoria Pública:
Provas
- Teoria Geral da ConstituiçãoTeoria dos Direitos Fundamentais
- Direitos e Garantias FundamentaisDireitos e Deveres Individuais e Coletivos
Maria procurou atendimento no órgão da Defensoria Pública, pretendendo ajuizar ação de revisão de alimentos, para majorar o valor da pensão alimentícia que seu ex-marido Mário paga para os filhos menores em comum. Para provar que o pai das crianças possui elevada renda não declarada, Maria apresentou ao Defensor Público pen-drive contendo áudio de ligação telefônica interceptada diretamente por ela, no qual Mário conversa com uma mulher, confessando auferir 50 mil reais por mês mediante trabalho informal.
No caso em tela, com base no texto constitucional, o Defensor Público:
Provas
Provas
Provas
Todo início do mês, após receber seus vencimentos, Maria, ocupante do cargo efetivo de Técnico Superior Especializado da Defensoria Pública do Estado do Rio de Janeiro, comemora, em seu horário de almoço, bebendo vários copos de chope e retorna, em seguida, para o Departamento de Recursos Humanos, onde está lotada. No mês passado, no dia do pagamento, Maria retornou do almoço para a repartição e, visivelmente embriagada, fez um striptease, tirando suas roupas durante dança sensual, sendo a incontinência pública e escandalosa presenciada por diversos servidores.
Com base no Estatuto dos Funcionários Públicos Civis do Poder Executivo do Estado do Rio de Janeiro, após o devido processo administrativo disciplinar, Maria:
Provas
Texto 1
Uma revista de Educação mostrava o seguinte segmento:
“Os modelos pedagógicos de nossas escolas ainda são muito mais direcionados ao ensino teórico para passar no funil do vestibular, obrigando os alunos a decorar fórmulas matemáticas, afluentes de rios ou a morfologia dos insetos para ter depois seus conhecimentos testados e avaliados por notas que não diferenciam as vocações ou interesses individuais. É uma avaliação cruel, que prioriza a inteligência da decoreba ao invés da inteligência criativa”.
Provas
Na orelha do livro “A Bíblia: uma biografia” (Rio de Janeiro: Jorge Zahar. Ed., 2007), aparece o seguinte texto:
“A principal função da Bíblia, no entanto, ao longo de sua demorada gestação, não foi apoiar doutrinas e crenças particulares [....]. A produção de uma escritura sagrada consistiu antes em atividade contínua, um processo que buscava introduzir milhares de pessoas à transcendência”.
A informação abaixo que NÃO pode ser depreendida da leitura desse texto é:
Provas
Caderno Container