Foram encontradas 1.168 questões.
Um engenheiro, ao analisar uma instalação de bombeamento, observou que ela foi dimensionada para apresentar rendimento mecânico de 0,90 e rendimento hidráulico de 0,80.
Considerando-se que a altura útil de elevação do sistema seja Hu, qual a expressão para a altura motriz de elevação?
Provas
Uma das formas mais fundamentais de se dimensionar um enlace via rádio é através da atenuação no espaço livre. Um enlace ponto a ponto, com linha de visada completamente livre, deve ser estabelecido na frequência de 3,2 GHz. A distância entre os dois pontos do enlace é de 1 km e dispõe-se de duas antenas direcionais com ganho máximo de 15 dBi cada.
Sabendo-se que a sensibilidade do receptor é de -80,44 dBm, qual deve ser a potência, em dBm, mínima transmitida, para que haja comunicação?
Dado
log(2) = 0,3
Provas
O período de retorno de um projeto é definido como sendo o período de tempo necessário para que um investimento recupere seu desembolso inicial, em termos de lucros ou economias. Um banco está planejando a instalação de máquinas de distribuição automática de bilhetes (ATM) e estima que cada máquina custe R$ 90.0000,00. O banco estima ainda que cada máquina instalada resulte na economia de um caixa de banco, que custa anualmente R$ 30.000,00. Cada ATM tem um custo operacional anual de R$ 4.000,00, e a taxa de inflação projetada do ano é de 10%.
Nesse cenário, qual será o período de retorno de um projeto de instalação de dez máquinas ATM?
Provas
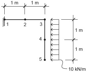
Considere a estrutura isostática esquematizada a seguir, na qual 1, 2, 3, 4 e 5 são pontos da estrutura, e o único apoio está representado no ponto 1.

Com base no diagrama de momentos fletores, os valores absolutos, em kNm, nos pontos 2, 4 e 5, são, respectivamente,
Provas
Os diversos serviços que fazem parte de um orçamento de obra são constituídos em suas composições
Provas
A Constituição Federal brasileira define que, nas ações administrativas decorrentes do exercício da competência comum relativas à proteção do meio ambiente, deve haver cooperação entre a União, os Estados, o Distrito Federal e os Municípios. Por outro lado, a Resolução CONAMA nº 237/1997 afirma que os empreendimentos e as atividades serão licenciados em um único nível de competência. Dessa forma, para evitar dúvidas sobre o órgão no qual deverão ocorrer as atividades de licenciamento, a Lei Complementar nº 140/2011 regulamentou o assunto.
Segundo esse instrumento legal, alguns empreendimentos devem ser administrativamente licenciados pela União, EXCETO aqueles
Provas
Ao desenvolver projetos de sinalização, é importante considerar que o usuário precisa, muitas vezes, visualizar a mensagem a longa distância ou até mesmo em movimento. É justamente por isso que os conceitos de legibilidade e leiturabilidade são tão essenciais na prática do designer.
A partir dos dois conceitos, aplicados em projetos de sinalização, pode-se afirmar que
Provas
Uma avaliação essencial que deve ser feita num projeto de sinalização é a relação entre a altura das letras numa placa e a distância do observador.
Considerando-se que uma letra precise ser lida confortavelmente a 30 m, o menor tamanho ideal de letra, em milímetros, segundo a NBR 16820:2020 é
Provas
Caderno Container