Foram encontradas 50 questões.
O LibreOffice Impress é uma ferramenta gratuita para apresentação de Slides. Sobre os modos de utilização dessa ferramenta associe as colunas a seguir.
MODOS
1 - Normal
2 - Estrutura de Tópicos
3 - Notas 4 - Folheto
5 - Classificador de Slides
UTILIZAÇÕES
( ) Apresenta de um a seis slides em uma só página.
( ) Neste módulo, são exibidas todas as páginas da apresentação em forma de lista, permitindo a edição de títulos e mostrando as principais informações dos slides.
( ) É o modo no qual são criados e editados os slides que compõem a apresentação.
( ) Apresenta uma área de texto do slide onde podem ser feitas anotações para serem usadas durante uma palestra.
( ) Quantidade total de slides de uma apresentação.
A sequência correta de associações é
Provas
Considere a seguinte tabela, levando em conta a elaboração de planilhas eletrônicas no LibreOffice 7.0:

A execução da fórmula =cONt.SES(a2:a17;"=BELO HORiZONtE";E2:E17;"=SiM") retornará
Provas
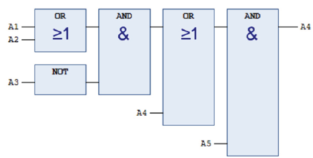
Observe o programa em diagrama de blocos funcionais a seguir.

Ele pode ser descrito em Texto Estruturado como
Provas
Considerando-se o programa em Ladder apresentado a seguir, assinale o programa em Texto Estruturado cujo comportamento mais se aproxima do comportamento do programa em Ladder.

Provas
Sensores resistivos, como RTDs, normalmente podem ser conectados a 2, 3 ou 4 fios para tentar compensar os efeitos das resistências das ligações. Sobre estas conexões, avalie o que se afirma a seguir.
I - Na conexão a dois fios, os valores das resistências dos fios são medidos em conjunto com a resistência do elemento sensor, sem compensação.
II - Na conexão a três fios, se todos os fios forem idênticos (em termos de resistência) é possível compensar o efeito das resistências dos fios e se obter apenas a resistência do elemento sensor.
III - Na conexão a quatro fios, independente da resistência individual de cada fio, é possível se compensar exatamente o efeitos das resistências dos fios, obtendo- se apenas a resistência do elemento sensor.
É certo afirmar que
Provas
A ponte de Wheatstone é um circuito muito utilizado para a determinação de uma resistência elétrica desconhecida por detecção de nulo.

Considerando-se que a ponte esteja equilibrada (!$ R_1 R_4=R_2 R_3 !$), temos que !$ V_1 !$=0. Considerando-se que !$ R_2=R_4 !$=200 !$ Ω !$, e que um PT100 a 80 ºC é ligado em !$ R_1 !$ (desprezando-se as resistências dos fios conectando o PT100 à ponte de Wheatstone), qual deve ser o valor de !$ R_3 !$ em que !$ V_1 !$=0, se a resistência do PT100 segue a equação R=100(1+0,00385T)?
Provas
A pirâmide da automação industrial, mostrada a seguir, é uma representação muito utilizada para indicar a estruturação usualmente empregada nos projetos de automação industrial.

Considerando-se que o nível 1 é o que contém os instrumentos de campo (como sensores e atuadores), e o nível 2 é o que contém os dispositivos de controle (como CLPs e SDCDs), assinale a alternativa que apresenta redes tipicamente utilizadas comunicando estes níveis.
Provas
De modo a simplificar a manutenção da comunicação entre os diversos níveis de dados em automação industrial, em 1996 foi proposto o padrão OPC (antigamente conhecido como OLE for Process Control, mas hoje em dia conhecido como Open Platform Communications).
Esse padrão, atualmente conhecido como OPC Clássico, foi largamente empregado na indústria, principalmente na comunicação entre CLPs e SCADAs. Sobre ele é correto afirmar que se trata de um
Provas
Os sistemas supervisórios são sistemas digitais para a monitoração e a operação da planta, gerenciando diversas variáveis do processo (sejam elas digitais ou analógicas). Normalmente são divididos em dois grandes grupos: as IHMs (Interfaces Homem-Máquina) e o SCADA (Sistema de Controle Supervisório e Aquisição de Dados, do inglês Supervisory Control And Data Acquisition). Em relação a esses dois grupos, considere as seguintes afirmações.
I - As IHMs normalmente se encontram no chão-de-fábrica, próximas aos equipamentos que estão sendo controlados/ monitorados. São muito comuns no contexto de máquinas de comando numérico (CNC).
II - Os sistemas SCADA normalmente são implementados em computadores pessoais comuns. Sua comunicação pode ser feita diretamente com os CLPs e remotas em campo, ou pode-se ter uma estação responsável por centralizar os dados de comunicação da rede de controle e instrumentação e fornecê-los, via rede de comunicação, para as demais estações.
III - É comum que os sistemas SCADA tenham controle de acesso de usuários e exibam/permitam diferentes dados e comandos para diferentes níveis de usuários.
IV - Os sistemas supervisórios não são capazes de indicar alarmes e eventuais condições fora do padrão normal de operação.
É correto afirmar que
Provas
Considere o programa apresentado a seguir.

Sobre o seu funcionamento é correto afirmar que,
Provas
Caderno Container