Foram encontradas 50 questões.
Acerca do que consta no Código de Ética Profissional do Servidor Público Civil do Poder Executivo Federal (Decreto nº 1.171/1994) e no Sistema de Gestão da Ética do Poder Executivo Federal (Decreto nº 6.029/2007), assinale a alternativa CORRETA:
Provas
Disciplina: TI - Organização e Arquitetura dos Computadores
Banca: IF-ES
Orgão: IF-ES
Considerando o trecho de código apresentado na “Tabela 1. Trecho de Código” – implementado na linguagem C de programação, em um sistema computacional de 64 bits no qual o tamanho de um dado do tipo inteiro seja 4 bytes e ponteiros para inteiro sejam 8 bytes – assinale a opção que corresponde ao texto que será exibido no console, quando a linha 6 for executada.
Obs: utilize a “Tabela 2. Memória Computacional” para auxílio no desenvolvimento da questão.
Tabela 1. Trecho de Código

Tabela 2. Memória Computacional

Provas
Disciplina: TI - Organização e Arquitetura dos Computadores
Banca: IF-ES
Orgão: IF-ES
Acerca da Organização Estruturada de Computadores, observe as afirmações abaixo e assinale a opção em que apresenta as afirmações VERDADEIRAS.
I. Nas CPUs, o conceito de pipelining promove o paralelismo no nível de processador.
II. O objetivo fundamental da memória cache é reduzir a latência computacional na tarefa de acesso aos dados.
III. Em uma memória primária, todas as células contêm o mesmo número de bits.
Se uma célula consistir em k bits, ela pode conter quaisquer das 2k diferentes combinações de bits.
Provas
Disciplina: TI - Organização e Arquitetura dos Computadores
Banca: IF-ES
Orgão: IF-ES
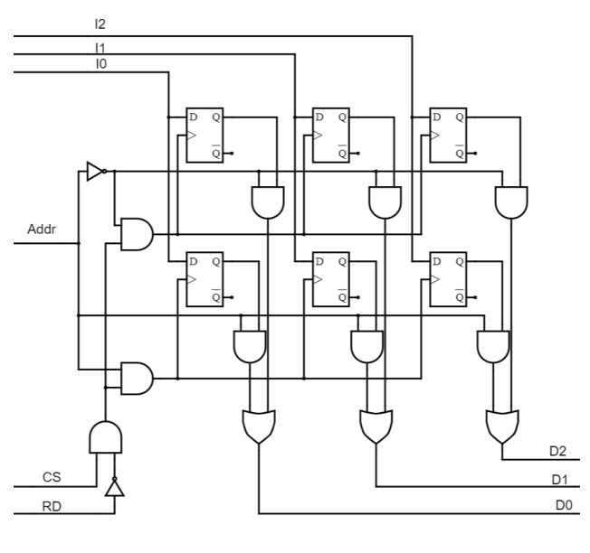
A figura abaixo ilustra os circuitos lógicos no desenvolvimento de uma memória RAM estática, em um arranjo simplificado de 2 x 3, isto é, 2 endereços de 3 bits. As entradas para o armazenamento dos 3 bits são representadas como I2, I1, I0. Também é possível visualizar uma entrada Addr para o endereçamento e duas entradas de controle CS (Chip Select) e RD (ReaD). As saídas da memória (lidas de algum endereço) são representadas por D2, D1 e D0. Outras possíveis entradas e saídas não foram representadas, pois não influenciam na análise da questão. Com base nesta memória, analise os diagramas de tempo dos sinais de entrada e determine as saídas D2, D1 e D0. Assinale a alternativa que corresponde aos valores das saídas no tempo T2, na ordem do bit mais significativo para o menos significativo, isto é: D2, D1, D0


Provas
Disciplina: TI - Organização e Arquitetura dos Computadores
Banca: IF-ES
Orgão: IF-ES
O computador moderno possui vários dispositivos e recursos de memórias para armazenamento de dados e informação que tradicionalmente podem ser representados em uma hierarquia de memórias, através da figura abaixo. Sobre a hierarquia de memórias, analise as seguintes alternativas, assinalando a alternativa ERRADA.

Figura adaptada de TANENBAUM, A. Organização Estruturada de Computadores. 6ª edição. Pearson, 2013
Provas
Disciplina: TI - Organização e Arquitetura dos Computadores
Banca: IF-ES
Orgão: IF-ES
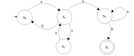
Considerando a Teoria da Computação para expressões regulares, qual expressão pode ser utilizada para representar o seguinte Autômato Finito Determinístico (AFD):´
Obs: para essa questão, foi utilizada a notação de teoria da computação no estudo das propriedades de linguagens regulares:
● União: U
● Estrela: *
● Concatenação: ° (que pode estar implícito)

Provas
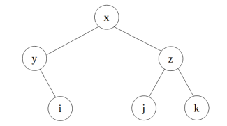
Considerando a estrutura de dados de árvore binária e sabendo que uma árvore binária possui 3 modos de percurso, a saber: Pré-Ordem, Ordem Simétrica (ou In-Ordem) e Pós-ordem; deseja-se desenvolver uma função usando a Linguagem de Programação C para imprimir todos os elementos de uma árvore binária, utilizando a ordem simétrica (ou In-Ordem). A título de ilustração, se considerarmos a árvore binária da figura abaixo, os elementos impressos em ordem simétrica seria: y i x j z k

O código abaixo representa a estrutura (struct) do nó da árvore. Qual alternativa permite imprimir a estrutura da árvore utilizando a ordem de percurso simétrica (ou In-Ordem).
Obs: considere a assinatura da função de imprimir como void p(A *a) e que “a” seja um ponteiro para o nó raiz de uma árvore binária válida.

Provas
Considere as funções abaixo e determine a complexidade do algoritmo de ordenação da função “ordena”, usando a notação Big-O;

Provas
A engenharia de requisitos de software define uma base concreta para o projeto e para a construção. Acerca da Engenharia de Requisitos, assinale a afirmação VERDADEIRA.
Provas
São características do Método de Desenvolvimento Ágil Scrum, EXCETO:
Provas
Caderno Container