Foram encontradas 350 questões.
O fosfato de cálcio pode ser empregado como biomaterial para a reposição e regeneração do tecido ósseo, pois apresenta algumas características, tais como: semelhança com a fase mineral de ossos; dentes e tecidos calcificados; excelente biocompatibilidade; bioatividade; ausência de toxicidade local ou sistêmica; ausência de resposta a corpo estranho ou inflamações (GOMES, E.A. et. al, Cerâmicas, São Paulo, v. 58, p. 448-452, 2012).
Uma das formas de obtenção do fosfato de cálcio pode ser através da reação:
!$ CaCO_3 !$ !$ _{(aq)} !$ !$ + !$ !$ Mg_3(PO_4)_2 !$ !$ _{(aq)} !$ !$ Ca_3(PO_4)_2 !$ !$ _{(aq)} !$ !$ + !$ !$ MgCO_3 !$ !$ _{(aq)} !$
Considerando que a reação tem um rendimento de 80%, qual a massa de fosfato de cálcio, em gramas, será obtida quando são utilizados 450 g de carbonato de cálcio (70% de pureza)?
Dados: Ca = 40 g/mol; C = 12 g !$ mol^{-1} !$; O = 16 g !$ mol^{-1} !$; Mg = 24 g !$ mol^{-1} !$; P = 31 g !$ mol^{-1} !$; Ca = 40 g !$ mol^{-1} !$.
Provas
Questão presente nas seguintes provas
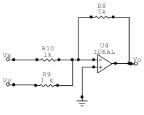
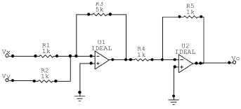
Um determinado sistema recebe dois sinais de tensão elétrica, !$ V_x !$ e !$ V_y !$, em sua entrada, sendo a sua saída definida por !$ V_o = 5 \, V_x + 5 \, V_y !$. Para a implementação física desse sistema, o engenheiro projetista utilizou amplificadores operacionais ideais e resistores de !$ 1 !$ !$ KΩ !$ e !$ 5 !$ !$ KΩ !$. Assinale o circuito eletrônico que o engenheiro usou no projeto.
Provas
Questão presente nas seguintes provas
“Movimentos sociais são ações sociopolíticas construídas por atores sociais coletivos pertencentes a diferentes classes e camadas sociais, articuladas em certos cenários da conjuntura socioeconômica e política de um país, criando um campo de força social na sociedade civil. As ações se estruturam a partir de repertórios criados sobre temas e problemas em conflitos, litígios e disputas vivenciados pelo grupo na sociedade. As ações desenvolvem um processo social e político-cultural que cria uma identidade coletiva para o movimento, a partir dos interesses em comum.”
GOHN, Maria da Glória. Teoria dos movimentos sociais: paradigmas clássicos e contemporâneos. São Paulo: Edições Loyola. 1997. p. 251.
A partir das últimas três décadas do século XX, em diferentes países, assistiu-se à multiplicação e à diversificação de coletivos de sujeitos articulados e mobilizados por diferentes demandas. Apesar da inexistência de um consenso na análise sociológica destes movimentos, algumas características gerais podem ser identificadas no conjunto heterogêneo desses “novos movimentos sociais”.
Marque entre as afirmações abaixo aquela que descreve uma característica comum a estes novos movimentos sociais:
Provas
Questão presente nas seguintes provas
O filósofo escocês David Hume (1711-1776) era um empirista convicto, considerado um dos grandes pensadores modernos, Hume acreditava que todo o conhecimento provinha da experiência, não podendo ser atribuído nenhuma afirmação a priori. Considerando o pensamento de Hume assinale a opção correta.
Provas
Questão presente nas seguintes provas
A titulação é um método clássico largamente utilizado para a determinação quantitativa de inúmeros analitos sem a exigência de uma aparelhagem sofisticada, tornando o custo da análise relativamente baixo. Na indústria alimentícia é de grande interesse conhecer a acidez total titulável de frutas cítricas para o processamento de sucos. Em uma determinada análise, um químico gastou 8,00 mL de uma solução 0,1 M de !$ NaOH !$ para titular 10,0 mL do suco de uma determinada fruta. Admitindo que o ácido cítrico (!$ C_6H_8O_7 !$) é o único ácido que reage com a base, como mostra a reação simplificada a seguir, pode-se afirmar que a acidez em termos de ácido cítrico (%m/v) da fruta é, aproximadamente:
Dado: Massa molar !$ C_6H_8O_7 !$ !$ = !$ !$ 192 \, \, g.mol^{-1} !$
!$ C_6H_8O_7 + 3 OH^- \rightarrow C_6H_5O_7 ^{3-} + 3 H_2O !$
Provas
Questão presente nas seguintes provas
Considere que o divisor de tensão do circuito elétrico origina uma tensão elétrica base-emissor (!$ V_{BE} !$) de 0,7 V no transistor (Q1) para a respectiva corrente elétrica de base igual a 2,3 mA que, por sua vez, resulta uma corrente elétrica no coletor de Q1. Sendo Hfe = 100; !$ R_2 !$ = 100 Ω e V1 = 10 V, determine a resistência R1 e a corrente elétrica I.

Provas
Questão presente nas seguintes provas
Retratando ...
Somos todos frustrados neste mundo;
uns são mais, outros menos, mas ninguém
pode gabar-se de não ter no fundo
recalques, pois, de sobra, todos têm!
uns são mais, outros menos, mas ninguém
pode gabar-se de não ter no fundo
recalques, pois, de sobra, todos têm!
Um poço de mistérios, bem profundo,
possui em seu recesso todo alguém ...
Mas a tara só vem à luz, segundo
o interesse animal que nos convém!
possui em seu recesso todo alguém ...
Mas a tara só vem à luz, segundo
o interesse animal que nos convém!
Embuçado no véu da hipocrisia,
ou preso a preconceitos, já sem fé,
todo homem se empenha noite e dia,
ou preso a preconceitos, já sem fé,
todo homem se empenha noite e dia,
nessa inglória tarefa de querer
insistir em mostrar o que não é,
e o que deseja, mas não pode ser!
insistir em mostrar o que não é,
e o que deseja, mas não pode ser!
Rubens de Castro. Disponível em: <http://www.academiadeletrasmt.eom.br/revista-aml/obras-digitalizadas/262-antologia-poetica-mato-grossense>
Conforme o dicionário Michaelis, licença poética é a liberdade de expressão que permite ao escritor utilizar construções que transgridem as normas poéticas ou gramaticais. É o caso do soneto de Rubens de Castro, que no primeiro terceto (no terceiro verso) faz uso da próclise no lugar da ênclise. Nas alternativas abaixo, considerando a norma padrão da língua portuguesa, o pronome oblíquo está usado de forma adequada apenas em:
Provas
Questão presente nas seguintes provas
Na Física, principalmente no ensino, é comum abstrair ou desprezar algumas propriedades que na prática têm relevância. No eletromagnetismo, no caso de uma bobina real que será utilizada em um transformador, por exemplo, qual/quais da(s) seguinte(s) propriedade(s) está/estão presente(s)?
Provas
Questão presente nas seguintes provas
Marx e Engels, ao analisarem as relações entre a filosofia alemã e a realidade alemã, afirmam: “[…] em sua imaginação, as relações dos homens, todos os seus atos e gestos, suas cadeias e seus limites são produtos da sua consciência [...]”
MARX, K.; ENGELS, F. A ideologia alemã. São Paulo: Martins Fontes, 2002.
Assinale a alternativa correta que apresenta o conceito e a situação a que o trecho se refere.
Provas
Questão presente nas seguintes provas
Existe uma quantidade de características relacionadas aos sensores que devem ser levadas em consideração no momento da seleção para uma dada aplicação. Relacione a coluna da direita com a coluna da esquerda com relação as caraterísticas dos sensores.
I - Precisão.
II - Linearidade.
III - Exatidão.
IV - Resolução
V - Estabilidade.
A. Indica o máximo desvio da função de transferência do sensor de uma reta de referência média.
B. Faixa de valores de entrada do sensor.
C. Grau de concordância entre indicações ou valores medidos, obtidos por medições repetidas, no mesmo objeto ou em objetos similares, sob condições especificadas.
D. Velocidade com que a medida fornecida pelo sensor alcança o valor real do processo. Resposta lenta pode prejudicar a eficiência do sistema de controle e até impedir que o sistema funcione a contento.
E. Menor variação incremental do sinal de entrada que resultará em uma variação mensurável no sinal de saída.
Assinale a alternativa correta.
Provas
Questão presente nas seguintes provas
Cadernos
Caderno Container