Foram encontradas 213 questões.
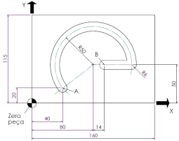
Considere o fresamento do rasgo partindo de “A” e terminando em “B”, a programação CNC correta é:

Provas
- LinuxAcesso Remoto no LinuxAcesso Remoto via SSH
- LinuxManipulação de Arquivos e Pastas (Shell)
- LinuxSegurança no Linux
O pacote Openssh permite acesso remoto a máquinas com sistema operacional Linux e também cópias entre elas. Assinale a alternativa que indica a cópia da pasta home do usuário jose que está no servidor1 para a pasta home do servidor2:
Provas
Veiga (2004) propõe uma distinção entre as concepções do projeto político-pedagógico (PPP) da escola, analisando-o do ponto de vista emancipador e do ponto de vista estratégico-empresarial. Com base nestas linhas de pensamento, assinale (V) caso ambas as características apresentadas sejam aplicáveis à concepção de PPP que encabeça a listagem, ou (F) caso uma delas não seja aplicável.
| Emancipador | Estratégico-Empresarial |
| Currículo como instrumento de compreensão do mundo. | Conhecimento como Produto Pronto e acabado. |
| Avaliação voltada para a construção do sucesso escolar. | Pensamento separado da ação. |
| Conhecimento como um processo de construção permanente, transmitido por meio da repetição e memorização. | Currículo homogêneo, como instrumento de transformação social. |
| Concepção de autonomia fundada em pressupostos pragmáticos. | Ênfase na participação da comunidade escolar. |
| A gestação democrática visa garantir a participação de todos os segmentos da escola. | O processo avaliativo está vinculado aos processos quantitativos. |
| Abordagem despolitizante da prática pedagógica. | A organização do processo de trabalho é integrada e democrática. |
Assinale a sequência CORRETA:
Provas
O painel traseiro dos equipamentos de áudio e vídeo é, normalmente, povoado por conectores de entrada e saída. Para possibilitar uma rápida identificação das conexões, os fabricantes usam padrões de cor para os conectores. Considerando os padrões de cores mais usuais para vídeo composto, vídeo componente e áudio estéreo, numere a coluna da direita de acordo com a da esquerda:
(1) RCA verde.
(2) RCA amarelo.
(3) RCA azul.
(4) RCA vermelho.
(5) RCA branco.
( ) Vídeo Componente (canal Y).
( ) Vídeo Componente (canal Pb).
( ) Vídeo Componente (canal Pr).
( ) Vídeo Composto.
( ) Áudio (canal L).
( ) Áudio (canal R).
A ordem CORRETA de associação, de cima para baixo, é:
Provas
Deverão ser objetivos do Pedagogo – Orientador Educacional, numa perspectiva crítica de atuação:
I – o atendimento individual dos alunos-problemas, em articulação com os diferentes campos do conhecimento e as questões sociais em geral;
II – a dimensão pedagógica, com ênfase no conhecimento que possibilite e promova a transformação do sujeito, da escola e da própria sociedade;
III – o trabalho, com o aluno, na possibilidade de sua totalidade, desenvolvendo o sentido da singularidade, autonomia, solidariedade;
IV – a participação da formação continuada dos profissionais da educação;
V – a construção de projetos de atuação/trabalho inseridos no projeto político pedagógico da escola;
VI – a atuação com os demais profissionais da escola, buscando trabalhar as questões do mundo contemporâneo na dimensão mais ampla da educação integral do sujeito;
VII – a mediação escola-família, num enfoque terapêutico, identificando o aluno como responsável por seus atos, seu sucesso e fracasso escolar;
VIII – a participação da ação educacional coletiva, compromissada com a formação do cidadão, e com o ajustamento escolar do aluno;
Assinale a alternativa CORRETA:
Provas
Segue abaixo uma relação de contas, dispostas em ordem alfabética:
| Adiantamento a Fornecedores | R$ 500,00 |
| Adiantamento de Clientes | R$ 2.000,00 |
| Aplicações Financeiras | R$ 4.000,00 |
| Bancos c/ Movimento | R$ 100,00 |
| Caixa | R$ 250,00 |
| Capital Social | R$ 30.000,00 |
| Clientes | R$ 8.000,00 |
| Depreciação Acumulada | R$ 800,00 |
| Equipamentos | R$ 500,00 |
| FGTS a Pagar | R$ 80,00 |
| Fornecedores | R$ 3.000,00 |
| ICMS a Recuperar | R$ 550,00 |
| Impostos a Recolher | R$ 850,00 |
| INSS a Pagar | R$ 300,00 |
| Salário a Pagar | R$ 890,00 |
| Veículos | R$ 15.000,00 |
Somando-se as contas que pertencem ao Ativo, encontra-se o seguinte valor:
Provas
A situação em que o agente público pratica ato visando a fim diverso daquele previsto, explícita ou implicitamente, na regra de competência, caracteriza, nos termos da definição legal, o vício dito:
Provas
A Experiência de Hawthorne foi realizada em uma fábrica de equipamentos e componentes telefônicos e foi coordenada por Elton Mayo. As conclusões desta experiência deram origem à Teoria das Relações Humanas. Aponte o que NÃO FAZ PARTE das conclusões desta experiência:
Provas
Segundo Fusari (1996), “O planejamento é, acima de tudo, uma atitude crítica do educador diante de seu trabalho docente”. Seguindo esta linha de pensamento, qual alternativa NÃO apresenta elementos relevantes para uma prática docente reflexiva:
Provas
Diante da enorme desigualdade social, a universalidade do acesso à educação ganha grande relevância no Brasil. No entanto, apesar da garantia do acesso à escola pública, muitos alunos são reprovados e abandonam seus estudos. Entre os fatores responsáveis por essa situação, estudos e pesquisas têm apontado a baixa qualidade do ensino e a "inadequação" da escola aos jovens das camadas populares que a frequentam. Baseado neste apontamento, pode-se afirmar que:
I – o ensino público brasileiro não garante aos seus alunos as condições necessárias e suficientes para o desenvolvimento de uma relação pessoal significativa com o(s) saber(es).
II – os fracassos, os abandonos, as violências que a escola deplora são também efeitos da heterogeneidade, da concorrência, dos conflitos entre formas do aprender, das relações com o aprender.
III – a escola pública precisa construir-se num espaço de reconhecimento recíproco, no sentido de acolher as origens sociais dos jovens, conhecendo sua cultura, considerando sua fala.
A alternativa CORRETA é:
Provas
Caderno Container