Foram encontradas 1.600 questões.
Arrastando-se a borda à direita do cabeçalho de uma coluna, utilizando-se planilhas no Microsoft Excel, provocar-se-á uma alteração
Provas
Questão presente nas seguintes provas
Observe o circuito abaixo.

Considerando que o circuito opera na região ativa e que os valores de!$ \beta !$ e VEB são respectivamente 100 e 0,7 V, os valores das correntes do transistor são
Provas
Questão presente nas seguintes provas
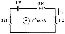
Observe o circuito abaixo.

Considerando condições iniciais nulas, determine a transformada de Laplace I0(s) da corrente io(t).
Provas
Questão presente nas seguintes provas
“No processamento do peixe, após extração do óleo, a torta de peixe é seca em secadores de tambor rotativo, moída fina e empacotada. Em certo lote de torta de peixe contendo 80 % de água, o restante é torta de peixe seca (TPS), 100 kg de água são removidas, e contata-se que agora o teor de água na torta de peixe é 40%”.
A quantidade em “kg” de proteína no produto final, sabendo-se que a TPS contém 65% de proteína, é de
Provas
Questão presente nas seguintes provas
Quando o líquido escoa através de tubulações, válvulas e conexões, por exemplo, cede energia para vencer as resistências que se oferecem ao escoamento. A energia cedida é normalmente chamada de perda de carga. Portanto afirma-se que
Provas
Questão presente nas seguintes provas
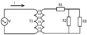
O transformador ideal T1 tem 330 espiras em seu enrolamento primário e 18 espiras no secundário. No primário está ligada uma fonte de tensão alternada V de 220 V.

No secundário, são ligados os resistores R1, R2 e R3, conforme o esquema ao lado. Cada um dos resistores tem resistência elétrica constante de 40 !$ \Omega !$. Assim, a corrente i, que circula no enrolamento primário do transformador, é igual a
Provas
Questão presente nas seguintes provas
Em PHP, considerando o operador bitwise << (conhecido como shift left). Observe o código fonte a seguir:
<?php
$x = 100 << 2;
echo $x;
?>
Assinale a alternativa CORRETA que corresponde ao que será impresso na tela após a execução do programa:
Provas
Questão presente nas seguintes provas
A respeito de herança no Java, analise as seguintes afirmações:
I. O Java não suporta herança múltipla.
II. Quando uma subclasse redefine um método herdado pela superclasse, utilizando a mesma assinatura de método, diz-se que a subclasse sobrecarrega esse método de superclasse.
III. O construtor de uma subclasse pode chamar o construtor da superclasse, explicitamente, através da palavra-chave super.
Estão CORRETAS as afirmativas
Provas
Questão presente nas seguintes provas
Analise as alternativas abaixo sobre pintura industrial:
I. As tintas epóxis curadas com aminas apresentam excelente resistência a ácidos, álcalis e solventes.
II. As tintas epóxis curadas com poliamida são de grande resistência a água e fáceis de aplicar em ambientes com umidade relativa elevada.
III. As tintas a base de resinas de poliuretano secam por oxidação e são indicadas para atmosferas medianamente agressivas.
Está(ão) correta(as) a(s) afirmativa(s):
Provas
Questão presente nas seguintes provas
Observe o circuito abaixo.

Sabendo que o tempo de desligamento toff do SCR é 20 μs, o valor mínimo da capacitância C que irá garantir a comutação é, aproximadamente,
Provas
Questão presente nas seguintes provas
Cadernos
Caderno Container