Foram encontradas 1.600 questões.
Em relação aos motores de corrente contínua, afirma-se que:
I. Para trocar o sentido de rotação de qualquer motor CC, é necessário inverter o sentido da corrente através da armadura com relação ao sentido do campo magnético.
II. A regulação de velocidade de um motor CC é definida como: “a variação da velocidade desde a plena carga até a situação de carga nula, expressa em porcentagem da velocidade nominal”.
III. Um motor CC de excitação paralela (shunt) operando com o campo fraco e sem nenhum meio de compensar a reação da armadura, é particularmente susceptível à instabilidade de carga e de disparar a sua velocidade.
Estão corretas as afirmativas
Provas
Questão presente nas seguintes provas
Qual o tipo de escalonamento que, a partir do momento em que um processo recebe o direito de utilização da CPU, nenhum outro processo, ou até mesmo o escalonador, pode lhe tirar esse recurso?
Provas
Questão presente nas seguintes provas
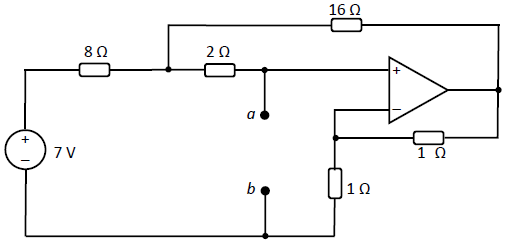
Observe o circuito abaixo, com um amplificador operacional ideal.

Insira entre os terminais a e b um resistor R com o qual será possível retirar a máxima potência PR. Os valores de R e PR são:
Provas
Questão presente nas seguintes provas
Observe o circuito abaixo.

A tensão de saída, considerando o amplificador operacional ideal, é dada por
Provas
Questão presente nas seguintes provas
Uma amostra revelou que a quantidade de níquel encontrada em certas baterias foi 20mg; 9mg; 7mg; 2mg; 12mg; 7mg; 20mg; 15mg; e 7mg.
Considerando-se as medidas \bar{x} (média), Mo(moda) e Md(mediana) desse conjunto de dados, é correto afirmar que
Provas
Questão presente nas seguintes provas
A placa de um motor de indução de 6 pólos, 460 V, 50 cv e 60 Hz indica que sua velocidade com carga nominal é 1109 rpm. Supondo que o motor esteja operando com a carga nominal, é correto afirma que o escorregamento percentual e a frequência das correntes do rotor são respectivamente:
Provas
Questão presente nas seguintes provas
- Fundamentos de Sistemas OperacionaisCondição de Corrida
- Fundamentos de Sistemas OperacionaisSeção Crítica (Região Crítica)
- Gerenciamento de ProcessosSincronização de Processos
Para evitar ocorrência de condição de corrida é necessário encontrar alguma forma de proibir que mais de um processo acesse o dado compartilhado ao mesmo tempo. Em outras palavras, precisamos encontrar um meio de implementar a exclusão mútua de execução. Qual a alternativa que NÃO representa uma solução para evitar o problema de condição de corrida?
Provas
Questão presente nas seguintes provas
No algoritmo abaixo, a expressão “declare” é utilizada para efetuar a declaração de variáveis.
algoritmo
declare A, B, X inteiro
leia A
leia B
X = A + B
Escreva X
fimalgoritmo
Na Linguagem C, a expressão “declare” seria implementada por
Provas
Questão presente nas seguintes provas
BBC Mundo
Última actualización: jueves, 5 de noviembre de 2009 - 15:44
Brasil: entrenarán a maestros por la violencia
Las escuelas públicas de Río de Janeiro, en Brasil, pondrán en práctica un plan de emergencia para entrenar a los docentes ante posibles episodios de violencia.
El programa capacitará a educadores y empleados para que sepan orientar a los alumnos en momentos de tensión, como los frecuentes tiroteos entre narcotraficantes y policías.
La Secretaría Municipal de Educación de Río anunció que el plan de protección para situaciones de peligro se aplicará en las 1.064 escuelas de la ciudad, 200 de las cuales se encuentran en áreas de "alto riesgo".
Como explica el corresponsal de la BBC en Brasil, Paulo Cabral, la decisión se debe a que la violencia entre policías y narcotraficantes con frecuencia se propaga a otros vecindarios e incluso llega a las escuelas, que a veces son atravesadas por los delincuentes mientras escapan de los uniformados.
"La idea es preparar a esos funcionarios para que tengan una actuación apaciguadora, dejando a los niños más calmados y dándoles seguridad en posibles situaciones de pánico", señaló la secretaría en un comunicado de prensa.
Los plazos para la aplicación del programa aún no fueron divulgados.
Violencia que no cesa
En los últimos días, más de 40 personas murieron por causa de los enfrentamientos entre bandas delictivas y las autoridades.
El miércoles pasado, cerca de 13.000 niños no pudieron asistir a escuelas públicas y guarderías por una serie de enfrentamientos entre bandas de narcotraficantes rivales y policías militares en Vila Kennedy, al oeste de Río.
Algo parecido sucedió el 20 de octubre, cuando grupos criminales invadieron un colegio en la favela de Manguinhos mientras escapaban de las fuerzas de seguridad.
Cabral comenta que, a diferencia de otras ciudades del mundo –cuyas zonas más peligrosas se encuentran en la periferia-, en Río muchos de los barrios marginales están muy cerca de las áreas más pudientes.
Esa proximidad física pone en evidencia la desigualdad social y hace más visible la violencia urbana.
"Abandonadas durante décadas por el Estado, las favelas acabaron siendo una base preferencial para delincuentes, especialmente narcotraficantes, y un pantano para la policía, que sólo logra entrar a esas áreas mediante el uso (y muchas veces abuso) de la fuerza", completa nuestro corresponsal.
http://www.bbc.co.uk/mundo/america_latina/2009/11/091105_maestros_brasil_rg.shtml
!$ \copyright !$ BBC 2009
Considere la siguiente oración, extraida del texto:
dándoles seguridad en posibles situaciones de pánico.
Suponga que recién se haya hecho referencia a la palabra seguridad y, para no repetirla, se la quiera reemplazar por un pronombre complemento. ¿Qué forma atiende adecuadamente a esa intención?
Provas
Questão presente nas seguintes provas
Analise as afirmações que se relacionam aos problemas ambientais urbanos e industriais, de acordo com Jurandyr Luciano Sanches Ross.
I. O desenvolvimento permanente dos meios de produção industrial, os avanços tecnológicos, a ampliação da sociedade de consumo, os atrativos do conforto e do lazer, a elevação do nível de renda que as cidades em geral oferecem e a liberação da mão-de-obra rural, tudo isso fez com que nos países industrializados mais de 80% da população se tornasse urbana.
II. Nos países de economia mais desenvolvida e de crescimento industrial mais harmônico, acompanhado de acentuada redução do crescimento demográfico e elevação do nível cultural e de renda, como os Estados Unidos o Japão e grande parte da Europa, os problemas ambientais urbanos existem, porém são menos agressivos.
III. Nas regiões que, em curto espaço de tempo, se transformaram em áreas industrializadas através da importação de tecnologias e capital e instalação maciça de empresas transnacionais, como ocorreu na América Latina, na Ásia e na África, os problemas ambientais urbanos são mais sérios e agravados pelos problemas sociais.
Estão corretas as afirmativas
Provas
Questão presente nas seguintes provas
Cadernos
Caderno Container