Foram encontradas 1.600 questões.
- Compilação e Interpretação de CódigoCompilação
- Compilação e Interpretação de CódigoGarbage Collector
O compilador TURBO C oferece 6 (seis) modelos de memória, entre as quais se pode escolher um para compilar os programas. Os modelos são
Provas
Questão presente nas seguintes provas
As afirmações abaixo estão relacionadas a fundamentos da área de controle de processos industriais:
I. No controle por realimentação, a variável medida é comparada com o set point, podendo gerar uma diferença, que o controlador irá manipular para manter o sistema no valor desejado.
II. Os modos de controle proporcional, integral e derivativo são os mais utilizados pelos controladores industriais convencionais.
III. As válvulas de controle industriais, em geral, são dispositivos automáticos que manipulam a vazão de fluidos através do equilíbrio entre a força gerada por pressão de ar em oposição à força gerada por molas.
Está(ão) correta(s) a(s) afirmativa(s):
Provas
Questão presente nas seguintes provas
Em sistemas operacionais, o escalonador realiza a seleção entre os processos em estado de pronto que estão na memória, para serem executados pelo processador. Este escalonador faz decisões de escalonamento muito mais frequentemente que os outros. Estamos nos referindo ao escalonador do tipo
Provas
Questão presente nas seguintes provas
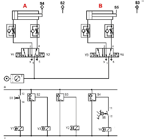
Observe o esquema eletropneumático abaixo:

Em relação a este esquema, afirma-se:
I. O diagrama elétrico foi desenvolvido pelo método passo a passo.
II. A sequência de funcionamento dos cilindros é A+ B+ A- B-
III. As válvulas de controle de vazão estão controlando o ar de entrada dos atuadores.
Está(ao) correta(s) a(s) afirmativa(s):
Provas
Questão presente nas seguintes provas
Analise as seguintes afirmações:
I. Quanto maior a constante dielétrica do material existente entre as placas de um capacitor, maior é a sua capacitância.
II. Capacitores associados em série possuem a mesma quantidade de carga armazenada.
III. Quanto maior for a frequência da corrente elétrica em um indutor, maior será a queda de tensão entre seus terminais.
Estão corretas as afirmativas
Provas
Questão presente nas seguintes provas
1390483
Ano: 2010
Disciplina: TI - Organização e Arquitetura dos Computadores
Banca: IF-SUL
Orgão: IF-SUL
Disciplina: TI - Organização e Arquitetura dos Computadores
Banca: IF-SUL
Orgão: IF-SUL
Provas:
O Firewire é considerado um barramento serial especificado pelo padrão IEEE 1394. Com relação a este barramento, é correto afirmar que
Provas
Questão presente nas seguintes provas
No controle do crescimento microbiano, empregam-se inúmeros processos, baseados na utilização de agentes físicos ou químicos, que agem através de diferentes formas, algumas comentadas nas afirmativas a seguir:
I. O calor seco age provavelmente, pela oxidação violenta de componentes do protoplasma. Tem eficiência relativamente baixa, pela sua baixa capacidade de penetração. Além disso, somente alguns materiais como vidrarias, óleos ou pós. Nem todo material metálico pode ser esterilizado a seco, pois podem perder o corte ou a têmpera.
II. Temperaturas inferiores a 0ºC podem ser letais, especialmente no caso do congelamento rápido, que promove a formação de inúmeros cristais de gelo que, devido ao seu tamanho, perfuram a parede celular e a membrana. A alternância de congelamento e descongelamento também é bastante eficaz para a destruição dos microrganismos.
III. O calor úmido é muito mais eficiente. Age promovendo a desnaturação de proteínas e dissolução de lipídeos, o que também contribui para intensificar o primeiro processo. Tem alta capacidade de penetração e pode ser utilizado para uma grande variedade de materiais, inclusive biológicos.
IV. Os antibióticos formam um tipo especial de agentes quimioterápicos, geralmente obtidos de organismos vivos. O termo antibiótico designa um produto metabólico de um organismo que é prejudicial ou inibidor para certos microrganismos, em concentrações muito pequenas. As drogas mais importantes são produzidas por quatro gêneros de microrganismos: bacillus, penicilium, streptomyces e cephalosporium, normalmente existentes no solo. Assim sendo, o solo tem sido profundamente pesquisado na procura de micróbios capazes de produzir novos antibióticos.
Estão corretas apenas as afirmativas
Provas
Questão presente nas seguintes provas
Na condução do impulso nervoso durante a sinapse, os impulsos que trafegam pela soma e pelos dendritos do neurônio não podem ser transmitidos de volta, através da sinapse, para os botões sinápticos.
Isso significa dizer que a condução unidirecional dos impulsos nervosos ocorre:
I. No sentido dendrito!$ \rightarrow !$soma.
II. Apenas na sinapse.
III. Ocasionalmente na sinapse.
IV. No sentido soma!$ \rightarrow !$dendrito.
Estão corretas as afirmativas:
Provas
Questão presente nas seguintes provas
1390331
Ano: 2010
Disciplina: Literatura Brasileira e Estrangeira
Banca: IF-SUL
Orgão: IF-SUL
Disciplina: Literatura Brasileira e Estrangeira
Banca: IF-SUL
Orgão: IF-SUL
Provas:
Leia o poema a seguir.
Pastores, que levais ao monte o gado
Vede lá como andais por essa serra;
Que para dar contágio a toda a terra,
Basta ver-se o meu rosto magoado:
Eu ando (vós me vedes) tão pesado;
E a pastora infiel, que me faz guerra,
É a mesma, que em seu semblante encerra
A causa de um martírio tão cansado.
Se a quereis conhecer, vinde comigo,
Vereis a formosura, que eu adoro,
Mas não; tanto não sou vosso inimigo:
Deixai, não a vejais; eu vo-lo imploro;
Que se seguir quiserdes, o que eu sigo,
Chorareis, ó pastores, o que eu choro.
(COSTA, Cláudio Manuel da. Poemas escolhidos.
Rio de Janeiro: Ediouro, [s.d.]. p. 30.)
Sobre o poema, é possível afirmar que:
Provas
Questão presente nas seguintes provas
BBC Mundo
Última actualización: jueves, 5 de noviembre de 2009 - 15:44
Brasil: entrenarán a maestros por la violencia
Las escuelas públicas de Río de Janeiro, en Brasil, pondrán en práctica un plan de emergencia para entrenar a los docentes ante posibles episodios de violencia.
El programa capacitará a educadores y empleados para que sepan orientar a los alumnos en momentos de tensión, como los frecuentes tiroteos entre narcotraficantes y policías.
La Secretaría Municipal de Educación de Río anunció que el plan de protección para situaciones de peligro se aplicará en las 1.064 escuelas de la ciudad, 200 de las cuales se encuentran en áreas de "alto riesgo".
Como explica el corresponsal de la BBC en Brasil, Paulo Cabral, la decisión se debe a que la violencia entre policías y narcotraficantes con frecuencia se propaga a otros vecindarios e incluso llega a las escuelas, que a veces son atravesadas por los delincuentes mientras escapan de los uniformados.
"La idea es preparar a esos funcionarios para que tengan una actuación apaciguadora, dejando a los niños más calmados y dándoles seguridad en posibles situaciones de pánico", señaló la secretaría en un comunicado de prensa.
Los plazos para la aplicación del programa aún no fueron divulgados.
Violencia que no cesa
En los últimos días, más de 40 personas murieron por causa de los enfrentamientos entre bandas delictivas y las autoridades.
El miércoles pasado, cerca de 13.000 niños no pudieron asistir a escuelas públicas y guarderías por una serie de enfrentamientos entre bandas de narcotraficantes rivales y policías militares en Vila Kennedy, al oeste de Río.
Algo parecido sucedió el 20 de octubre, cuando grupos criminales invadieron un colegio en la favela de Manguinhos mientras escapaban de las fuerzas de seguridad.
Cabral comenta que, a diferencia de otras ciudades del mundo –cuyas zonas más peligrosas se encuentran en la periferia-, en Río muchos de los barrios marginales están muy cerca de las áreas más pudientes.
Esa proximidad física pone en evidencia la desigualdad social y hace más visible la violencia urbana.
"Abandonadas durante décadas por el Estado, las favelas acabaron siendo una base preferencial para delincuentes, especialmente narcotraficantes, y un pantano para la policía, que sólo logra entrar a esas áreas mediante el uso (y muchas veces abuso) de la fuerza", completa nuestro corresponsal.
http://www.bbc.co.uk/mundo/america_latina/2009/11/091105_maestros_brasil_rg.shtml
!$ \copyright !$ BBC 2009
Según el texto la violencia se propaga a
Provas
Questão presente nas seguintes provas
Cadernos
Caderno Container