Foram encontradas 625 questões.
Em um sistema de aquisição de dados, o único conversor A/D é de 10 bits e utiliza a técnica de aproximações sucessivas. Oito canais analógicos deverão ser atendidos de forma multiplexada a uma taxa de amostragem, por canal, de 4KHz. Com esta informação, a freqüência mínima de operação do relógio do conversor é:
Provas
Observe o circuito lógico abaixo.

Nesse circuito, os bits menos significativos são Q0, C0 e Y0. Se a frequência do relógio, CK, é 4 KHz, então a freqüência da SAÍDA será:
Provas
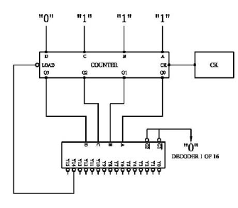
Observe abaixo, o contador que forma parte do circuito digital.

Esse contador comanda um conjunto de relés. Este pode ser carregado no modo assíncrono pela entrada 'load' com a palavra DCBA em binário. A sequência de estados completos do contador será:
Provas
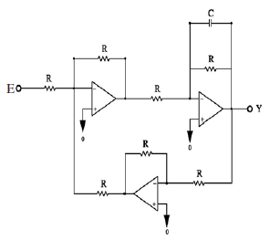
Observe o circuito abaixo.

A função de transferência G(s) = Y(s) / E(s) desse circuito é:
Provas
A função não linear da força gerada por um dispositivo eletromagnético é:
!$ F(g,I)=K\dfrac{I^2}{g^2}, !$
onde !$ I !$ representa corrente elétrica, em Amperes, e g um entreferro, em m.
A linearização desta equação em torno do ponto de operação !$ I_o !$ = 1A e !$ g_o !$ = 10-3 m, resulta na seguinte equação:
!$ f=k_xx+k_ii, !$ onde !$ f=F(g,I)-F(g_o,I_o). !$
Considerando K = 105 N-m2/A2, as constantes kx (N/m) e ki (N/A) são respectivamente:
Provas
Observe o sistema de controle digital a seguir:

Nesse sistema, a função de transferência do controlador foi deduzida como:
C(z) = (10 Z2 – 19,94 Z + 9,441) / (Z2 – 1,98 Z + 0,982).
Com esta informação, a equação de diferenças que deve ser implementada em um microcomputador será:
Provas
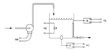
A figura abaixo se refere a um sistema de controle nebuloso de temperatura de água de um prédio.

Para isto se dispõe de um reservatório onde se encontram alocados um sensor (IT), que fornece uma tensão elétrica VT proporcional à temperatura da água e um sensor (IL) que fornece uma tensão VL proporcional ao nível de água no reservatório. O controlador nebuloso (FLC) atua no motor (M) de uma bomba, conectando-o à tensão VM, e também impondo a tensão (VR) ao resistor R, que pode ser nula, média ou alta. Considerando que os termos linguísticos T( ) associados a cada variável são: T1(VT)=[baixa, normal, alta]; T2(VL)=[baixo, médio, alto]; T3(VM)=[ligar, desligar] e T4(VR)=[zero, média, alta], o número máximo de regras do controlador será:
Provas
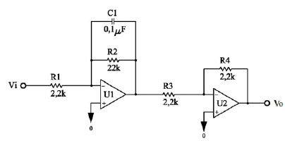
Observe o circuito abaixo.

Esse circuito implementa um filtro de primeira ordem. O ganho máximo e a frequência de corte valem respectivamente:
Provas
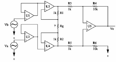
Observe o circuito a seguir.

Se nesse circuito o ganho !$ G=\dfrac{Vc}{Va-Vb} !$ vale 60dB, então o valor do resistor Rg é:
Provas
Observe o circuito a seguir.

Nesse circuito, a queda de tensão anodo-catodo do diodo D1, quando está em condução, vale 0,7V. A corrente que circula por ele vale:
Provas
Caderno Container