Foram encontradas 625 questões.
Os monocristais que formam uma junção PN são dopados, respectivamente, com Na/cm3 de impurezas aceitadoras (por exemplo o Boro) e com Nd/cm3 de impurezas doadoras (por exemplo o Fósforo). Os cristais formam uma junção PN e consequentemente um diodo de junção. Quando se aumentam as dopagens, sem atingir as condições de degeneração, tanto do lado P quanto no lado N do diodo, pode-se concluir que aumenta a:
Provas
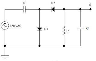
O circuito a seguir é alimentado pela tensão da rede elétrica de 120 VAC. Os diodos são ideais, o resistor é de 10 kΩ e os capacitores de 100 μF.

Algum tempo após a tensão da rede ser ligada o circuito entra em operação permanente, e o valor mais próximo para a tensão entre o ponto S e o ponto de aterramento é de:
Provas
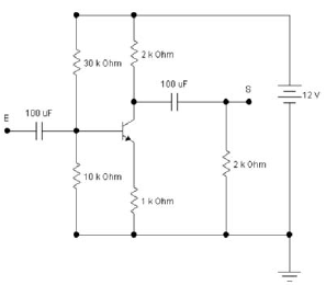
O transistor do circuito abaixo é de silício e apresenta o ganho de corrente hfe = 300 e hie = 1,0 kΩ e os capacitores têm reatâncias desprezíveis.

No ponto E aplica-se um sinal senoidal ec (t) = sen ωt. O equivalente aproximado de Thèvenim entre o ponto S e o ponto de aterramento é uma fonte de:
Provas
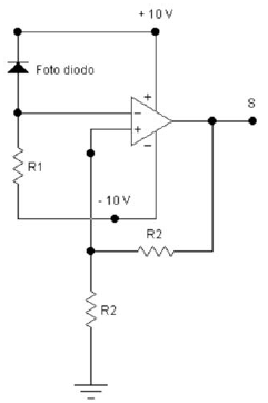
O operacional no circuito abaixo é ideal. Quando a tensão aplicada no terminal positivo é maior que a tensão aplicada no terminal negativo, a saída é de +10,0 V e, quando ocorre o inverso, a saída é igual a – 10 V. O foto diodo tem uma corrente de escuro (dark current) de 10 μA e uma corrente de 150 μA, quando iluminado.

Se desejar que a tensão no ponto S seja – 10 V ou +10 V, dependendo da iluminação no foto-diodo, o melhor valor para o resistor R1 será de:
Provas
No circuito abaixo o operacional é ideal.

Inicialmente no ponto P é aplicada uma tensão que satura o transistor T1. Quando a tensão no ponto P for levada a zero tem-se, no ponto S, um sinal cuja função f(t) será:
Provas
O operacional do circuito abaixo é ideal e está perfeitamente polarizado.

Quando a chave K for aberta o circuito se comportará como um:
Provas
Foram desenhados abaixo a curva característica, I = f (V), de um diodo Túnel e sobre ela uma reta de carga de polarização do diodo.

Essa inclinação da reta de carga é usada quando se deseja projetar, com um diodo Túnel, um:
Provas
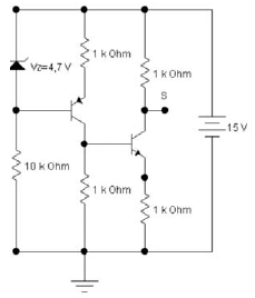
Os transistores do circuito abaixo são de silício e apresentam os hFE muito grandes.

A tensão do ponto S em relação ao ponto de aterramento é, aproximadamente:
Provas
Foi pedido a um engenheiro que analisasse o circuito abaixo, o qual não continha quaisquer referências às entradas ou saídas.

Pela topologia ele concluiu que era um flip-flop tipo:
Provas
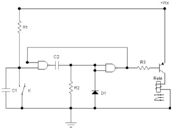
No circuito que se segue o integrado é um CMOS e K é uma chave de um pólo e duas posições. O integrado tem nível de limiar na entrada, entre “0” lógico e “1” lógico, de ½ Vcc. Analise o circuito.

O circuito está perfeitamente polarizado e funcionado.
Pode-se concluir que o circuito é um temporizador acionado pela chave K. Quando houver um fechamento da chave, mesmo momentâneo, o relé deverá ser acionado por um intervalo de tempo Δt. Após o fechamento da chave o relé permanecserá fechado por um intervalo de tempo:
Provas
Caderno Container