Foram encontradas 625 questões.
O CDMA (Code Division Multi Access) usa espalhamento de espectro como acesso ao meio, pela multiplicação dos dados de informação por um código pseudo aleatório com taxa maior que a dos dados. Na recepção a sequência recebida é multiplicada pelo código pseudo aleatório de transmissão e os dados são recuperados. São exemplos de códigos pseudo aleatórios, os seguintes códigos entre colchetes:
Provas
O Código de Hamming é um código de bloco linear para detecção e correção de erros em transmissão de dados.
A palavra P1 P2 P3 D1 D2 D3 D4, codificada em código de Hamming, onde P1, P2 e P3 são bits de paridade e D1, D2, D3 e D4 são bits de dados, permite:
Provas
Três amplificadores de RF, A1, A2 e A3, respectivamente com ganhos de potência G1, G2 e G3 e figuras de ruído F1, F2 e F3, são conectados em cascata.

Sendo o sinal da entrada E sem ruído e com a saída em S, teremos o ruído global F com a seguinte função:
Provas
O circuito mostrado no diagrama de blocos abaixo, foi proposto por J. P. Costas para resolver o problema de controle de fase. Os blocos têm as funções neles especificadas e os blocos X são multiplicadores de quatro quadrantes.

O diagrama em blocos, com a entrada em E e a saída em S, é um circuito usado como:
Provas
Na Hierarquia Digital Plesiócrona (do grego plesios = quase e cronos= tempo) assim chamada porque a taxa dos tributários dessa hierarquia, após o E1, não é a soma das taxas dos tributários inferiores. Por exemplo, na formação de tributário E2, através de quatro tributários E1, a taxa passa de 8.192 kbps para 8448 kbps. Estes bits adicionais são usados para:
Provas
A sinalização telefônica utilizada há muitos anos na rede de telefonia, era o MFC (Multi Freqüência Compelida), que é a Sinalização n° 5-C. Atualmente a sinalização está toda convergindo para a Sinalização por Canal Comum n° 7. Na estrutura da mensagem MSU (Message Signal Unit) desta Sinalização, há um campo que compreende a mensagem propriamente dita, isto é, com informações sobre o endereço do ponto de destino, do ponto de origem e sobre o enlace de sinalização. Esse campo é o:
Provas
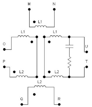
Existe um dispositivo que é há muitos anos usado em telefonia e é conhecido como transformador híbrido, dispositivo híbrido ou simplesmente bobina híbrida. Esse dispositivo transforma um circuito telefônico a dois fios, um par de fios, os quais são usados ao mesmo tempo para recepção e transmissão, em um circuito telefônico a quatro fios, um par somente de recepção e outro somente de transmissão. Os indutores “L1” são enrolamentos de um transformador e os indutores “L2” são enrolamentos de outro transformador.
Observe o circuito a seguir.

Um circuito telefônico a dois fios deverá ser ligado aos seguintes terminais:
Provas
Deseja-se medir a potência de um transmissor, que está em torno de 50 dBm ± 3 dB, com um medidor de potência (wattímetro) calibrado de 0 a 250 mW (miliwatts). Para isso precisa-se usar um atenuador Feed – Througth como carga que case com a impedância de saída do transmissor. Nesse caso, o atenuador deverá ser de:
Provas
Observe a figura abaixo.

Essa antena com eficiência η =1 e com um refletor parabólico, cujo círculo frontal do refletor tem um diâmetro 3,0 metros, transmite um sinal de microondas com uma frequência de 1,0 GHz.
Se considerarmos π2 =10, o ganho de antena será, aproximadamente de:
Provas
Uma antena tipo corneta é acoplada a um guia de onda retangular, cujas dimensões são a = 2,5 cm de largura e b = 1,0 cm de altura, fechado na parte traseira. Um sinal de microondas de frequência de 10 GHz é injetado no guia de onda através de cabo coaxial e um pino sonda, que penetra no interior da maior face e é isolado do corpo do guia, como mostra o corte longitudinal do conjunto abaixo.

Para obter o máximo de rendimento na transmissão, a distância d, entre a sonda e a parte traseira fechada do guia, deverá ser de aproximadamente:
Provas
Caderno Container