Foram encontradas 625 questões.
Iodo é aquecido com hidrogênio para formar gás iodídrico. A representação da constante de equilíbrio dessa reação química é:
Provas
Observe o esquema abaixo:

O processo de separação que emprega a peneira molecular, cuja composição básica são os componentes Al2O3 , SiO2 e NaOH, é utilizado para remoção de:
Provas
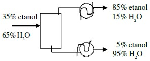
Observe a figura abaixo:

Em uma torre de destilação de etanol/H2O, a quantidade em massa do destilado em Kg por Kg de alimentação, é:
Provas
A entropia é a função que mede o grau de reversibilidade de um sistema termodinâmico. Se o valor desta função for zero, tem o seguinte significado no sistema:
Provas
Observe os dados da tabela abaixo:
P = 100 psia
|
Temperatura (F) |
KC4 |
KC8 |
|
180 |
1,5 |
0,6 |
|
190 |
1,7 |
0,7 |
|
76 |
0,92 |
0,017 |
Os pontos de bolha e de orvalho para a mistura C4 (0,50) e C8(0,50) a 100 psia, são:
Provas
Em relação à operação unitária de centrifugação na separação sólido-fluido, a característica considerada pertinente a esta operação, é a separação de partículas de:
Provas
Observe os dados abaixo:
Dados:
• !$ ρ !$ H2O = 1 g/cm3
• !$ μ !$ H2O = 1 cp
• Re= 4,024
A velocidade terminal de uma partícula em cm/s, de dp = 195!$ μ !$, esfericidade de 0,73 e densidade de 2,7 g/cm3 caindo na água à 25ºC, é:
Provas
A participação do BHT (hidroxi butil tolueno) no processo de produção de SBR(borracha sintética) é:
Provas
A operação unitária de fluidização é mais apropriada para os seguintes equipamentos da indústria química:
Provas
Nas bombas centrífugas, a energia é transmitida sob a forma cinética e de pressão, isto é, tanto a pressão como a velocidade aumentam. No que diz respeito ao funcionamento da descarga dessas bombas, sua função depende de:
Provas
Caderno Container