Foram encontradas 884 questões.

Assinale a opção que corresponde à configuração de amplificador com transistor apresentado na figura precedente.
Provas
Em um diodo em polarização direta, a corrente que atravessa a junção p-n será
Provas

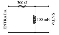
Considerando π = 3, assinale a opção que corresponde, respectivamente, ao tipo e à frequência de corte (!$ f !$C) do filtro ilustrado na figura anterior.
Provas

O circuito apresentado na figura precedente pode ser modelado pelo teorema de Thévenin como
Provas
A máxima transferência de potência de um gerador com resistência interna Ri, com tensão de saída Vs = E – Ri × I e corrente de curto-circuito ICC, ligado a uma carga RL, é obtida quando
Provas
Uma membrana elástica no plano xOy tem sofrido uma deformação de modo que cada par (x, y) sobre ela tem sido mapeado em um novo ponto T(x, y) = (w, s) de acordo com a transformação T(x, y) = (5x + 4y, 5y + x).
Com base na situação apresentada, assinale a opção que apresenta as direções principais dessa deformação e os correspondentes fatores de contração e(ou) de extensão.
Provas
Disciplina: TI - Gestão e Governança de TI
Banca: CESPE / CEBRASPE
Orgão: Itaipu
- Gestão de ProcessosBPM: Gerenciamento de Processos de NegócioBPI: Business Process Improvement
- Gestão de ProcessosMapeamento de Processos
- Gestão de ProcessosMelhoria Contínua de Processos
Com relação à BPI (business process improvement), julgue os seguintes itens.
I Um dos objetos facilitadores da BPI é o constante desejo das equipes por mudanças, fator motivacional que consolida as alterações necessárias nos processos de trabalho.
II Uma barreira ao uso da BPI é a falta de comunicação assertiva que inter-relacione as partes envolvidas nos processos e que deixe claras as responsabilidades e atribuições de cada agente.
III O mapeamento é a ferramenta gerencial que permite identificar a sequência das atividades componentes de um processo.
Assinale a opção correta.
Provas
Disciplina: TI - Gestão e Governança de TI
Banca: CESPE / CEBRASPE
Orgão: Itaipu
- Gestão de ProjetosPMBOKÁreas de ConhecimentoPMBOK: Gerenciamento das Partes Interessadas
- Gestão de ProjetosPMBOKPMBOK 7
Na 7.ª edição do PMBOK (project management body of knowledge), foram introduzidos os domínios de desempenho, que são conjuntos de atividades críticas para a entrega correta dos resultados do projeto; cada um deles traz o conteúdo necessário para gerar resultados essenciais para a conclusão eficaz do projeto. A esse respeito, assinale a opção que apresenta o domínio de desempenho associado corretamente ao seu respectivo resultado almejado.
Provas
A respeito da metodologia BIM (building information modeling) e das ferramentas AutoCAD e Revit, julgue os itens a seguir.
I O AutoCAD permite a realização de desenhos técnicos bi e tridimensionais.
II O AutoCAD e o Revit fornecem o mesmo montante de informações, no mesmo nível de profundidade.
III O BIM otimiza a interação entre as partes interessadas do empreendimento a partir de uma base de dados padronizada, o que reduz custos e retrabalhos.
Assinale a opção correta.
Provas
O cronograma físico-financeiro, ferramenta de planejamento que auxilia a construtora a gerenciar os serviços para a conclusão de uma construção,
Provas
Caderno Container