Foram encontradas 967 questões.
Considere as informações a seguir para responder a questão.
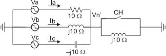
O circuito trifásico mostrado na Figura abaixo é composto por uma fonte trifásica equilibrada, uma carga trifásica desequilibrada, um reator de terra e uma chave CH. A fonte é de sequência ABC, com a tensão Va = 127∠0º V, e a carga desequilibrada está em conexão estrela, com o ponto de fechamento comum denominado Vn’, que será igual ao ponto de referência (terra) caso a chave CH esteja fechada.

Estando a chave CH aberta, em regime permanente, qual será o valor, em volts, do módulo da tensão Vn’ em relação ao ponto de referência (terra)?
O circuito trifásico mostrado na Figura abaixo é composto por uma fonte trifásica equilibrada, uma carga trifásica desequilibrada, um reator de terra e uma chave CH. A fonte é de sequência ABC, com a tensão Va = 127∠0º V, e a carga desequilibrada está em conexão estrela, com o ponto de fechamento comum denominado Vn’, que será igual ao ponto de referência (terra) caso a chave CH esteja fechada.

Estando a chave CH aberta, em regime permanente, qual será o valor, em volts, do módulo da tensão Vn’ em relação ao ponto de referência (terra)?
Provas
Questão presente nas seguintes provas
Considere as informações a seguir para responder a questão
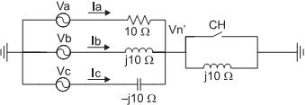
O circuito trifásico mostrado na Figura abaixo é composto por uma fonte trifásica equilibrada, uma carga trifásica desequilibrada, um reator de terra e uma chave CH. A fonte é de sequência ABC, com a tensão Va = 127∠0º V, e a carga desequilibrada está em conexão estrela, com o ponto de fechamento comum denominado Vn’, que será igual ao ponto de referência (terra) caso a chave CH esteja fechada.

Estando a chave CH fechada, em regime permanente, qual será o valor, em ampères, da componente de sequência negativa das correntes Ia, Ib e Ic mostradas na Figura?
O circuito trifásico mostrado na Figura abaixo é composto por uma fonte trifásica equilibrada, uma carga trifásica desequilibrada, um reator de terra e uma chave CH. A fonte é de sequência ABC, com a tensão Va = 127∠0º V, e a carga desequilibrada está em conexão estrela, com o ponto de fechamento comum denominado Vn’, que será igual ao ponto de referência (terra) caso a chave CH esteja fechada.

Estando a chave CH fechada, em regime permanente, qual será o valor, em ampères, da componente de sequência negativa das correntes Ia, Ib e Ic mostradas na Figura?
Provas
Questão presente nas seguintes provas

O circuito da Figura acima é composto por uma fonte de corrente de valor 100∠0º , três resistências, um indutor e uma fonte de tensão controlada pela tensão
Qual o valor, na forma retangular, da corrente
Provas
Questão presente nas seguintes provas

O circuito da Figura acima foi testado por um técnico e apresentado num relatório conforme os dados presentes na própria Figura. O fasor corrente
Qual a frequência da fonte de tensão Vs, em rad/s, utilizada no circuito?
Provas
Questão presente nas seguintes provas

No circuito elétrico da Figura acima, a expressão da impedância complexa equivalente, função da variável de Laplace e representada por
Provas
Questão presente nas seguintes provas
No circuito elétrico da Figura abaixo, sabe-se que a potência dissipada sobre o resistor de 40 Ω é de 57,6 W. 
Com base nos valores dos resistores mostrados no circuito, o valor da fonte de tensão E, em volts, é

Com base nos valores dos resistores mostrados no circuito, o valor da fonte de tensão E, em volts, é
Provas
Questão presente nas seguintes provas
No circuito RLC da Figura abaixo, os componentes são considerados ideais e inicialmente descarregados.

Com um sinal da fonte de tensão senoidal, em volts, dado por v(t) = 15sen(104 t), a expressão da corrente elétrica resultante, em amperes, será

Com um sinal da fonte de tensão senoidal, em volts, dado por v(t) = 15sen(104 t), a expressão da corrente elétrica resultante, em amperes, será
Provas
Questão presente nas seguintes provas
Considere o circuito elétrico resistivo da Figura abaixo, com uma fonte de tensão e uma de corrente, e o seu equivalente thevenin entre os pontos 1 e 2 ao lado.

O valor da tensão
, em volts, é :

O valor da tensão
Provas
Questão presente nas seguintes provas
No circuito elétrico da Figura abaixo, todos os resistores são iguais e valem 10 kΩ cada. O capacitor vale 100 µF e está, inicialmente, carregado com uma determinada tensão.

Considerando-se que o capacitor se descarrega totalmente após 5 constantes de tempo, contando o tempo a partir do fechamento da chave (ch) em t = 0, o capacitor estará descarregado a partir de

Considerando-se que o capacitor se descarrega totalmente após 5 constantes de tempo, contando o tempo a partir do fechamento da chave (ch) em t = 0, o capacitor estará descarregado a partir de
Provas
Questão presente nas seguintes provas

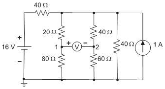
O circuito elétrico de corrente contínua mostrado na Figura é alimentado por uma fonte de corrente e outra de tensão. Um voltímetro ideal é posicionado para medir a tensão entre os pontos 1 e 2 do circuito.
De acordo com os valores mostrados na Figura, a tensão, em volts, medida pelo voltímetro é
Provas
Questão presente nas seguintes provas
Cadernos
Caderno Container