Foram encontradas 967 questões.
Um técnico em eletrônica precisa duplicar o circuito abaixo e, para isso, possui apenas um osciloscópio para realizar as medidas necessárias. O resistor R1 é conhecido e vale R1 = 1k Ω, mas o resistor R2 não pode ser reconhecido, pois se encontra com o código de corres muito danificado.

Sabendo-se que o valor de pico da tensão senoidal de entrada vale: Vi = 0,01V, e que o valor da tensão de pico senoidal de saída vale: Vo = 1 V de pico, ambos medidos com o osciloscópio, qual é o valor em, kΩ, do resistor R2 ?
Provas
Questão presente nas seguintes provas
Um técnico de manutenção em eletrônica precisa substituir um diodo danificado de um circuito retificador trifásico de meia onda, sem filtro. A tensão eficaz fase neutro secundária do transformador com ligação triângulo-estrela, que alimenta o referido retificador, vale 22 V. O técnico dispõe de todas as informações de interesse do diodo, exceto o valor da tensão máxima de pico inverso aplicada sobre ele, o qual deve ser devidamente especificado.
Considerando todos os elementos do circuito ideais, qual o valor, em volts, da tensão máxima de pico inverso à qual o diodo está submetido?
Considerando todos os elementos do circuito ideais, qual o valor, em volts, da tensão máxima de pico inverso à qual o diodo está submetido?
Provas
Questão presente nas seguintes provas
Nos retificadores não controlados, usando-se diodos convencionais, não é possível controlar o ângulo de disparo do dispositivo, pois nesses componentes não existe disponível o terminal gate, que permite essa ação. Consequentemente, o valor médio da tensão de saída tomada na carga depende da tensão secundária do transformador de alimentação, que é fixa e da classe do retificador.
Quando se deseja variar o valor médio da tensão na carga em função do ângulo de disparo do dispositivo, independente da tensão secundária do transformador, usam-se retificadores controlados com um componente especial, que é denominado
Quando se deseja variar o valor médio da tensão na carga em função do ângulo de disparo do dispositivo, independente da tensão secundária do transformador, usam-se retificadores controlados com um componente especial, que é denominado
Provas
Questão presente nas seguintes provas
Atualmente, o circuito integrado mais empregado em eletrônica analógica é o amplificador operacional. Normalmente, esses amplificadores são compostos de vários estágios, usando-se basicamente transistores bipolares BJT (bipolar junction transistor), FET (field-effect transistor) e MOSFET (metal–oxide–semiconductor field-effect transistor), configurados adequadamente em um mesmo circuito integrado (chip).
As principais características dos amplificadores operacionais são
As principais características dos amplificadores operacionais são
Provas
Questão presente nas seguintes provas
Para especificação da proteção contra curto-circuito de um circuito elétrico cuja seção do condutor é de 16 mm² , determinou-se que a corrente de curto no ponto de instalação da proteção é igual a 11,5 kA. Considerou-se, também, um curto-circuito simétrico e o valor da constante k da integral de Joule igual a 115 A.s1/2.mm-2 .
O tempo máximo, em milisegundos, em que a proteção deve atuar para que não haja danos ao circuito é
O tempo máximo, em milisegundos, em que a proteção deve atuar para que não haja danos ao circuito é
Provas
Questão presente nas seguintes provas
- Transformadores e Máquinas ElétricasMáquinas EstáticasTransformador de Corrente
- Transformadores e Máquinas ElétricasMáquinas EstáticasTransformador de Potência

A Figura acima mostra o esquema de proteção diferencial de um transformador monofásico, em que
Considerando-se que todos os transformadores sejam ideais, para que a corrente
Provas
Questão presente nas seguintes provas
- Circuitos ElétricosCircuitos CACircuitos Trifásicos
- Sistemas Elétricos de PotênciaAnálise de SEPAnálise de Curto-circuitos
- Sistemas Elétricos de PotênciaTransmissão

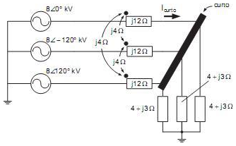
A Figura acima mostra, parcialmente, o diagrama elétrico de uma carga alimentada por uma fonte através de uma linha de transmissão. Supondo que ocorra um curto-circuito no ponto indicado, o valor da corrente
Provas
Questão presente nas seguintes provas
Em um ponto de um sistema de potência equilibrado, ocorre um curto-circuito entre uma fase e o terra, através de uma impedância de curto
. As impedâncias equivalentes de sequências positiva, negativa e zero do sistema, no ponto em que ocorreu o curto, são
,
e
, respectivamente, e a tensão de sequência positiva no ponto, antes de ocorrer o curto, é igual a
.
O valor da corrente de curto que passa pela impedância
, em função dos dados apresentados, é
O valor da corrente de curto que passa pela impedância
Provas
Questão presente nas seguintes provas

A Figura acima mostra, parcialmente, o diagrama unifilar de um circuito de uma instalação elétrica em baixa tensão, com a localização dos dispositivos de proteção. O dispositivo 1 é um disjuntor termomagnético, e o dispositivo 2 é um fusível. A proteção foi projetada considerando uma corrente de curto-circuito, Isc, no ponto indicado na Figura.
Considerando as curvas típicas de tempo inverso desses dispositivos de proteção, a curva de seletividade desse sistema de proteção é
Provas
Questão presente nas seguintes provas

A Figura acima mostra uma curva típica do ciclo de vida de um projeto. Essa curva apresenta o custo e o nível de atividades em função do tempo. O projeto pode ser, então, dividido em fases típicas, conforme indicado na Figura.
A fase 2, tipicamente, é a fase de
Provas
Questão presente nas seguintes provas
Cadernos
Caderno Container