Foram encontradas 2.008 questões.
Aquisição de imobilizado, 50% à vista e 50% com financiamento a longo prazo .................. 900.000,00
Venda de investimento permanente com lucro de R$ 40.000,00 na operação ...................... 180.000,00
Despesas de depreciação................................................................................................. 30.000,00
Aumento de capital social com incorporação de reservas................................................... 120.000,00
Lucro líquido do exercício................................................................................................ 250.000,00
Valores transferidos do Ativo Realizável a Longo Prazo para o Ativo Circulante ................... 120.000,00
Pagamento de dividendos não provisionados ................................................................... 100.000,00
Na demonstração de origens e aplicações de recursos da companhia, utilizando apenas estas informações, é correto afirmar que
Provas
A estabilidade de um ecossistema pode ser definida como sua capacidade de "lidar" com perturbações recorrentes, seja por resistência às mudanças ou por uma alta recuperação da cobertura vegetal. O gráfico mostra a recuperação da cobertura vegetal em ecossistemas marinhos, após sobrepastagem (círculos sólidos) e mudanças climáticas (círculos abertos).

(B. Worm, et al. Impacts of Biodiversity Loss on Ocean Ecosystem Services. Science 314: 2006. p. 787)
O gráfico permite inferir que ecossistemas
Provas
A penicilina G é produzida em escala industrial pelo fungo Penicillium chrysogenum. A cinética do processo está apresentada no gráfico abaixo.

(Adaptado de Madigan - Martinho - Parker. Biology of Microorganisms. New Jersey: Prentice Hall, 1996. p. 445)
De acordo com o gráfico a produção de penicilina
Provas
Usando um pedaço de osso encontrado em uma caverna na Croácia, duas equipes de cientistas trabalhando separadamente reconstruíram parte do DNA de um homem de Neanderthal que viveu há mais de 38 mil anos.
(Página BBCBrasil.com; de 16/12/2006)
Estudos de material genético obtido de restos animais ou vegetais muito antigos só se tornaram factíveis após
Provas
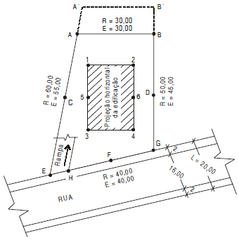
Denunciado por desrespeito a Legislação Municipal de Uso e Ocupação do Solo e invasão de propriedades alheias, um cidadão alegou que seu terreno é, na realidade, maior do que consta na escritura. Além da constatação do fato no local, não havia documentos oficiais (escrituras, registros de imóvel, etc) que provassem as medidas reais do terreno.

- desenho sem escala
E = medidas da escritura
R = medidas no local (chamadas de reais)
L = largura da rua
- medidas em metro e aproximadas
- considerar áreas aproximadas do terreno:
E = 1690 m2
"Real" = 1840 m2
Restrições Municipais:
- recuo de frente = 5,00 m
- recuo de fundo = 5,00 m
- recuos laterais = 5,00 m
AP = área de ocupação ou projeção horizontal da edificação = 0,5 da área do terreno
AC = área construída = 5 x área do terreno (não considerar térreo e subsolo)
i = inclinação da rampa de acesso aos subsolos (estacionamentos)
gabarito vertical máximo (em relação ao nível da rua) = 3 x largura da rua
As ações possessórias são aquelas cuja causa de pedir é a posse de uma determinada coisa ou de um certo objeto. Em uma ação de usucapião, o perito não necessita ou não deve
Provas
Denunciado por desrespeito a Legislação Municipal de Uso e Ocupação do Solo e invasão de propriedades alheias, um cidadão alegou que seu terreno é, na realidade, maior do que consta na escritura. Além da constatação do fato no local, não havia documentos oficiais (escrituras, registros de imóvel, etc) que provassem as medidas reais do terreno.

- desenho sem escala
E = medidas da escritura
R = medidas no local (chamadas de reais)
L = largura da rua
- medidas em metro e aproximadas
- considerar áreas aproximadas do terreno:
E = 1690 m2
"Real" = 1840 m2
Restrições Municipais:
- recuo de frente = 5,00 m
- recuo de fundo = 5,00 m
- recuos laterais = 5,00 m
AP = área de ocupação ou projeção horizontal da edificação = 0,5 da área do terreno
AC = área construída = 5 x área do terreno (não considerar térreo e subsolo)
i = inclinação da rampa de acesso aos subsolos (estacionamentos)
gabarito vertical máximo (em relação ao nível da rua) = 3 x largura da rua
Obedecendo os recuos estabelecidos pelo município e área de ocupação máxima a área retangular de projeção horizontal, em m2 e seus respectivos lados, em m, são respectivamente e aproximadamente de:
Provas
Denunciado por desrespeito a Legislação Municipal de Uso e Ocupação do Solo e invasão de propriedades alheias, um cidadão alegou que seu terreno é, na realidade, maior do que consta na escritura. Além da constatação do fato no local, não havia documentos oficiais (escrituras, registros de imóvel, etc) que provassem as medidas reais do terreno.

- desenho sem escala
E = medidas da escritura
R = medidas no local (chamadas de reais)
L = largura da rua
- medidas em metro e aproximadas
- considerar áreas aproximadas do terreno:
E = 1690 m2
"Real" = 1840 m2
Restrições Municipais:
- recuo de frente = 5,00 m
- recuo de fundo = 5,00 m
- recuos laterais = 5,00 m
AP = área de ocupação ou projeção horizontal da edificação = 0,5 da área do terreno
AC = área construída = 5 x área do terreno (não considerar térreo e subsolo)
i = inclinação da rampa de acesso aos subsolos (estacionamentos)
gabarito vertical máximo (em relação ao nível da rua) = 3 x largura da rua
Admitindo a possibilidade de regularização da área invadida, através de processo judicial, registro de imóveis, etc, as áreas ocupadas e construídas seriam, em m2, de:
Provas
Denunciado por desrespeito a Legislação Municipal de Uso e Ocupação do Solo e invasão de propriedades alheias, um cidadão alegou que seu terreno é, na realidade, maior do que consta na escritura. Além da constatação do fato no local, não havia documentos oficiais (escrituras, registros de imóvel, etc) que provassem as medidas reais do terreno.

- desenho sem escala
E = medidas da escritura
R = medidas no local (chamadas de reais)
L = largura da rua
- medidas em metro e aproximadas
- considerar áreas aproximadas do terreno:
E = 1690 m2
"Real" = 1840 m2
Restrições Municipais:
- recuo de frente = 5,00 m
- recuo de fundo = 5,00 m
- recuos laterais = 5,00 m
AP = área de ocupação ou projeção horizontal da edificação = 0,5 da área do terreno
AC = área construída = 5 x área do terreno (não considerar térreo e subsolo)
i = inclinação da rampa de acesso aos subsolos (estacionamentos)
gabarito vertical máximo (em relação ao nível da rua) = 3 x largura da rua
O comprimento da rampa de acesso aos sub-solos, em projeção horizontal, e considerando a inclinação recomendável de 20% (i = 20%), deve ser medido a partir do ponto:
Provas
Denunciado por desrespeito a Legislação Municipal de Uso e Ocupação do Solo e invasão de propriedades alheias, um cidadão alegou que seu terreno é, na realidade, maior do que consta na escritura. Além da constatação do fato no local, não havia documentos oficiais (escrituras, registros de imóvel, etc) que provassem as medidas reais do terreno.

- desenho sem escala
E = medidas da escritura
R = medidas no local (chamadas de reais)
L = largura da rua
- medidas em metro e aproximadas
- considerar áreas aproximadas do terreno:
E = 1690 m2
"Real" = 1840 m2
Restrições Municipais:
- recuo de frente = 5,00 m
- recuo de fundo = 5,00 m
- recuos laterais = 5,00 m
AP = área de ocupação ou projeção horizontal da edificação = 0,5 da área do terreno
AC = área construída = 5 x área do terreno (não considerar térreo e subsolo)
i = inclinação da rampa de acesso aos subsolos (estacionamentos)
gabarito vertical máximo (em relação ao nível da rua) = 3 x largura da rua
A altura máxima da edificação (H - gabarito vertical) permitida por lei, em m, (a partir do nível da rua) e o número máximo de pavimentos com 3,00 m de distância piso a piso são:

Provas
Denunciado por desrespeito a Legislação Municipal de Uso e Ocupação do Solo e invasão de propriedades alheias, um cidadão alegou que seu terreno é, na realidade, maior do que consta na escritura. Além da constatação do fato no local, não havia documentos oficiais (escrituras, registros de imóvel, etc) que provassem as medidas reais do terreno.

- desenho sem escala
E = medidas da escritura
R = medidas no local (chamadas de reais)
L = largura da rua
- medidas em metro e aproximadas
- considerar áreas aproximadas do terreno:
E = 1690 m2
"Real" = 1840 m2
Restrições Municipais:
- recuo de frente = 5,00 m
- recuo de fundo = 5,00 m
- recuos laterais = 5,00 m
AP = área de ocupação ou projeção horizontal da edificação = 0,5 da área do terreno
AC = área construída = 5 x área do terreno (não considerar térreo e subsolo)
i = inclinação da rampa de acesso aos subsolos (estacionamentos)
gabarito vertical máximo (em relação ao nível da rua) = 3 x largura da rua
A área total construída, em m2, de acordo com a legislação municipal, deve ser menor ou igual a:
Obs.:
Na área construída não devem ser computados:
- sub-solos
- pavimento térreo
- casa de máquina
- eventual casa do zelador
- caixa de água
- outras construções complementares
Provas
Caderno Container