Foram encontradas 40 questões.
2632762
Ano: 2023
Disciplina: Engenharia Elétrica
Banca: FUNDATEC
Orgão: Pref. Farroupilha-RS
Disciplina: Engenharia Elétrica
Banca: FUNDATEC
Orgão: Pref. Farroupilha-RS
Provas:
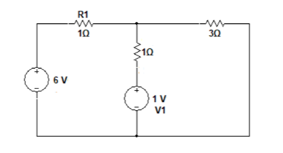
Para o circuito a seguir, determine a potência da fonte V1.

Provas
Questão presente nas seguintes provas
O Estatuto Nacional da Igualdade Racial, em seu texto, garante o direito ao livre
exercício dos cultos religiosos:
Provas
Questão presente nas seguintes provas
Analise a seguinte definição, de acordo com a Lei nº 9.985/2000: “espaço territorial
e seus recursos ambientais, incluindo as águas jurisdicionais, com características naturais relevantes,
legalmente instituído pelo Poder Público, com objetivos de conservação e limites definidos, sob regime
especial de administração, ao qual se aplicam garantias adequadas de proteção” (BRASIL, 2000). O
trecho extraído da Lei se refere a qual espaço?
Provas
Questão presente nas seguintes provas
De acordo com o IBGE, bioma é um “conjunto de vida (vegetal e animal) constituído
pelo agrupamento de tipos de vegetação contíguos e identificáveis em escala regional, com condições
geoclimáticas similares e história compartilhada de mudanças, o que resulta em uma diversidade
biológica própria”. Conforme o IBGE, o território de Farroupilha é caracterizado por qual bioma?
Provas
Questão presente nas seguintes provas
2632629
Ano: 2023
Disciplina: Direito Constitucional
Banca: FUNDATEC
Orgão: Pref. Farroupilha-RS
Disciplina: Direito Constitucional
Banca: FUNDATEC
Orgão: Pref. Farroupilha-RS
Provas:
Com base na Constituição Federal, analise as assertivas abaixo, assinalando V, se
verdadeiras, ou F, se falsas. Não será concedida extradição de estrangeiro por crime:
( ) De tráfico. ( ) Político. ( ) De opinião.
A ordem correta de preenchimento dos parênteses, de cima para baixo, é:
( ) De tráfico. ( ) Político. ( ) De opinião.
A ordem correta de preenchimento dos parênteses, de cima para baixo, é:
Provas
Questão presente nas seguintes provas
2632628
Ano: 2023
Disciplina: Direito Constitucional
Banca: FUNDATEC
Orgão: Pref. Farroupilha-RS
Disciplina: Direito Constitucional
Banca: FUNDATEC
Orgão: Pref. Farroupilha-RS
Provas:
Segundo o texto da Constituição Estadual do Rio Grande do Sul, será de o mandato de membro da Mesa da Assembleia, vedada a recondução para o mesmo cargo na eleição
imediatamente subsequente.
Assinale a alternativa que preenche corretamente a lacuna do trecho acima.
Assinale a alternativa que preenche corretamente a lacuna do trecho acima.
Provas
Questão presente nas seguintes provas
2632627
Ano: 2023
Disciplina: Direito Constitucional
Banca: FUNDATEC
Orgão: Pref. Farroupilha-RS
Disciplina: Direito Constitucional
Banca: FUNDATEC
Orgão: Pref. Farroupilha-RS
Provas:
- Organização dos PoderesPrincípio da Separação dos Poderes
- Organização dos PoderesPoder LegislativoProcesso Legislativo
- Organização dos PoderesPoder Executivo
- Organização dos PoderesPoder Judiciário
Conforme a Constituição da República Federativa do Brasil, os poderes Executivo,
Legislativo e Judiciário são distintos, independentes e harmônicos entre si. No que se refere à divisão
política e à estrutura dos poderes, analise as assertivas a seguir:
I. No âmbito federal, o Poder Legislativo é exercido no Congresso Nacional por deputados e senadores; no estadual, por deputados nas Assembleias Legislativas; e, em nível municipal, os Vereadores exercem o poder nas Câmaras.
II. O Poder Executivo, formado por presidente, governadores e prefeitos, é responsável por gerir as leis do país e viabilizar programas sociais, educativos, culturais, de saúde e de infraestrutura, por exemplo, a fim de garantir a qualidade e a eficácia dos serviços públicos.
III. O Poder Judiciário é composto por juízes, promotores de justiça, desembargadores e ministros, por exemplo, e é o único dos três poderes presente apenas no âmbito federal e estadual.
Quais estão corretas?
I. No âmbito federal, o Poder Legislativo é exercido no Congresso Nacional por deputados e senadores; no estadual, por deputados nas Assembleias Legislativas; e, em nível municipal, os Vereadores exercem o poder nas Câmaras.
II. O Poder Executivo, formado por presidente, governadores e prefeitos, é responsável por gerir as leis do país e viabilizar programas sociais, educativos, culturais, de saúde e de infraestrutura, por exemplo, a fim de garantir a qualidade e a eficácia dos serviços públicos.
III. O Poder Judiciário é composto por juízes, promotores de justiça, desembargadores e ministros, por exemplo, e é o único dos três poderes presente apenas no âmbito federal e estadual.
Quais estão corretas?
Provas
Questão presente nas seguintes provas
Se Ana comprou uma caneta, então Clara comprou um apontador. Se Clara comprou
um apontador, então Antônio comprou um caderno. Se Antônio comprou um caderno, então Liz foi à
faculdade. Se Liz foi à faculdade, Pedro faz curso de inglês. Considerando que Pedro não faz curso de
inglês, pode-se afirmar que:
Provas
Questão presente nas seguintes provas
2632563
Ano: 2023
Disciplina: Legislação Municipal
Banca: FUNDATEC
Orgão: Pref. Farroupilha-RS
Disciplina: Legislação Municipal
Banca: FUNDATEC
Orgão: Pref. Farroupilha-RS
Provas:
Segundo os termos do Plano de Carreira do Município de Farroupilha, a função
gratificada de é excepcional, somente podendo ser provida durante os afastamentos
legais do titular do cargo efetivo correspondente.
Assinale a alternativa que preenche corretamente a lacuna do trecho acima.
Assinale a alternativa que preenche corretamente a lacuna do trecho acima.
Provas
Questão presente nas seguintes provas
2632562
Ano: 2023
Disciplina: Legislação Municipal
Banca: FUNDATEC
Orgão: Pref. Farroupilha-RS
Disciplina: Legislação Municipal
Banca: FUNDATEC
Orgão: Pref. Farroupilha-RS
Provas:
De acordo com o Código de Posturas de Farroupilha, analise as assertivas abaixo:
I. Em cada cemitério deve haver um ossuário e um cinzário ou um local separado onde sejam guardadas ou enterradas as ossadas retiradas das sepulturas, que não forem reclamadas pelas famílias dos falecidos.
II. Ao proprietário de cães ou gatos é facultado vaciná-los contra a raiva, em período designado pelo órgão de defesa sanitária.
III. Os frequentadores de piscinas coletivas e públicas devem ser submetidos a exames médicos com periodicidade igual ou inferior a noventa dias.
Quais estão corretas?
I. Em cada cemitério deve haver um ossuário e um cinzário ou um local separado onde sejam guardadas ou enterradas as ossadas retiradas das sepulturas, que não forem reclamadas pelas famílias dos falecidos.
II. Ao proprietário de cães ou gatos é facultado vaciná-los contra a raiva, em período designado pelo órgão de defesa sanitária.
III. Os frequentadores de piscinas coletivas e públicas devem ser submetidos a exames médicos com periodicidade igual ou inferior a noventa dias.
Quais estão corretas?
Provas
Questão presente nas seguintes provas
Cadernos
Caderno Container