Foram encontradas 1.899 questões.

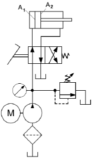
A figura acima mostra um sistema hidráulico que aciona um cilindro hidráulico de dupla ação. As características do pistão são as seguintes: área de avanço A1 = 20,0 cm², área de retorno A2 = 10,0 cm², curso do atuador Sat = 200 mm. O sistema opera a uma pressão de trabalho P = 6 MPa e vazão Q = 6.000 cm3/min.
Considerando essas informações, julgue o item.
A velocidade do atuador é maior no avanço.
Provas
Questão presente nas seguintes provas

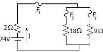
Considerando o circuito mostrado na figura acima, o qual contém uma bateria de fem igual a 24 V e resistência interna igual a 2 !$ \Omega !$, que alimenta dois resistores de 18 !$ \Omega !$ e 9 !$ \Omega !$ associados em paralelo, e no qual F1, F2 e F3 são fusíveis de 4 A cada, julgue o item seguinte.
Considerando que, no circuito abaixo, I1 = 2 A, I2 = 4,5 A, I3 = 1,5 A e I4 = 5 A, então a corrente I5 que sairá do nó mostrado abaixo será igual a 4 A.

Provas
Questão presente nas seguintes provas

Considerando o circuito mostrado na figura acima, o qual contém uma bateria de fem igual a 24 V e resistência interna igual a 2 !$ \Omega !$, que alimenta dois resistores de 18 !$ \Omega !$ e 9 !$ \Omega !$ associados em paralelo, e no qual F1, F2 e F3 são fusíveis de 4 A cada, julgue o item seguinte.
Se a tensão nos terminais da bateria for elevada para 40 V, somente o fusível F1 se queimará.
Provas
Questão presente nas seguintes provas

Considerando o circuito mostrado na figura acima, o qual contém uma bateria de fem igual a 24 V e resistência interna igual a 2 !$ \Omega !$, que alimenta dois resistores de 18 !$ \Omega !$ e 9 !$ \Omega !$ associados em paralelo, e no qual F1, F2 e F3 são fusíveis de 4 A cada, julgue o item seguinte.
A tensão nos terminais dos resistores de carga é igual a 12 V.
Provas
Questão presente nas seguintes provas

Considerando o circuito mostrado na figura acima, o qual contém uma bateria de fem igual a 24 V e resistência interna igual a 2 !$ \Omega !$, que alimenta dois resistores de 18 !$ \Omega !$ e 9 !$ \Omega !$ associados em paralelo, e no qual F1, F2 e F3 são fusíveis de 4 A cada, julgue o item seguinte.
A corrente I no circuito é igual a 3 A.
Provas
Questão presente nas seguintes provas

Considerando o circuito mostrado na figura acima, o qual contém uma bateria de fem igual a 24 V e resistência interna igual a 2 !$ \Omega !$, que alimenta dois resistores de 18 !$ \Omega !$ e 9 !$ \Omega !$ associados em paralelo, e no qual F1, F2 e F3 são fusíveis de 4 A cada, julgue o item seguinte.
Um motor de indução trifásico com um par de polos, em que cada bobina seja dimensionada para operar sob tensão igual a 220 V, poderá operar a partir de uma fonte trifásica com tensão de linha 380 V, desde que a ligação das bobinas seja em delta.
Provas
Questão presente nas seguintes provas

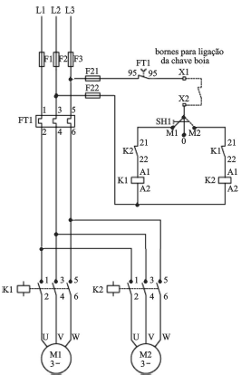
Chaves de partida-manobra e proteção de motores elétricos. Internet: <www.weg.net> (com adaptações).
Considerando que o esquema da figura acima seja utilizado para comandar duas motobombas controladas por boias, julgue o item subsecutivo.
O contator K1 aciona o motor M1 com inversão de rotação em relação a K2 e M2.
Provas
Questão presente nas seguintes provas

Chaves de partida-manobra e proteção de motores elétricos. Internet: <www.weg.net> (com adaptações).
Considerando que o esquema da figura acima seja utilizado para comandar duas motobombas controladas por boias, julgue o item subsecutivo.
O componente FT1 tem como função proteger os motores, desligando as três fases, quando há sobre correntes nas cargas.
Provas
Questão presente nas seguintes provas

Chaves de partida-manobra e proteção de motores elétricos. Internet: <www.weg.net> (com adaptações).
Considerando que o esquema da figura acima seja utilizado para comandar duas motobombas controladas por boias, julgue o item subsecutivo.
Os componentes F1, F2 e F3 têm característica de atuação retardada, protegendo os motores de correntes de sobrecargas e de curtos-circuitos.
Provas
Questão presente nas seguintes provas

Chaves de partida-manobra e proteção de motores elétricos. Internet: <www.weg.net> (com adaptações).
Considerando que o esquema da figura acima seja utilizado para comandar duas motobombas controladas por boias, julgue o item subsecutivo.
Considerando que, no projeto, o dimensionamento dos condutores que alimentam os motores não provoque queda de tensão superior a 10% da respectiva tensão nominal nos terminais do dispositivo de partida dos motores, então o projeto dessa instalação elétrica estará de acordo com especificações técnicas para essa finalidade.
Provas
Questão presente nas seguintes provas
Cadernos
Caderno Container