Foram encontradas 304 questões.
Em um transformador monofásico de 10 kVA, 2000 V/200 V eficazes com frequência de 60 Hz, foram realizados ensaios de circuito aberto e curto-circuito, obtendo-se os seguintes resultados:
- Ensaio em vazio: 200 V; 0,866 A e 100 W (realizado pelo lado de baixa tensão)
- Ensaio em curto-circuito: 100 V; 5 A e 200 W (realizado pelo lado de alta tensão)
Com base nessas informações, pode-se afirmar que o circuito equivalente aproximado visto pelo lado de baixa tensão é:
Provas
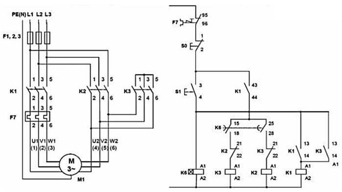
O circuito de comando elétrico automático, a seguir, aciona um motor trifásico. Qual a sequência de chaves magnéticas (contatores e relé temporizado) é acionada de cada vez?

Provas
Um motor trifásico de 10 CV, conforme a imagem da placa de identificação a seguir, precisa de correção em seu fator de potência. Qual deve ser o valor comercial mais próximo do banco de capacitores que deve ser conectado ao motor para que o fator de potência se mantenha em 0,92? Considere: 1 CV = 736 W, cos(35º) ≃ 0,82, sen(35º) ≃ 0,57, cos(23º) ≃ 0,92, sen(23º) ≃ 0,39.

Provas
O circuito abaixo, com um MOSFET tipo depleção canal N, é alimentado por uma fonte cc de 12V. Qual será a tensão entre o Dreno e a Fonte (VDS) do MOSFET?

Provas
Qual é o circuito de Norton que pode ser conectado entre os pontos A e B do circuito a seguir para que a carga de 12 \( \Omega \) possa ser submetida à mesma tensão e corrente elétrica como no circuito inicial.

Provas
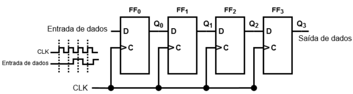
Considerando todas as condições iniciais nulas, informe a saída Q3Q2Q1Q0 (nesta ordem) depois de 4 pulsos de clock e entrada de dados representados na figura abaixo.

Provas
Considere o detalhe de projeto de instalações elétricas esquematizado abaixo. No trecho “b”, estão representados os seguintes tipos de condutores:

Provas
Em uma edificação hipotética, considerando-se o nível do piso como referência, o fundo interno do reservatório de água fria está a 3,0m desse piso, tem formato cilíndrico com 2,0m de diâmetro e 3,0m de altura. Quando esse reservatório está com uma lâmina de água de 2,0m em seu interior, qual a pressão que a água da torneira da pia da cozinha pode atingir, estando a sua saída a 1,10m do piso? Para esse trecho, considere que existem 5,0m de tubulação com perda de carga por unidade de comprimento de 0,025m/m, e a soma total das perdas unitárias de todas as conexões é de 2,32m.
Provas
As conexões de instalações hidráulicas ilustradas a seguir são utilizadas para:

Provas
Segundo a terminologia usada em projetos de instalações hidráulicas prediais, o conjunto de tubulações que se origina no reservatório e do qual se derivam as colunas de distribuição se denomina:
Provas
Caderno Container