Foram encontradas 145 questões.
Classifique as afirmações a seguir como verdadeira ou falsa com relação ao funcionamento dos transformadores:
I – Se o número de espiras no enrolamento secundário é maior que o número de espiras do enrolamento primário, então a tensão de saída desse transformador é necessariamente maior que a tensão de entrada.
II – Podem operar tanto com corrente elétrica contínua quanto com corrente elétrica alternada.
III – O princípio de operação dos transformadores é baseado na lei da indução eletrostática de Faraday.
IV – A potência elétrica permanece constante em transformadores ideais.
Provas
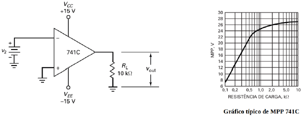
O amplificador operacional 741C (a letra C significa “classe comercial”) é o mais barato e mais usado. Ele tem um ganho de tensão em malha aberta de 100.000, uma impedância de entrada de 2 MΩ e uma impedância de saída de 75 Ω. Utilizando o gráfico típico de MPP (valor máximo pico a pico da saída que pode ser produzido pelo amplificador sem que ocorra o ceifamento do sinal) disponibilizado, qual o valor da tensão na entrada inversora, que leva a saída à saturação negativa do circuito abaixo?

Provas
Os transformadores têm funções parecidas que atendem às diferentes utilizações. Em relação aos tipos mais comuns de transformadores, podem-se citar: Transformador de Corrente (TC), Transformador de Potencial (TP), Transformador de Distribuição (TD) e Transformador de Força (TF). Classifique os itens a seguir de acordo com os tipos mais comuns de transformadores citados.
I) A Principal finalidade é abaixar a intensidade da corrente elétrica e transmiti-la para redes de transmissão ou para dispositivos que não suportem correntes elétricas altas.
II) Trabalha em níveis elevados de tensão e corrente elétricas. É usado na fase de geração da energia elétrica e também em aplicações que exigem muita potência elétrica, como fornos industriais e fornos de indução.
III) Tipo mais comum de transformador usado para abaixar ou aumentar a tensão elétrica de acordo com a demanda e com o número de enrolamentos na bobina primária e/ou secundária
IV) Transformador comum nas centrais de distribuição das usinas elétricas, sendo responsável por distribuir a corrente elétrica para diferentes tipos de consumidores por meio das linhas de transmissão.
Provas
De acordo com a figura abaixo, calcular a tensão eficaz (RMS) do sinal observado na tela do osciloscópio, considerando a escala ajustada na chave seletora de ganho vertical.

Provas
De acordo com a figura abaixo, calcular a frequência do sinal observado na tela do osciloscópio, considerando a escala ajustada na chave seletora de ganho horizontal.

Provas
Considerando que uma lâmpada residencial está especificada para 220V/200W, determine o valor da energia elétrica consumida por essa lâmpada num período de 6 horas diárias durante um mês(30 dias) e também o valor a ser pago por esse consumo, sabendo que a empresa de energia elétrica cobra a tarifa de R$ 0,12376 por kWh mais imposto de 30%.
Provas
Considere o circuito abaixo e a escala graduada do miliamperímetro:

Dados:
!$ R = 100 \Omega(a 20^{ \circ}C) !$
!$ \rho = 110 x 10^{-8} \Omega\,m(a 20^{ \circ} C) !$
!$ \alpha = 0,00017^{ \circ} C^{-1} !$
!$ \rho = \rho_0. (1 + \alpha . \triangle T) !$
Determine a temperatura que corresponde à corrente do miliamperímetro conforme marcação na escala graduada.
Provas
Um voltímetro e um amperímetro, ambos analógicos, cujos displays são destacados na figura abaixo, são ligados a um circuito puramente resistivo. Qual é o valor da resistência deste circuito, utilizando para o cálculo as marcações dos ponteiros dos instrumentos, sabendo que suas escalas são respectivamente 10VDC e 100mA?

Provas
Considerando os conceitos apresentados pela Lei nº 11.091/2005, que versa sobre a estruturação do Plano de Carreira dos Cargos Técnico-Administrativos em Educação, no âmbito das Instituições Federais de Ensino vinculadas ao Ministério da Educação, assinale a alternativa correta:
Provas
A Lei nº 11.091/2005, dispõe sobre a estruturação do Plano de Carreira dos Cargos Técnico- Administrativos em Educação, no âmbito das Instituições Federais de Ensino vinculadas ao Ministério da Educação. Considerando os conceitos de Progressão por Capacitação e Progressão por Mérito Profissional, apresentados na referida Lei, assinale a alternativa correta:
Provas
Caderno Container