Foram encontradas 145 questões.

A figura acima apresenta a simbologia do “Soft Starter” geralmente utilizada em partidas de motores de indução de corrente alternada (CA) tipo gaiola, substituindo as partidas mais tradicionais como a direta, estrela- triângulo e chave compensadora. Trata-se de um dispositivo eletrônico capaz de controlar a energização do motor no momento da partida. Em relação à utilização do “Soft Starter” na partida de motores CA é correto afirmar, exceto:
Provas
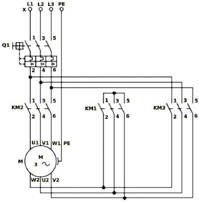
Analise o diagrama trifilar de acionamento de um motor de indução trifásico mostrado abaixo e responda qual o método de partida, sabendo que na partida do motor acontece o acionamento dos contatores KM1 e KM2 e após a atuação de um temporizador (tempo estabelecido pelo fabricante do motor) KM1 é desligado e KM3 é acionado, ficando acionados KM2 e KM3 até o circuito de comando receber um comando de desligamento.

Provas
A correlação entre os Procedimentos da Perícia Oficial em Saúde e o Atestado Médico ou Odontológico está caracterizada de forma inadequada em:
Provas
A Lei de Responsabilidade Fiscal, Lei Complementar nº 101/2000 foi elaborada para melhorar as gestões da arrecadação de receitas e dos gastos públicos. Acerca de suas disposições, indique a alternativa incorreta:
Provas
A Lei Complementar nº 101/2000, Lei de Responsabilidade Fiscal (LRF) é considerada um marco na modernização da gestão fiscal das contas públicas. Surgiu com o objetivo de:
Provas
A Lei Complementar 101/2000 designou novas atribuições para a Lei de Diretrizes Orçamentárias (LDO). A LDO disporá sobre, exceto:
Provas
O Balanço Financeiro evidencia a movimentação financeira das entidades do setor público em um determinado período, demonstrando, exceto:
Provas
Com relação ao Balanço Orçamentário, julgue os itens a seguir como verdadeiro (V) ou falso (F) e assinale a alternativa correta:
I. O Balanço orçamentário apresentará as receitas detalhadas por categoria econômica e origem, especificando a previsão inicial, a previsão atualizada para o exercício, a receita realizada e o saldo, que corresponde ao excesso ou insuficiência de arrecadação.
II. O Balanço orçamentário demonstra as receitas e despesas orçamentárias, bem como os ingressos e dispêndios extraorçamentários.
III. Para fins orçamentários, considera-se executada/realizada a despesa quando se completa a fase de arrecadação.
IV. A despesa empenhada e inscrita em Restos a Pagar é uma despesa orçamentária, e seu pagamento, no exercício posterior, despesa extraorçamentária.
Provas
As demonstrações contábeis aplicadas ao setor público têm como propósito a representação estruturada da situação patrimonial, financeira e do desempenho das entidades, visando fornecer informações úteis para a tomada de decisão. Considerando que cada demonstração apresenta um resultado específico, o resultado patrimonial do exercício é apurado:
Provas
A transferência de ativo imobilizado ocorre no momento da entrega de um bem de um ente para outro. A escrituração contábil da transferência de um bem móvel, no ente que procederá a entrega do bem, após a apuração do valor líquido contábil deve ser registrada nas seguintes contas patrimoniais:
Provas
Caderno Container