Foram encontradas 633 questões.
Em um programa baseado no método dos elementos finitos, foi desenvolvido apenas o elemento finito plano triangular de placa formulado com a teoria de Kirchhoff.
Para a análise estrutural mediante o uso deste programa, o modelo mais adequado consistiria na análise isolada de
Provas
Alguns métodos semiempíricos que podem ser empregados para cálculo de capacidade de carga de estacas que originalmente foram desenvolvidos baseados na sondagem a percussão com realização do SPT são os métodos de:
Provas
Admitindo o modelo estrutural da figura 01, que possui sistema cartesiano (X, Y, Z) com origem e engastamento no ponto A, caso seja carregada com carga concentrada !$ P !$ no ponto B, terá o seu deslocamento vertical no ponto B de !$ Y_B \, = \, \dfrac {-P \cdot L_V \, ^3} {3 \cdot E_V \cdot I_{V,Z}}, !$ com:
!$ \bullet \,\, L_V: !$ Comprimento da viga
!$ \bullet \,\, I_{V \, ,Z}: !$ Momento de inércia da seção transversal da viga em torno do eixo Z
!$ \bullet \,\, E_V: !$ Módulo de elasticidade do material isotrópico que compõe a viga

Figura 01 - Modelo estrutural de viga engastada, submetida à carga concentrada que provoque deslocamentos na extremidade livre.
Neste contexto, considere uma a viga engastada de 400 cm de comprimento e que esteja submetida à carga vertical 1.200 kN na extremidade (Figura 02).

Figura 02 - Viga engastada submetida a carga de 1.200 kN na extremidade (Ponto B).
Nota: observe o sistema cartesiano (X, Y, Z) com origem em A.
Esta viga é composta por material que tem módulo de elasticidade !$ E_V \, = \, 3.000 \, \dfrac {kN} {cm^2} !$ e seção transversal cujo momento de inércia em torno do eixo Z é de !$ I_{V \, ,Z} \, = \, 36 \, \cdot \, 10^5 \, cm^4, !$ de modo que, mediante as condições da Figura 01 e considerando as hipóteses/formulações de Bernouilli-Euler, a viga apresenta deslocamento vertical no Ponto B indicado na Figura 03 !$ (Y_B). !$

Figura 03 - Diagrama de deslocamentos verticais da viga engastada da figura 01.
Assinale a alternativa que representa o intervalo no qual está contido o deslocamento vertical no Ponto B indicado na figura 02 !$ (Y_B). !$
Provas
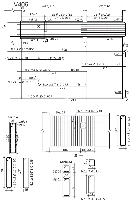
Observe a figura a seguir.

No desenho de detalhamento da viga V406, quais são as posições detalhadas para o equilíbrio do cisalhamento?
Provas
Considere os modelos estruturais 01 e 02, bem como os seus respetivos diagramas de momentos fletores indicados, indicados na figura 01.

Figura 01 - Modelos estruturais e diagramas de momentos fletores.
Sabendo que o momento fletor de plastificação da seção transversal é !$ M_P \, = \, 2.500 \, kN \, . \, m, !$ assinale a alternativa que indique o Grau de Hiperestaticidade (GH) do Modelo Estrutural 01 e a máxima carga (Pmáx) que pode ser aplicada no seu Ponto B, conforme a figura 02.

Figura 02 - Modelo Estrutural 01, com aplicação da máxima carga (Pmáx) no Ponto B.
Provas
Considere um modelo estrutural de viga engastada com 6,00 m de comprimento, a qual estará submetida aos carregamentos vertical de 1.000 kN e horizontal de 18.000 kN em sua extremidade, conforme a figura a seguir.

Modelo estrutural e seção transversal.
Admitindo um sistema cartesiano x, y e z, com origem no engastamento, e sabendo que a sua seção transversal é retangular com largura de 12 cm e altura de 100 cm, para o sistema cartesiano (x, y, z) adotado, considerando as hipóteses e formulações de Bernouilli-Euler, assinale a alternativa que, para a seção de máxima solicitação, mostre os valores corretos das tensões normais nos Pontos A !$ (\sigma_{N, \, A}) !$ e B !$ (\sigma_{N, \, B}), !$ bem como a equação da linha neutra (LN).
Nota:
!$ \bullet \, \sigma_{N, \, i} \, > \, 0, !$ tensão de tração no Ponto i
!$ \bullet \, \sigma_{N, \, i} \, < \, 0, !$ tensão de compressão no Ponto i
Provas
Conforme a ABNT NBR 6118:2014, o diâmetro mínimo da armadura longitudinal de pilares é de
Provas
Para o perfil da sondagem à percussão indicado na figura a seguir, considere um pilar com dimensões de 0,35 m x 0,35 m, carga de 1.600 kN, a 2 m de profundidade e com a tensão admissível do solo dado por !$ \sigma_{adm} \, = \, \dfrac {N_{SPT}} {30} \, (MPa). !$

Nessas condições, e considerando apenas o SPT da cota de apoio, a sapata mais econômica para este pilar seria:
Provas
No dimensionamento de elementos estruturais comprimidos, especificamente os pilares na norma ABNT NBR 6118:2014, pode-se afirmar:
Provas
Considerando a viga e o sistema cartesiano (x, y, z) indicados na figura a seguir, pede-se indicar a alternativa que represente os valores Rx,A, RyA, Mz,B, Ry,C e Mz,C.

!$ \bullet !$ Rx,i: Reação de apoio no Ponto i, na direção do eixo x;
!$ \bullet !$ Ry,i: Reação de apoio no Ponto i, na direção do eixo y;
!$ \bullet !$ Mz,i: Momento fletor atuante no Ponto i em torno do eixo z, sabendo que:
- Mz,i>0 se traciona as fibras inferiores
- Mz,i<0 se traciona as fibras superiores.
Provas
Caderno Container