Foram encontradas 8.108 questões.
Disciplina: Eletroeletrônica
Banca: CESPE / CEBRASPE
Orgão: SAAE Alagoinhas-BA
Em uma instalação elétrica de baixa tensão dotada de condutores de proteção, estes e os condutores de fase são, em princípio, submetidos aos mesmos esforços térmicos e de instalação. Por esse motivo, a seção mínima prevista para os condutores de proteção depende da seção correspondente dos condutores de fase. Em relação aos condutores de proteção, julgue os itens a seguir.
Não há prescrição na NBR-5410 acerca das suas seções mínimas.
Provas
Disciplina: Eletroeletrônica
Banca: CESPE / CEBRASPE
Orgão: SAAE Alagoinhas-BA

A figura acima mostra o esquema de um motor de indução trifásico com quatro terminais — 3 fases (terminais 1, 2 e 3) e 1 neutro (terminal 4).
Com base na figura acima, julgue os itens a seguir.
É possível inverter-se o sentido de giro do motor trocando-se duas fases quaisquer entre si.
Provas
Disciplina: Eletroeletrônica
Banca: CESPE / CEBRASPE
Orgão: SAAE Alagoinhas-BA

A figura acima mostra o esquema de um motor de indução trifásico com quatro terminais — 3 fases (terminais 1, 2 e 3) e 1 neutro (terminal 4).
Com base na figura acima, julgue os itens a seguir.
Independentemente do tipo de ligação usado, em vazio, mas com as mesmas tensões de linha aplicadas, o motor deve girar a uma mesma velocidade.
Provas
Disciplina: Eletroeletrônica
Banca: CESPE / CEBRASPE
Orgão: SAAE Alagoinhas-BA

A figura acima mostra o esquema elétrico utilizado para instalação de duas lâmpadas. A instalação foi realizada, podendo as lâmpadas ser ligadas e desligadas satisfatoriamente por meio dos seus respectivos interruptores. Ocorre que, quando a lâmpada A precisava ser trocada, mesmo com o respectivo interruptor desligado, a pessoa encarregada da troca alegava que recebia choque ao tocar na parte condutora da lâmpada. Sem saber a explicação para o fato, certa vez, o mesmo indivíduo repetiu o procedimento de troca, agora para a lâmpada B. Nesse caso, não houve nenhum tipo de problema tal como o verificado na troca da lâmpada A. Considerando essas informações e o esquema mostrado na figura acima, julgue os itens subsequentes.
Nas ligações está faltando o fio de proteção denominado PE.
Provas
Disciplina: Eletroeletrônica
Banca: CESPE / CEBRASPE
Orgão: SAAE Alagoinhas-BA

A figura acima mostra o esquema elétrico utilizado para instalação de duas lâmpadas. A instalação foi realizada, podendo as lâmpadas ser ligadas e desligadas satisfatoriamente por meio dos seus respectivos interruptores. Ocorre que, quando a lâmpada A precisava ser trocada, mesmo com o respectivo interruptor desligado, a pessoa encarregada da troca alegava que recebia choque ao tocar na parte condutora da lâmpada. Sem saber a explicação para o fato, certa vez, o mesmo indivíduo repetiu o procedimento de troca, agora para a lâmpada B. Nesse caso, não houve nenhum tipo de problema tal como o verificado na troca da lâmpada A. Considerando essas informações e o esquema mostrado na figura acima, julgue os itens subsequentes.
Provavelmente as ligações físicas entre fase e neutro no circuito de comando da lâmpada A estão trocadas em relação ao mostrado no esquema de ligações.
Provas
Disciplina: Eletroeletrônica
Banca: CESPE / CEBRASPE
Orgão: SAAE Alagoinhas-BA

A figura acima mostra o esquema elétrico utilizado para instalação de duas lâmpadas. A instalação foi realizada, podendo as lâmpadas ser ligadas e desligadas satisfatoriamente por meio dos seus respectivos interruptores. Ocorre que, quando a lâmpada A precisava ser trocada, mesmo com o respectivo interruptor desligado, a pessoa encarregada da troca alegava que recebia choque ao tocar na parte condutora da lâmpada. Sem saber a explicação para o fato, certa vez, o mesmo indivíduo repetiu o procedimento de troca, agora para a lâmpada B. Nesse caso, não houve nenhum tipo de problema tal como o verificado na troca da lâmpada A. Considerando essas informações e o esquema mostrado na figura acima, julgue os itens subsequentes.
A lâmpada B não provoca choque quando o seu interruptor está desligado, porque o seu circuito de comando é seccionado por um dimmer.
Provas
Disciplina: Eletroeletrônica
Banca: CESPE / CEBRASPE
Orgão: SAAE Alagoinhas-BA

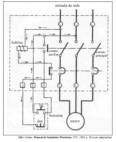
A figura acima mostra os circuitos de força e de controle de um motor de indução trifásico, o qual apresenta tensão nominal de linha igual à tensão nominal de linha da rede de alimentação. Todos os condutores da rede de alimentação são mostrados. Com base na figura acima, julgue os itens seguintes.
A tensão de alimentação do circuito de controle do motor é igual a uma das tensões fase-fase do circuito de força.
Provas
Disciplina: Eletroeletrônica
Banca: CESPE / CEBRASPE
Orgão: SAAE Alagoinhas-BA

A figura acima mostra os circuitos de força e de controle de um motor de indução trifásico, o qual apresenta tensão nominal de linha igual à tensão nominal de linha da rede de alimentação. Todos os condutores da rede de alimentação são mostrados. Com base na figura acima, julgue os itens seguintes.
Em caso de falta de energia, a chave magnética desarma e é religada automaticamente quando a energia é restabelecida.
Provas
Disciplina: Eletroeletrônica
Banca: CESPE / CEBRASPE
Orgão: SAAE Alagoinhas-BA

A figura acima mostra os circuitos de força e de controle de um motor de indução trifásico, o qual apresenta tensão nominal de linha igual à tensão nominal de linha da rede de alimentação. Todos os condutores da rede de alimentação são mostrados. Com base na figura acima, julgue os itens seguintes.
A chave magnética do circuito é acionada pela atuação da bobina, que pode ocorrer por meio das botoeiras lig e des.
Provas
Disciplina: Eletroeletrônica
Banca: CESPE / CEBRASPE
Orgão: SAAE Alagoinhas-BA

A figura acima mostra os circuitos de força e de controle de um motor de indução trifásico, o qual apresenta tensão nominal de linha igual à tensão nominal de linha da rede de alimentação. Todos os condutores da rede de alimentação são mostrados. Com base na figura acima, julgue os itens seguintes.
O motor de indução, possivelmente, está ligado em estrela.
Provas
Caderno Container