Foram encontradas 769 questões.
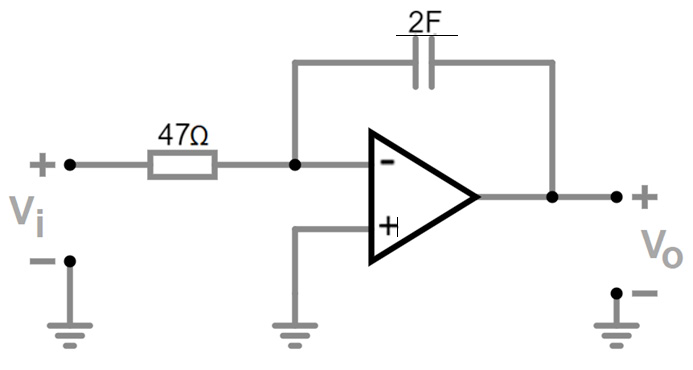
A modelagem matemática representa uma etapa importante em projetos de engenharia de controle em que, após a aplicação das leis fundamentais, simplificações e aproximações, é possível determinar uma equação matemática capaz de representar de forma próxima o comportamento dinâmico de um determinado sistema, seja ele térmico, mecânico, elétrico ou hidráulico. Deste modo, dado o circuito eletrônico a seguir, obtenha a função de transferência que represente seu comportamento dinâmico, considerando o amplificador operacional ideal.

Fonte: IFSP, 2024
Provas
Um dos critérios no estudo da qualidade de sistemas de controle em malha fechada é o Erro de regime permanente, determinado por \( E_{reg}=_{s\rightarrow0}^{\lim}s.E\left(s\right) \).
Deste modo, determine-o para o sistema de primeira ordem representado no diagrama de blocos a seguir considerando uma entrada de degrau unitário.

Fonte: IFSP, 2024
Provas
Um engenheiro de automação está implementando um sistema de monitoramento de nível em um silo de grãos, utilizando um sensor capacitivo para detectar a presença de grãos. O sensor utilizado é do tipo PNP e deve ser conectado a um CLP que controlará o sistema de enchimento do silo. Sabendo que a máquina utiliza um CLP com entradas configuradas para o tipo PNP, o que o engenheiro deve garantir para que o sensor funcione corretamente?
Provas
Sistemas lineares e invariantes no tempo têm fundamental importância nas áreas de processamento de sinais e sistemas de controle. Processamento de sinais é uma tecnologia que aplica algoritmos computacionais em dados digitais para a realização de operações específicas, tais como filtragem digital de sinais, reconhecimento de voz, tratamento de imagens, etc. Em processamento de sinais, a resposta ao impulso de um sistema permite calcular a saída para qualquer sinal de entrada, por meio da convolução deste com a resposta ao impulso do sistema. Um sistema linear tem a seguinte relação para a entrada x[n] e a saída y[n]:
y[n] = \( \begin{matrix} +\infty \\ \sum \\ k=-\infty \end{matrix} \) x[k] g [n - 2k]
Encontre y[n] dado que os sinais x[n] = δ [n - 1] e g[n] = u[n] - u[n - 3]
Provas
Na indústria atual, um importante sistema de controle é baseado nas técnicas proporcional, integral e derivativa . Em alguns casos, esses métodos são utilizados isoladamente e, em algumas aplicações, são utilizados conjuntamente. Sobre os métodos de controle proporcional, integral e derivativo, podemos afirmar somente que:
Provas
No estudo de sistemas de controle, nem sempre temos acesso fácil à função de transferência para estudar a sua estabilidade. Uma técnica que pode ser utilizada neste caso é o levantamento experimental do seu diagrama de bode.

Fonte: IFSP, 2024
Considerando o diagrama de bode apresentado, determine a margem de ganho, margem de fase e a estabilidade deste sistema linear.
Provas
A pneumática e a automação estão intimamente relacionadas. Em tempos atuais, a pneumática integrada a controles eletrônicos é uma das tecnologias mais utilizadas na automação industrial, permitindo a otimização de processos e sistemas industriais.
Em relação à pneumática, pode-se afirmar que:
Provas
Uma empresa necessita realizar a supervisão e controle de uma etapa de seu processo, para isso foi indicada a instalação de um Sistema de Supervisão e Aquisição de Dados (SCADA). Sobre os sistemas SCADA, é correto afirmar que:
I. SCADA é utilizado principalmente para monitorar e controlar processos industriais em tempo real, coletando dados de sensores e atuadores e permitindo a intervenção manual e a automática.
II. Os sistemas SCADA são exclusivamente projetados para ambientes de manufatura e não são adequados para aplicações em sistemas como distribuição de água e energia elétrica.
III. SCADA permite a integração de diferentes tipos de equipamentos e sistemas, fornecendo uma interface gráfica que ajuda os operadores a visualizar e analisar dados em tempo real.
IV. Embora SCADA seja essencial para monitoramento em tempo real, não possui capacidade de armazenar dados históricos, o que limita a análise de tendências e o diagnóstico de problemas.
Provas
O diagrama de blocos a seguir representa uma planta de um motor de corrente contínua. Deseja-se incluir um controlador que, ao adicionar um ganho, garante a estabilidade do sistema em malha fechada. Determine a faixa de valores de ganho K, para que o sistema realimentado seja estável.

Fonte: IFSP, 2024
Provas
Um engenheiro de automação está desenvolvendo um sistema de controle para ajustar a temperatura de um forno industrial. Devido à complexidade das variações térmicas e às incertezas do processo, foi decidido utilizar um controlador fuzzy para otimizar o desempenho do sistema. Além disso, o engenheiro quer integrar técnicas de aprendizado de máquina para que o controlador possa se adaptar dinamicamente às condições do forno.
Com base nessa situação, qual das opções abaixo descreve corretamente uma vantagem da utilização de um controlador fuzzy adaptativo em comparação a um controlador fuzzy clássico?
Provas
Caderno Container