Foram encontradas 40.992 questões.
Representação gráfica do desenvolvimento dos serviços a serem executados ao longo do tempo de duração da obra, demonstrando, em cada período, o percentual de avanço físico a ser executado e o respectivo valor financeiro envolvido. Trata-se da definição de
Provas
Ao realizar a composição da planilha orçamentária a ser empregada na licitação, o engenheiro coleta os dados presentes no projeto com todo seu detalhamento, fazendo, assim, o levantamento de quantidades dos materiais, serviços e insumos necessários à execução da obra.
Nesse momento, é de extrema importância para a correta construção da planilha que o levantamento considere:
Provas
Em engenharia de custos, para cálculo do BDI de uma obra, são considerados custos indiretos:
Provas
Considere uma central de geração fotovoltaica de 500 kW (pico) operando durante o período de um ano normal (não bissexto). Nesse período, a central passou por manutenções que totalizaram 160 horas. Calcule a energia total gerada, sabendo que o fator de capacidade dessa central é igual a 18%, e assinale a alternativa correta.
Provas
Um gerador síncrono tem os seguintes dados de placa: potência nominal 800 kVA; tensão nominal: 380/220 V; 4 polos, 60 Hz, FP = 0,8, isolação classe H, proteção IP54.
A limitação do fator de potência para esse gerador refere-se ao seguinte limite operacional:
Provas
Uma empresa apresenta sua curva de carga dentro de um intervalo de 15 minutos, conforme a figura a seguir.

A demanda média para o intervalo apresentado é:
Provas
A Norma Técnica NBR-5419/2015, referente à proteção contra descargas atmosféricas, aplica-se, dentre outros tópicos, a
Provas
Um sistema de automação possui um controlador de pressão que recebe informações do processo por meio de um transdutor de pressão com interface analógica no padrão 4-20mA. O transdutor tem faixa de pressão de operação entre 100 bar e 500 bar para os limites do sinal de saída. Por meio da interface homem-máquina do controlador, verifica-se que a corrente na malha desse transdutor de pressão é de 16,5 mA. Nessa condição, a pressão do processo é de
Provas
Um ambiente com 12 metros de comprimento, 5 metros de largura e 3 metros de pé direito tem sua iluminação artificial realizada por 10 luminárias, distribuídas em 2 colunas de 5 luminárias. Cada luminária é equipada com uma lâmpada que emite 2 500 lumens de fluxo luminoso e, pelas características do ambiente, o fator de depreciação (d) é igual a 0,8. Se o nível de iluminamento desejado para o ambiente é de 300 lux, o fator de utilização (h) da luminária empregada deve ser:
Provas
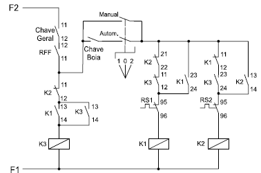
Observe o diagrama do circuito de comando da figura a seguir.

A cada acionamento do circuito pela chave boia, o comportamento dos contatores K1, K2 e K3 será o seguinte:
Provas
Caderno Container