Foram encontradas 40.992 questões.
Um capacitor de 47 nF é percorrido por uma corrente alternada cuja frequência é de 100 kHz. Sobre a sua reatância capacitiva XC, tem-se que
Provas
Três capacitores, C1, C2 e C3, foram associados, obtendo- se uma capacitância equivalente de 2,5 F. Supondo que C1 = 1 F, C2 = 2 F e C3 = 6 F, a associação realizada foi:
Provas
A figura ilustra uma parte de uma instalação elétrica de baixa tensão.

A parte ilustrada na figura é composta por
Provas
Pretende-se substituir um sistema de aquecimento de água que consome 40 [kWh] por mês para produzir 30 000 [kcal] por outro que possua maior eficiência energética e, portanto, menor impacto ambiental. Considerando que 1 [kWh] é 900 [kcal], o rendimento do sistema atual é de 83,33%. Nesse contexto, o sistema de aquecimento que apresenta a solução adequada a esse problema e mais eficiente do ponto de vista energético consumirá
Provas
Uma indústria decidiu substituir o sistema de iluminação da sua área de produção, que produzia um fluxo total de 105 lumens, e recebeu propostas de alguns fabricantes. O fabricante que venceu a licitação ofereceu a seguinte solução:
● Tipo de lâmpada: led
● Rendimento da lâmpada: 20 lumens/watt
● Potência da lâmpada: 50 watt
● Custo unitário da lâmpada: R$ 100,00
● Custo de instalação da solução: R$ 10.000,00
● Custo de energia: R$ 0,70 por kWh
Assinale a alternativa que apresenta, correta e respectivamente, o número de lâmpadas necessário para atender ao fluxo total da área de produção da indústria, o custo com a compra do material adicionado ao custo da sua instalação e o custo mensal de energia referente a esse sistema, dado que o mês tem trinta dias e o sistema opera durante vinte horas por dia.
Provas
Um sistema de conversão de energia solar para energia elétrica é composto por painéis fotovoltaicos conectados a um conversor eletrônico, capaz de converter os sinais de corrente contínua dos painéis para corrente alternada, com frequência de 60 [Hz]. São dados:
● Potência de saída dos painéis fotovoltaicos: 50 [kW]
● Potência aparente de saída do conversor eletrônico: 50 [kVA]
● Rendimento do conversor eletrônico: 80%
Admitindo que os painéis estão fornecendo potência nominal, esse arranjo permite o fornecimento máximo de
Provas
Um motor de indução trifásico de 1 [CV] do tipo gaiola de esquilo possui o estator composto por duas bobinas por fase e quatro polos. A carcaça da máquina possui bornes que permitem conectar as bobinas de cada fase em série ou em paralelo e as bobinas das três fases na ligação estrela ou na ligação triângulo. Dado que as bobinas possuem tensão nominal de 220 [V], é possível conectar as bobinas desse motor na ligação
Provas
Considere uma tomada elétrica alimentada por um condutor de fase de 127 [V], um condutor de neutro e um condutor PE. O sistema elétrico do qual essa tomada faz parte possui um sistema de aterramento do tipo TT. Em um dado momento, essa tomada apresenta degradação da sua isolação, que pode ser representada por uma resistência entre o polo da fase e do PE de valor igual a !$ 2540 [\Omega] !$. Nesse contexto, para que o dispositivo diferencial residual identifique a corrente de fuga decorrente dessa falha de isolação, a corrente de atuação deve ser
Provas
O quadro de distribuição trifásico (ABC – 220 [V] e 60 [Hz]) responsável pela alimentação de um barramento de motores de indução trifásicos, do tipo gaiola de esquilo, foi submetido a uma manutenção, que consistiu na troca do disjuntor trifásico de entrada e no rearranjo da sua fiação, em virtude do aumento da carga com a inclusão de um circuito adicional. Após essa troca, o operador dos motores dessa instalação percebeu que os motores não giravam mais, embora parecessem energizados e vibrando mecanicamente. Decidiu, então, efetuar medidas com um voltímetro e notou que havia tensão VAB = VBC = 220 [V] durante a energização dos motores. Sendo assim, deduziu que a manutenção
Provas
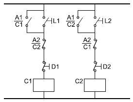
É dado o comando elétrico ilustrado na figura.

Considerando que se trata de um comando elétrico composto por dois contatores (C1 e C2), assinale a alternativa correta.
Provas
Caderno Container