Foram encontradas 40.992 questões.
Norma que estabelece os requisitos mínimos e as medidas de proteção para o trabalho em altura, envolvendo o planejamento, a organização e a execução, de forma a garantir a segurança e a saúde dos trabalhadores envolvidos direta ou indiretamente com essa atividade, refere-se à
Provas
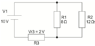
Considere o circuito a seguir:

O valor do Resistor R3 é igual a
Provas
Uma das principais atividades de fiscalização está relacionada à realização das medições dos quantitativos dos serviços executados e ao atestado da qualidade desses serviços. A esse respeito, assinale a opção correta.
Provas
O instrumento utilizado pela empresa vencedora de uma licitação para repassar parcela da execução dos serviços a outra empresa com melhor capacidade técnica específica ou que trabalhe com custos menores é denominado
Provas
No que concerne à segurança em projetos de instalações elétricas, julgue os itens a seguir.
I Todo projeto deve prever condições para a adoção de aterramento temporário.
II O projeto das instalações elétricas deve ficar à disposição apenas dos trabalhadores autorizados e deve ser permanentemente atualizado.
III Os projetos de instalações elétricas devem especificar dispositivos de desligamento de circuitos que possuam recursos para impedimento de reenergização, para sinalização de advertência com indicação da condição operativa.
Assinale a opção correta.
Provas
Considerando as instalações elétricas em projetos prediais e industriais bem como os riscos delas resultantes, assinale a opção correta.
Provas
Em relação aos sistemas monofásico e trifásico, utilizados para a geração, transmissão e distribuição de energia elétrica em corrente alternada, assinale a opção correta.
Provas
Assinale a opção correta em relação à instalação de um sistema de proteção contra descargas atmosféricas (SPDA) em edificações.
Provas
Considerando que as máquinas elétricas são, basicamente, divididas em dois tipos – máquinas elétricas estáticas e rotativas –, assinale a opção correta.
Provas
A respeito das propriedades dos materiais condutores, isolantes e magnéticos, assinale a opção correta.
Provas
Caderno Container