Foram encontradas 20.519 questões.
Em sistemas de controle muitos sinais se originam de sensores ou dispositivos analógicos, que são transformados em formatos digitais através dos conversores A/D. Com base nesses sinais, assinale a alternativa que NÃO se assemelha a um sinal analógico.
Provas
O circuito da figura a seguir mostra um filtro ativo de dois estágios. Considere fc1 como frequência de corte do estágio 1, e fc2 do estágio 2.

Com base nessas informações, analise as afirmativas.
I. O primeiro estágio é um filtro passa alta.
II. O segundo estágio é um filtro passa alta.
III. Se a fc1 < fc2, o conjunto comporta com um filtro passa faixa.
IV. Se a fc1 < fc2, o conjunto comporta com um filtro rejeita faixa.
Estão corretas apenas as afirmativas
Provas
Observe o circuito da figura a seguir.

Com base no circuito, analise as afirmativas.
I. O circuito é um derivador.
II. O circuito funciona como um filtro passa baixa.
III. Tem frequência de corte de 1,33 Khz.
IV. O circuito funciona como um filtro passa alta.
Estão corretas apenas as afirmativas
Provas
Assinale a alternativa que corresponde à função do diagrama de contatos, também conhecido como diagrama Ladder.

Provas
Em relação às interfaces de entrada/saída de um PLC, analise as alternativas, marque E para dispositivos de entrada e S para dispositivos de saída.
( ) Chaves seletoras.
( ) Sirenes.
( ) Válvulas.
( ) Relés de controle.
( ) Chaves fim-de-curso.
( ) Sensor de nível.
A sequência está correta em
Provas
O Programmable Logic Controller (PLC) ou Controlador Lógico Programável (CLP) é um sistema desenvolvido para controle e automação industrial através de um programa que interage com os sensores e atuadores por uma interface. Com base nos conceitos do PLC e na estrutura física envolvida, analise as afirmativas.
I. Através da conexão às entradas do CLP, o atuador converte uma condição física do elemento sensor em um sinal elétrico para ser utilizado pelo CLP.
II. Os atuadores convertem sinais elétricos vindos do CLP em uma condição física, geralmente ligando ou desligando algum elemento.
III. Conforme os estados das suas saídas, o controlador, através de um programa de controle define os estados das suas entradas.
IV. Muitos transdutores geram movimentos, tais como válvulas, motores, bombas, e outros utilizam energia elétrica ou pneumática.
V. O operador pode interagir com o controlador através dos parâmetros de controle, e, em alguns casos, pode mostrar o estado do processo através de uma tela.
Estão corretas apenas as afirmativas
Provas
Os microcontroladores estão presentes em diversas aplicações como num controle de processo, por exemplo. Seu desempenho varia de acordo com suas características, arquitetura, conjunto de instruções etc. De acordo com os conceitos e definições dessas características, analise as afirmativas.
I. CISC: conjunto de código de instruções maior permitindo programas mais reduzidos e reduzindo o número de acessos à memória de programa.
II. RISC: conjunto de código de instruções menor simplificando a decodificação de instruções, ficando, nesse sentido, mais rápido.
III. Arquitetura Harvard: possui um barramento de dados e endereço, e as Instruções e dados compartilham a mesma unidade de memória.
IV. Arquitetura Von-Neuman: possui dois barramentos de endereços independentes e dois de dados também independentes, além de memórias distintas.
Estão corretas apenas as afirmativas
Provas
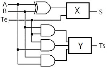
Para que o circuito da seguinte figura se comporte como um “somador completo”, as funções dos blocos X e Y devem necessariamente ser, respectivamente,

Provas
Assinale a alternativa que NÃO corresponde a um componente do CLP.
Provas
Analise o circuito e assinale a alternativa que corresponde à sua função.

Provas
Caderno Container